Ciao a tutti.
Ho un quesito: andando a recuperare degli induttori per un progetto che ho in mente (filtro LC per sperimentare la costruzione di uno step-down), mi è sorto un dubbio: arrivare a determinare il valore dell'induttore è facile (o tramite un'eventuale sigla presente sullo stesso, oppure con l'oscilloscopio e un generatore di funzioni), tuttavia se volessi determinare la corrente di saturazione per capire se è utilizzabile nel progetto come dovrei fare in mancanza di riferimenti del componente?
Grazie in anticipo a tutti quanti
Determinare parametri di induttori recuperati da PCB
Moderatori:
carloc,
g.schgor,
BrunoValente,
IsidoroKZ
25 messaggi
• Pagina 1 di 3 • 1, 2, 3
0
voti
https://ludens.cl/Electron/lmeter/lmeter.html
Sempre con l'oscilloscopio e qualche test (oltre a qualche condensatore)
.
Ciao.
Sempre con l'oscilloscopio e qualche test (oltre a qualche condensatore)
Ciao.
0
voti
Se hai le caratteristiche del nucleo ed il diametro del filo, si puo approssimare, ma non sempre la composizione dei nuclei e' disponibile.
Quello del link sopra e' simile ad un'accrocchio realizzato anni fa, non ti da dati esatti ma permette di stimare la corrente di saturazione approssimativa.
Non so se esistano tester specifici, per questa applicazione, o almeno io non ne ho mai trovati, forse perche' e' una misura troppo "di nicchia", ed anche perche' in genere se uno acquista le induttanze, le cerca con la specifica corrente di saturazione che gli interessa (ed anche, probabilmente, perche' a nessuno interessa commercializzare uno strumento per recuperatori ... chissa' se partendo dall'accrocchio potremmo realizzarne uno noi, magari senza oscilloscopio, ma ne dubito).
Quello del link sopra e' simile ad un'accrocchio realizzato anni fa, non ti da dati esatti ma permette di stimare la corrente di saturazione approssimativa.
Non so se esistano tester specifici, per questa applicazione, o almeno io non ne ho mai trovati, forse perche' e' una misura troppo "di nicchia", ed anche perche' in genere se uno acquista le induttanze, le cerca con la specifica corrente di saturazione che gli interessa (ed anche, probabilmente, perche' a nessuno interessa commercializzare uno strumento per recuperatori ... chissa' se partendo dall'accrocchio potremmo realizzarne uno noi, magari senza oscilloscopio, ma ne dubito).
"Sopravvivere" e' attualmente l'unico lusso che la maggior parte dei Cittadini italiani,
sia pure a costo di enormi sacrifici, riesce ancora a permettersi.
sia pure a costo di enormi sacrifici, riesce ancora a permettersi.
-

Etemenanki
9.507 3 6 10 - Master

- Messaggi: 5933
- Iscritto il: 2 apr 2021, 23:42
- Località: Dalle parti di un grande lago ... :)
0
voti
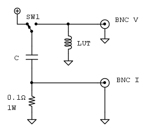
Io faccio in questo modo: prendo un condensatore, lo carico e lo collego in parallelo all'induttore: con l'oscilloscopio dovrebbe vedersi una tensione sinusoidale smorzata (una cisoide). Se l'induttore satura si vede la forma d'onda deformata, meglio ancora se si misura anche la corrente.
Il valore del condensatore lo scelgo in modo che la frequenza di risonanza risulti "comoda da vedere" ad esempio qualche kilohertz, e la impedenza caratteristica del risonatore non sia troppo elevata (al piu`qualche ohm). Ad esempio con 2Ω di impedenza caratteristica del risonatore, se il condensatore e` carico a 10V, la corrente potrebbe salire fino a 5A (un po' di meno causa perdite).
Se usi un condensatore elettrolitico bisogna scendere molto di frequenza, ben al di sotto della frequenzaz dello zero data dall'ESR, altrimenti non si vede la risonanza.
Il valore del condensatore lo scelgo in modo che la frequenza di risonanza risulti "comoda da vedere" ad esempio qualche kilohertz, e la impedenza caratteristica del risonatore non sia troppo elevata (al piu`qualche ohm). Ad esempio con 2Ω di impedenza caratteristica del risonatore, se il condensatore e` carico a 10V, la corrente potrebbe salire fino a 5A (un po' di meno causa perdite).
Se usi un condensatore elettrolitico bisogna scendere molto di frequenza, ben al di sotto della frequenzaz dello zero data dall'ESR, altrimenti non si vede la risonanza.
Per usare proficuamente un simulatore, bisogna sapere molta più elettronica di lui
Plug it in - it works better!
Il 555 sta all'elettronica come Arduino all'informatica! (entrambi loro malgrado)
Se volete risposte rispondete a tutte le mie domande
Plug it in - it works better!
Il 555 sta all'elettronica come Arduino all'informatica! (entrambi loro malgrado)
Se volete risposte rispondete a tutte le mie domande
0
voti
Rimane una misura difficoltosa: il contatto della connessione deve essere "istantaneo", si usa in interruttore meccanico o un MOS?.prendo un condensatore, lo carico e lo collego in parallelo all'induttore: con l'oscilloscopio dovrebbe vedersi una tensione sinusoidale smorzata (una cisoide). Se l'induttore satura si vede la forma d'onda deformata
Quando l'induttore satura, la forma d'onda passa da sinusoidale a trapezoidale?
0
voti
Forse si potrebbe utilizzare un accrocchio del genere?
-

PietroBaima
90,7k 7 12 13 - G.Master EY

- Messaggi: 12206
- Iscritto il: 12 ago 2012, 1:20
- Località: Londra
0
voti
ma cosi non si finirebbe per dover sempre fornire una corrente abbastanza elevata all'induttanza, con il rischio di friggere magari quelle piu delicate ?
Voglio dire, se si puo regolare la larghezza degli impulsi come nello schema con i due 555, si puo rischiare di testare anche induttori piccoli o sconosciuti partendo con il minimo della larghezza, se si deve scaricare un condensatore sull'induttanza potrebbe essere piu problematico regolare la sua carica per testare anche induttanze ignote e possibilmente delicate, salvo forse farsi un banco di condensatori di diverse capacita', o sbaglio ?
Voglio dire, se si puo regolare la larghezza degli impulsi come nello schema con i due 555, si puo rischiare di testare anche induttori piccoli o sconosciuti partendo con il minimo della larghezza, se si deve scaricare un condensatore sull'induttanza potrebbe essere piu problematico regolare la sua carica per testare anche induttanze ignote e possibilmente delicate, salvo forse farsi un banco di condensatori di diverse capacita', o sbaglio ?
"Sopravvivere" e' attualmente l'unico lusso che la maggior parte dei Cittadini italiani,
sia pure a costo di enormi sacrifici, riesce ancora a permettersi.
sia pure a costo di enormi sacrifici, riesce ancora a permettersi.
-

Etemenanki
9.507 3 6 10 - Master

- Messaggi: 5933
- Iscritto il: 2 apr 2021, 23:42
- Località: Dalle parti di un grande lago ... :)
0
voti
MarcoD ha scritto:si usa in interruttore meccanico o
Sono da evitare gli interruttori a levetta che fanno dei rimbalzi, meglio un contatto bruto fatto a mano magari con qualche tentativo.
0
voti
Per valutare il punto massimo di corrente portato dall'induttore, applico al circuito del convertotre il treno di impulsi con un basso duty, ed al contempo leggo il valore di corrente, (picco), aumentando il duty aumenta la corrente, fino a che l'aumento è quasi lineare la corrente è lontana dalla saturazione,
quando l'aumento del duty porta notevole aumento di corrente sei gia arrivato in saturazione o comunque in zona che è meglio non raggiungere,
anche perché potrebbe lavorare dal punto di vista magnetico, ma oltre ad essere critico nel funzionamento, potrebbe andare oltre la portata della sezione del filo dell'avvolgimento, e quindi bruciare.
resta sempre una prova empirica.
saluti
quando l'aumento del duty porta notevole aumento di corrente sei gia arrivato in saturazione o comunque in zona che è meglio non raggiungere,
anche perché potrebbe lavorare dal punto di vista magnetico, ma oltre ad essere critico nel funzionamento, potrebbe andare oltre la portata della sezione del filo dell'avvolgimento, e quindi bruciare.
resta sempre una prova empirica.
saluti
-

lelerelele
4.899 3 7 9 - Master

- Messaggi: 5505
- Iscritto il: 8 giu 2011, 8:57
- Località: Reggio Emilia
0
voti
lelerelele ha scritto:...
resta sempre una prova empirica.
saluti
Per quello dicevo che forse e' meglio usare il sistema degli impulsi, almeno si parte dal minimo e quando ci si rende conto che la curva inizia a salire piu velocemente ci si ferma
Ok, ci si puo fermare anche quando inizia a fumare, ma forse e' meglio prima
EcoTan ha scritto:Sono da evitare gli interruttori a levetta che fanno dei rimbalzi, ...
"piccolo" mosfet tipo IRL40SC228 (40V 550A logic-level) pilotato da totem-pole o gate-driver ?
"Sopravvivere" e' attualmente l'unico lusso che la maggior parte dei Cittadini italiani,
sia pure a costo di enormi sacrifici, riesce ancora a permettersi.
sia pure a costo di enormi sacrifici, riesce ancora a permettersi.
-

Etemenanki
9.507 3 6 10 - Master

- Messaggi: 5933
- Iscritto il: 2 apr 2021, 23:42
- Località: Dalle parti di un grande lago ... :)
25 messaggi
• Pagina 1 di 3 • 1, 2, 3
Chi c’è in linea
Visitano il forum: Nessuno e 46 ospiti

Elettrotecnica e non solo (admin)
Un gatto tra gli elettroni (IsidoroKZ)
Esperienza e simulazioni (g.schgor)
Moleskine di un idraulico (RenzoDF)
Il Blog di ElectroYou (webmaster)
Idee microcontrollate (TardoFreak)
PICcoli grandi PICMicro (Paolino)
Il blog elettrico di carloc (carloc)
DirtEYblooog (dirtydeeds)
Di tutto... un po' (jordan20)
AK47 (lillo)
Esperienze elettroniche (marco438)
Telecomunicazioni musicali (clavicordo)
Automazione ed Elettronica (gustavo)
Direttive per la sicurezza (ErnestoCappelletti)
EYnfo dall'Alaska (mir)
Apriamo il quadro! (attilio)
H7-25 (asdf)
Passione Elettrica (massimob)
Elettroni a spasso (guidob)
Bloguerra (guerra)







pigreco]=π
