Scaricatore AC montaggio
Moderatori:
sebago,
MASSIMO-G,
lillo,
Mike
17 messaggi
• Pagina 2 di 2 • 1, 2
0
voti
Quindi se ho capito bene, le potenze si sommano, ma prevale quella del fotovoltaico in quanto hanno sensi diversi.
-

multigamma
5 3 - Messaggi: 20
- Iscritto il: 14 ago 2022, 22:57
0
voti
Non prevale quella del fotovoltaico, è solo (casualmente) maggiore.
Quando non hai assorbimenti nell'impianto interno tutta la generazione va in rete (supponiamo i 4,5 di targa, ma non sarà quasi mai così) e quindi il max è 4,5
Quando non produci nulla il max assorbimento è 3,3.
In alcuni punti della rete interna a seconda di come è collegato il FV puoi avere la somma, 7,8
Quando non hai assorbimenti nell'impianto interno tutta la generazione va in rete (supponiamo i 4,5 di targa, ma non sarà quasi mai così) e quindi il max è 4,5
Quando non produci nulla il max assorbimento è 3,3.
In alcuni punti della rete interna a seconda di come è collegato il FV puoi avere la somma, 7,8
0
voti
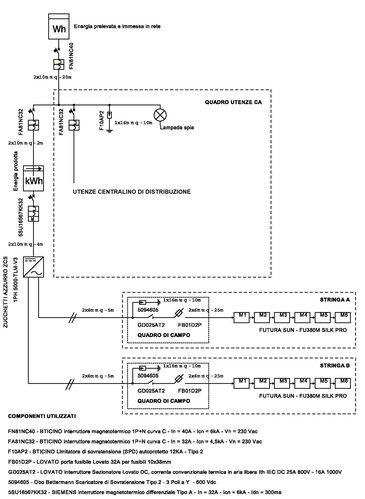
Ti allego lo schema del quadro elettrico. Cosa dici?
Qualche suggerimento. Grazie.
Qualche suggerimento. Grazie.
-

multigamma
5 3 - Messaggi: 20
- Iscritto il: 14 ago 2022, 22:57
0
voti
Hai ragione, andrebbe bene anche un sezionatore, ma preferisco inserire cosi un C40 con Icn = 4,5kA, come dici tu.
Molti schemi, sul lato inverter, montano solamente il magnetotermico differenziale, altri inseriscono anche uno scaricatore, sempre sul lato inverter. Come mai?
Come scaricatore generale nell'impianto ci sta un
BTICINO F10AP2 Limitatore di sovratensione (SPD) autoprotetto 12KA - Tipo 2
Tra BTICINO e OBO Betterman limitatore di sovratensione e contro i fulmini di tipo 1+2 - V25-B+C 1+NPE, cosa dici?
Molti schemi, sul lato inverter, montano solamente il magnetotermico differenziale, altri inseriscono anche uno scaricatore, sempre sul lato inverter. Come mai?
Come scaricatore generale nell'impianto ci sta un
BTICINO F10AP2 Limitatore di sovratensione (SPD) autoprotetto 12KA - Tipo 2
Tra BTICINO e OBO Betterman limitatore di sovratensione e contro i fulmini di tipo 1+2 - V25-B+C 1+NPE, cosa dici?
-

multigamma
5 3 - Messaggi: 20
- Iscritto il: 14 ago 2022, 22:57
0
voti
Magari una semplice persona. Sono un perito industriale, ma non esercito tale professione.
-

multigamma
5 3 - Messaggi: 20
- Iscritto il: 14 ago 2022, 22:57
17 messaggi
• Pagina 2 di 2 • 1, 2
Torna a Impianti, sicurezza e quadristica
Chi c’è in linea
Visitano il forum: Google Adsense [Bot] e 80 ospiti

Elettrotecnica e non solo (admin)
Un gatto tra gli elettroni (IsidoroKZ)
Esperienza e simulazioni (g.schgor)
Moleskine di un idraulico (RenzoDF)
Il Blog di ElectroYou (webmaster)
Idee microcontrollate (TardoFreak)
PICcoli grandi PICMicro (Paolino)
Il blog elettrico di carloc (carloc)
DirtEYblooog (dirtydeeds)
Di tutto... un po' (jordan20)
AK47 (lillo)
Esperienze elettroniche (marco438)
Telecomunicazioni musicali (clavicordo)
Automazione ed Elettronica (gustavo)
Direttive per la sicurezza (ErnestoCappelletti)
EYnfo dall'Alaska (mir)
Apriamo il quadro! (attilio)
H7-25 (asdf)
Passione Elettrica (massimob)
Elettroni a spasso (guidob)
Bloguerra (guerra)
