Ciao a tutti.
Ho in mente di tentare di costruire un alimentatore variabile da banco, e per farlo volevo partire da un trasformatore toroidale che ho in casa: 48,2V 600VA
L'idea era quella di fare un filtro LC, con mosfet di commutazione, per abbassare ad una tensione accettabile l'alimentazione principale, in base alle necessità, per poi andare a regolare finemente l'uscita in lineare.
Tralasciando il filtro LC, di cui ancora devo capire come dimensionarne i componenti, volevo iniziare a parlare del primo stadio, ovvero quello che parte dal trasformatore: ho letto che, quando si hanno parti switching nei circuiti, sarebbe bene inserire un filtro EMI per ridurre i rumori nella rete elettrica.
Fino a qui ho detto bene?
Se sì, vorrei capire come poter fare un buon circuito della sezione in alternata, con le dovute cautele del caso
Grazie in anticipo
Filtro EMI per trasformatore toroidale
Moderatori:
carloc,
g.schgor,
BrunoValente,
IsidoroKZ
0
voti
Vuoi dire che colleghi il secondario a 48 V a un ponte di diodi e a un condensatore per ottenere una DC quasi filtrata di 48 x 1,41 - 1,4 V = circa 66 Vmassimo a vuoto .
corrente massima circa 600 W /48 A = 10 A ?
Se i diodi dissipano ciascuno 0,7 V a 10 A per mezza semionda , fanno
0,7 x 10 / 2 = circa 3,5 W (la formula è approssimata) , forse devi montarli su dissipatore.
Penso che il filtro di rete sia il minore dei problemi, potresti metterlo dopo lo sviluppo del prototipo, scegliendo fra i modelli sul mercato per 230 Vac 5 A ?

corrente massima circa 600 W /48 A = 10 A ?
Se i diodi dissipano ciascuno 0,7 V a 10 A per mezza semionda , fanno
0,7 x 10 / 2 = circa 3,5 W (la formula è approssimata) , forse devi montarli su dissipatore.
Penso che il filtro di rete sia il minore dei problemi, potresti metterlo dopo lo sviluppo del prototipo, scegliendo fra i modelli sul mercato per 230 Vac 5 A ?

0
voti
Per i calcoli del trasformatore si, son quelli
Mi ero dimenticato di sottrarre la tensione dei diodi per sapere la tensione di uscita, però in ogni caso pensavo di utilizzare 4 diodi shottky separati da montare su dissipatore, così da avere in primis meno caduta, ed in secondo luogo poter usare un unico dissipatore di calore per tutte le parti di potenza.. La cosa difficile sarà fare il PCB che dovrà accogliere tutto il circuito attorno ad un unico dissipatore (magari ci sta che cambi idea sul dissipatore unico)
Mi ero dimenticato di sottrarre la tensione dei diodi per sapere la tensione di uscita, però in ogni caso pensavo di utilizzare 4 diodi shottky separati da montare su dissipatore, così da avere in primis meno caduta, ed in secondo luogo poter usare un unico dissipatore di calore per tutte le parti di potenza.. La cosa difficile sarà fare il PCB che dovrà accogliere tutto il circuito attorno ad un unico dissipatore (magari ci sta che cambi idea sul dissipatore unico)
0
voti
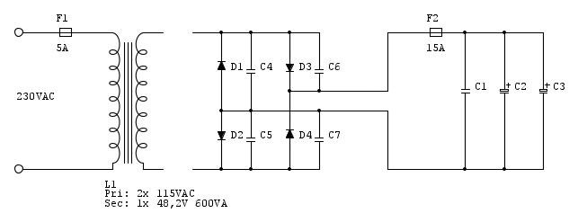
Per ora ho buttato giù uno schema iniziale in questo modo.
D1, D2, D3 e D4 sarebbero i diodi citati poco fa, mentre L1 è il trasformatore toroidale che ha due avvolgimenti di primario da 115VAC, da mettere in serie.
C4 - C7 sono da 47nF 16V
In uscita, come da schema, 48,2V 600VA, poi ha anche se non ricordo male un secondario ausiliario da 17VAC che però non ho idea di come potrei utilizzare, quindi molto probabilmente resterà aperto.
Fusibile F1 sul primario, F2 sul secondario
Poi C1 (pensavo 100nF ceramico, 100V), C2 e C3 (elettrolitici, da quanto? 2200uF 100V?) come filtraggio
Poi dopo ciò, subito filtro LC
Che ne pensate? Altri accorgimenti da seguire?
Per il filtro EMI, dove posso trovare esempi già pronti che mi hai citato?
Più che altro perché l'idea era di farlo con componenti singoli, da montare sul PCB
Io li guardo da http://www.lcsc.com
0
voti
I diodi che hai indicato ( VB30100S ) sono a montaggio superficiale quindi non riesci a fissarli su un dissipatore tradizionale, inoltre se il dissipatore è unico e usi il contenitore TO220 ( V30100S ) devi isolare i diodi in quanto la parte metallica del corpo è il catodo.
La tensione in uscita che hai indicato nasce da una misura che hai eseguito o è un dato di targa del trasformatore? Tieni conto che 100 V è la massima tensione inversa che può tollerare il diodo da te indicato e che la tensione di rete può essere più alta dei 230 V nominali.
La tensione in uscita che hai indicato nasce da una misura che hai eseguito o è un dato di targa del trasformatore? Tieni conto che 100 V è la massima tensione inversa che può tollerare il diodo da te indicato e che la tensione di rete può essere più alta dei 230 V nominali.
-

stefanodelfiore
1.673 3 8 - Master

- Messaggi: 569
- Iscritto il: 28 mar 2009, 20:15
- Località: Bologna
0
voti
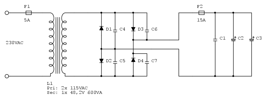
Intanto, correggo lo schema postato poco fa:
A me. da datasheet, risulta che esistano anche in TO220
In ogni caso, ovviamente: isolare la parte metallica del case è scontata
Misurata, in ogni caso da 48V a 100V c'è un po' di strada, dubito che 100V di diodo siano al limite del rischio, o sbaglio?
stefanodelfiore ha scritto:I diodi che hai indicato ( VB30100S ) sono a montaggio superficiale quindi non riesci a fissarli su un dissipatore tradizionale, inoltre se il dissipatore è unico e usi il contenitore TO220 ( V30100S ) devi isolare i diodi in quanto la parte metallica del corpo è il catodo.
A me. da datasheet, risulta che esistano anche in TO220
In ogni caso, ovviamente: isolare la parte metallica del case è scontata
stefanodelfiore ha scritto:La tensione in uscita che hai indicato nasce da una misura che hai eseguito o è un dato di targa del trasformatore? Tieni conto che 100 V è la massima tensione inversa che può tollerare il diodo da te indicato e che la tensione di rete può essere più alta dei 230 V nominali.
Misurata, in ogni caso da 48V a 100V c'è un po' di strada, dubito che 100V di diodo siano al limite del rischio, o sbaglio?
0
voti
Non sei a 48 V ma alla tensione di picco della sinusoide che è circa 67,8 V. Quando hai misurato la tensione a vuoto in uscita la tensione di rete quanto valeva?
-

stefanodelfiore
1.673 3 8 - Master

- Messaggi: 569
- Iscritto il: 28 mar 2009, 20:15
- Località: Bologna
0
voti
Non lo so, non mi son messo a misurare la tensione di rete. In ogni caso, ripeto: 100V di diodi mi sembrano un buon margine. Ipotizzando che i 48,2V siano a 220VAC, con 230VAC otterrei poco più di 70V
Per arrivare a 100V dovrei avere 320 volt in alternata sul primario, se non ho sbagliato i conti
Poi, se qualcun altro è dell'opinione che 100V di diodo siano troppo pochi, ne cercherò altri
Per arrivare a 100V dovrei avere 320 volt in alternata sul primario, se non ho sbagliato i conti
Poi, se qualcun altro è dell'opinione che 100V di diodo siano troppo pochi, ne cercherò altri
1
voti
Potresti usare 4 diodi ideali a mosfet (o 4 mosfet di potenza ed un LT4320, c'e' anche in PDIP), dissiperebbero molto meno.
Oppure fare un "preregolatore" con un ponte fatto con 2 diodi e 2 SCR, pilotati dal regolatore della tensione, per avere sul condensatore principale sempre pochi volt in piu di quelli impostati in uscita.
O un preregolatore a mosfet, o uno degli altri sistemi
Oppure fare un "preregolatore" con un ponte fatto con 2 diodi e 2 SCR, pilotati dal regolatore della tensione, per avere sul condensatore principale sempre pochi volt in piu di quelli impostati in uscita.
O un preregolatore a mosfet, o uno degli altri sistemi
"Sopravvivere" e' attualmente l'unico lusso che la maggior parte dei Cittadini italiani,
sia pure a costo di enormi sacrifici, riesce ancora a permettersi.
sia pure a costo di enormi sacrifici, riesce ancora a permettersi.
-

Etemenanki
9.527 3 6 10 - Master

- Messaggi: 5948
- Iscritto il: 2 apr 2021, 23:42
- Località: Dalle parti di un grande lago ... :)
Chi c’è in linea
Visitano il forum: Nessuno e 119 ospiti

Elettrotecnica e non solo (admin)
Un gatto tra gli elettroni (IsidoroKZ)
Esperienza e simulazioni (g.schgor)
Moleskine di un idraulico (RenzoDF)
Il Blog di ElectroYou (webmaster)
Idee microcontrollate (TardoFreak)
PICcoli grandi PICMicro (Paolino)
Il blog elettrico di carloc (carloc)
DirtEYblooog (dirtydeeds)
Di tutto... un po' (jordan20)
AK47 (lillo)
Esperienze elettroniche (marco438)
Telecomunicazioni musicali (clavicordo)
Automazione ed Elettronica (gustavo)
Direttive per la sicurezza (ErnestoCappelletti)
EYnfo dall'Alaska (mir)
Apriamo il quadro! (attilio)
H7-25 (asdf)
Passione Elettrica (massimob)
Elettroni a spasso (guidob)
Bloguerra (guerra)




