Salve a tutti ho provato a dimensionare circuito con un fotoaccoppiatore un BJT e una resistenza.
Vorrei capire se ho sbagliato qualcosa e come correggere. nelle foto allegate ho inserito i componenti utilizzati e i calcoli fatti.
Dovrei collegre questo circuito a un GPIO di un esp32 con uscita a 3.3V.
https://im.ge/i/1Sn4K0
https://im.ge/i/1SnQyM
https://im.ge/i/1SnVbp
Dimensionamento Fototransistor + BJT per Relè
Moderatori:
carloc,
g.schgor,
BrunoValente,
IsidoroKZ
14 messaggi
• Pagina 1 di 2 • 1, 2
0
voti
Non devi mettere i disegni su server esterni, ma allegarli usando " Invia allegato".
Dovresti disegnare lo schema con fidocadj e mettere schema e formule su un solo foglio per facilitarne la visione.
A prima vista, non è che mi sono sforzato molto, data la scomodità di lettura, mi pare non errato, ma prima di confermare che è corretto, chiedo:
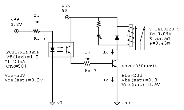
La Rc è la resistenza degli avvolgimenti della bobina del relè,
che per comodità tua hai disegnato esterna alla bobina?
Il LED e la sua resistenza vengono montati in parallelo ai contatti della bobina del relè
Di solito la resistenza del della bobina del relè è un dato fisso che dipende dal tipo di relè.
C'è una relazione: Ib = 50 x 20 nA = 1 A , saranno micro A ?
Dovresti disegnare lo schema con fidocadj e mettere schema e formule su un solo foglio per facilitarne la visione.
A prima vista, non è che mi sono sforzato molto, data la scomodità di lettura, mi pare non errato, ma prima di confermare che è corretto, chiedo:
La Rc è la resistenza degli avvolgimenti della bobina del relè,
che per comodità tua hai disegnato esterna alla bobina?
Il LED e la sua resistenza vengono montati in parallelo ai contatti della bobina del relè
Di solito la resistenza del della bobina del relè è un dato fisso che dipende dal tipo di relè.
C'è una relazione: Ib = 50 x 20 nA = 1 A , saranno micro A ?
0
voti
Allora la Rc è una resistenza in serie alla bobina. Non ho considerato la resistenza interna della bobina ma la VCC e la corrente di lavoto 1mA.
Ib=50x20mA
Ib=50x20mA
0
voti
Se non metti gli schemi visibili sul forum, tramite fidocadj, oltre a non vedere nulla,, non sarà possibile leggerli e modificarli.
-

lelerelele
4.899 3 7 9 - Master

- Messaggi: 5505
- Iscritto il: 8 giu 2011, 8:57
- Località: Reggio Emilia
0
voti
Va bene scusate. caricherò correttamente tutto
0
voti
Se poi fai gli schemi con FidoCadJ e` ancora meglio!
Per usare proficuamente un simulatore, bisogna sapere molta più elettronica di lui
Plug it in - it works better!
Il 555 sta all'elettronica come Arduino all'informatica! (entrambi loro malgrado)
Se volete risposte rispondete a tutte le mie domande
Plug it in - it works better!
Il 555 sta all'elettronica come Arduino all'informatica! (entrambi loro malgrado)
Se volete risposte rispondete a tutte le mie domande
0
voti
Allora la Rc è una resistenza in serie alla bobina. Non ho considerato la resistenza interna della bobina ma la VCC e la corrente di lavoro 1mA.
Ho l'impressione che ci sia un malinteso, o che tu non abbia bene chiaro il funzionamento della bobina del relè.
La Rc intesa come resistenza in serie è inutile e dannosa.
La resistenza interna del filo dell'avvolgimento della bobina non è trascurabile.
Quale è la corrente di lavoro di 1 mA ?
Attendiamo lo schema.
0
voti
Scusatemi per la poca chiarezza. Riprovo a caricare lo schema ed i calcoli effettuati.
Vorrei poter riuscire a capire la logica di dimensionamento.
Vbb-Ib*Rb-Vce(sat)-Vbe(sat)=0
5-Rb*Ib-0.2-0.9=0
3.9-Rb*Ib=0
Rb=3.9/IB
hFE = Ic/Ib
Ib = 100mA/500 = 0.5 mA,
Ic=0.1 A
Ib>=100/200=0.5mA
Porto la corrente di saturazione a Ib=4.5mA per entrare nei range di funzionamento dell’optoisolatore
Rb = 3.9/0.0045=866Ω
Ib<=CTR*If
Ib<=0.5*20mA
Ib<=10mA
If(min) =Ib/CTR
A questo punto per il CTR del 50% che unità di misura devo utilizzare?
Vorrei poter riuscire a capire la logica di dimensionamento.
Vbb-Ib*Rb-Vce(sat)-Vbe(sat)=0
5-Rb*Ib-0.2-0.9=0
3.9-Rb*Ib=0
Rb=3.9/IB
hFE = Ic/Ib
Ib = 100mA/500 = 0.5 mA,
Ic=0.1 A
Ib>=100/200=0.5mA
Porto la corrente di saturazione a Ib=4.5mA per entrare nei range di funzionamento dell’optoisolatore
Rb = 3.9/0.0045=866Ω
Ib<=CTR*If
Ib<=0.5*20mA
Ib<=10mA
If(min) =Ib/CTR
A questo punto per il CTR del 50% che unità di misura devo utilizzare?
0
voti
Bene lo schema, rivedo i tuoi calcoli, che paiono corretti:
bobina relè: a 5 V assorbe 0,1 A Resistenza avvolgimenti 5/0,1 = 50 ohm, anche se poi non serve nei calcoli.
Quindi corrente collettore 0,1 A
Hai scritto hfe = 200 , suppongo sia distante dalla saturazione.
Ipotizzo cautelativamente che in saturazione sia solo hfe min = 20:
corrente in base necessaria: Ib = 0,1 A / 20 = 5 mA coincuide con i tuoi 4,5 mA
Vbb-Ib*Rb-Vce(sat)-Vbe(sat)=0
5-Rb*Ib-0.2-0.9=0
3.9-Rb*Ib=0
Rb=3.9/Ib = 3,9 / 5 = 780 ohm , va bene metti un resistore da 680 ohm.
Il coefficiente CTR = 0,5 è il "rendimento in corrente" dell'opto ?
per trasmettere 5 mA ne abbisogna di If= 5/0,5 = 10 mA ?
Riguardo all'opto, i dati dicono che con If = 20 mA ha una Vf di 1,2 V e che trasferisce in uscita una corrente massima del 50 %.
Non necessariamente devi farlo funzionare con 20 mA.
Se in ingresso ho 3,3 V e la Vf massima è 1,2 V
La Rf = (3,3-1,2)/10mA = 210 ohm. Io metterei 150 ohm.
Per fare i calcoli precisi, occorre consultare le curve caratteristiche del data sheet del componente.
La cosa migliore è montare un breadboard, alimentare, comandare in ON e rilevare con un multimetro le varie tensioni, e poi ottimizzare i valori (se necessario).
L'elettronica analogica è una tecnica approssimata che utilizza componenti con ampie tolleranze.
bobina relè: a 5 V assorbe 0,1 A Resistenza avvolgimenti 5/0,1 = 50 ohm, anche se poi non serve nei calcoli.
Quindi corrente collettore 0,1 A
Hai scritto hfe = 200 , suppongo sia distante dalla saturazione.
Ipotizzo cautelativamente che in saturazione sia solo hfe min = 20:
corrente in base necessaria: Ib = 0,1 A / 20 = 5 mA coincuide con i tuoi 4,5 mA
Vbb-Ib*Rb-Vce(sat)-Vbe(sat)=0
5-Rb*Ib-0.2-0.9=0
3.9-Rb*Ib=0
Rb=3.9/Ib = 3,9 / 5 = 780 ohm , va bene metti un resistore da 680 ohm.
Il coefficiente CTR = 0,5 è il "rendimento in corrente" dell'opto ?
per trasmettere 5 mA ne abbisogna di If= 5/0,5 = 10 mA ?
Riguardo all'opto, i dati dicono che con If = 20 mA ha una Vf di 1,2 V e che trasferisce in uscita una corrente massima del 50 %.
Non necessariamente devi farlo funzionare con 20 mA.
Se in ingresso ho 3,3 V e la Vf massima è 1,2 V
La Rf = (3,3-1,2)/10mA = 210 ohm. Io metterei 150 ohm.
Per fare i calcoli precisi, occorre consultare le curve caratteristiche del data sheet del componente.
La cosa migliore è montare un breadboard, alimentare, comandare in ON e rilevare con un multimetro le varie tensioni, e poi ottimizzare i valori (se necessario).
L'elettronica analogica è una tecnica approssimata che utilizza componenti con ampie tolleranze.
0
voti
Sul datasheet del BJT BC850C https://eu.mouser.com/datasheet/2/308/BC846ALT1_D-1387679.pdf leggo Hfe di 200. Non so se ho sbagliato a scegliere questo BJT.
14 messaggi
• Pagina 1 di 2 • 1, 2
Chi c’è in linea
Visitano il forum: Nessuno e 429 ospiti

Elettrotecnica e non solo (admin)
Un gatto tra gli elettroni (IsidoroKZ)
Esperienza e simulazioni (g.schgor)
Moleskine di un idraulico (RenzoDF)
Il Blog di ElectroYou (webmaster)
Idee microcontrollate (TardoFreak)
PICcoli grandi PICMicro (Paolino)
Il blog elettrico di carloc (carloc)
DirtEYblooog (dirtydeeds)
Di tutto... un po' (jordan20)
AK47 (lillo)
Esperienze elettroniche (marco438)
Telecomunicazioni musicali (clavicordo)
Automazione ed Elettronica (gustavo)
Direttive per la sicurezza (ErnestoCappelletti)
EYnfo dall'Alaska (mir)
Apriamo il quadro! (attilio)
H7-25 (asdf)
Passione Elettrica (massimob)
Elettroni a spasso (guidob)
Bloguerra (guerra)




