Buon pomeriggio a tutti.
Ho recuperato un nuovo (vecchio) lettore Pioneer PD-91. Anche questo come altri del mio passato ha dei problemi sul laser che sto cercando di risolvere.
Dopo aver fatto le prelimianri verifiche e pulizie del caso ho iniziato la procedura da Service per tentare la tarutare del laser, il lettore non legge il disco.
Ho riscontrato subito "qualcosa che non torna":
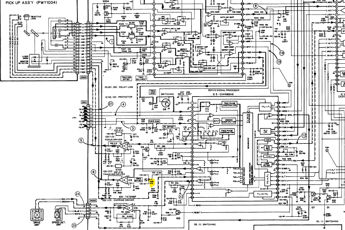
Il punto 1 e 3 sono stati regolati senza problemi ma al punto 2 (evidenzio in giallo) quando vado ad effettuare la lettura (pin2 di TP1) del Traking Offset trovo una tensione di 0V (da manuale) ma NON cambia agendo su VR9, è sempre 0V!
Ho verificato il componente VR9 e la resistenza varia, la tensione ai capi dello stesso (+5V e -5V) è presente ed in uscita la tesione segue la regolazione.
Questa la porzione di schema in gioco.
Potrebbe essere IC9 (TA7256P) anche se le altre regolazioni sembrano correttamente fuznionanti?
Ho verificato i due induttori di Focus del pick-up e sembrano regolari, nessun corto nessun circuito aperto.
Cos'altro può determinare questa anomalia? Che verifiche posso fare?
Non procedo nell'operazione di regolazione perché se questo valore non posso aggiustarlo inficia l'intera regolazione.
Ogni suggerimento è ben accetto, intanto proseguo nella ricerca dei "perché?".
Grazie
Calibrazione laser Pioneer PD-91
Moderatore:
IsidoroKZ
9 messaggi
• Pagina 1 di 1
0
voti
Agendo du VR9 leggo su IC9:
pin2: -9,80V a +11,80V ma con un salto, non ci sono tensioni intermedie
pin4: 0V a +1,4V con step da 200mV
pin2: -9,80V a +11,80V ma con un salto, non ci sono tensioni intermedie
pin4: 0V a +1,4V con step da 200mV
-

Luridbeatle
215 2 6 - Frequentatore

- Messaggi: 256
- Iscritto il: 19 ago 2018, 10:34
1
voti
Uhm ... forse sbaglio, ma se leggo correttamente quello schema, il tracking return (dove tu stai misurando) e' riferito a massa tramite due resistenze da 10 ohm in parallelo (R109 ed R14), per cui 5 ohm ... su che scala e con quale strumento stai misurando ? ... perche' la variazione mi sa che e' minima.
E comunque se sull'uscita del tracking driver (pin 2 di IC9) vedi dei valori che cambiano, direi che sia il trimmer che l'integrato sembrerebbero funzionare ... c'e' un punto della regolazione in cui su quel pin vedi la minore tensione possibile ? (il piu possibile verso lo zero senza andare in negativo intendo).
Poi siamo sicuri che il diodo laser stia emettendo a sufficenza ? (una volta c'erano in giro degli LPM apposta per fare quelle calibrazioni, ma non so se se ne trovino ancora nell'usato, e nel nuovo se non lo devi fare per lavoro non ne varrebbe la pena)
E comunque se sull'uscita del tracking driver (pin 2 di IC9) vedi dei valori che cambiano, direi che sia il trimmer che l'integrato sembrerebbero funzionare ... c'e' un punto della regolazione in cui su quel pin vedi la minore tensione possibile ? (il piu possibile verso lo zero senza andare in negativo intendo).
Poi siamo sicuri che il diodo laser stia emettendo a sufficenza ? (una volta c'erano in giro degli LPM apposta per fare quelle calibrazioni, ma non so se se ne trovino ancora nell'usato, e nel nuovo se non lo devi fare per lavoro non ne varrebbe la pena)
"Sopravvivere" e' attualmente l'unico lusso che la maggior parte dei Cittadini italiani,
sia pure a costo di enormi sacrifici, riesce ancora a permettersi.
sia pure a costo di enormi sacrifici, riesce ancora a permettersi.
-

Etemenanki
9.507 3 6 10 - Master

- Messaggi: 5940
- Iscritto il: 2 apr 2021, 23:42
- Località: Dalle parti di un grande lago ... :)
0
voti
Allora, per le misurazioni utilizzo un oscilloscopio digitale ed un tester sempre digitale.
Nella precedente lettura ho commesso due errori: avevo la sonda settata 1x e davanti ai piedini di IC9 c'è un lungo ponticello che a causa anche dell'infelice posizione penso d'aver toccato con il puntale durante la lettura... mi faccio prendere dalla fretta da "rispondo subito" e faccio errori, scusami!
Rifatte le letture (con oscilloscopio settato su 50mV e 4ms in DC) e questo il risultato:
pin2: tensione oscillante tra 24 e 36mV, nessuna variazione al variare di VR9, l'azione è irrilevante.
pin4: tensione che varia al variare di VR9 con tensioni che vanno da -66mV a +84mv
In merito al laser ho un Power Meter, settato a 780nm mi legge 0,134mW... potrei aumentare la potenza ma il valore è in linea a quanto prrevisto dal Service, per ora lascerei così.
Nella precedente lettura ho commesso due errori: avevo la sonda settata 1x e davanti ai piedini di IC9 c'è un lungo ponticello che a causa anche dell'infelice posizione penso d'aver toccato con il puntale durante la lettura... mi faccio prendere dalla fretta da "rispondo subito" e faccio errori, scusami!
Rifatte le letture (con oscilloscopio settato su 50mV e 4ms in DC) e questo il risultato:
pin2: tensione oscillante tra 24 e 36mV, nessuna variazione al variare di VR9, l'azione è irrilevante.
pin4: tensione che varia al variare di VR9 con tensioni che vanno da -66mV a +84mv
In merito al laser ho un Power Meter, settato a 780nm mi legge 0,134mW... potrei aumentare la potenza ma il valore è in linea a quanto prrevisto dal Service, per ora lascerei così.
-

Luridbeatle
215 2 6 - Frequentatore

- Messaggi: 256
- Iscritto il: 19 ago 2018, 10:34
0
voti
Aggiornamento.
Stamattina ho provato a fare qualche altro settaggio ma con sorpresa anche la regolazione del Focus VR1 si comporta come VR9, nessuna regolazione!
Boh!
Ho provato a cambiare il Driver ed anche l'integrato IC5 (CXA...), avevo i ricambi ma NULLA è cambiato. Sul pin 4 e 6 ho la lettura variabile ma sui pin 2 e 8 una tensione di 20/40mV non influenzata dai trimmer, oscilla.
Non capisco... I due induttori di Focus e Tracking del pickup sembrano ok, nessuna interruzione o corto e misurano rispettivamente 14ohm e 8ohm (arrotondando).
Ammesso che l'emettitore laser sia arrivato alla fine non capisco il nesso con la mancata regolazione in oggetto... Se il laser non emette i due induttori dovrebbero comunque essere "vivi".
Stamattina ho provato a fare qualche altro settaggio ma con sorpresa anche la regolazione del Focus VR1 si comporta come VR9, nessuna regolazione!
Boh!
Ho provato a cambiare il Driver ed anche l'integrato IC5 (CXA...), avevo i ricambi ma NULLA è cambiato. Sul pin 4 e 6 ho la lettura variabile ma sui pin 2 e 8 una tensione di 20/40mV non influenzata dai trimmer, oscilla.
Non capisco... I due induttori di Focus e Tracking del pickup sembrano ok, nessuna interruzione o corto e misurano rispettivamente 14ohm e 8ohm (arrotondando).
Ammesso che l'emettitore laser sia arrivato alla fine non capisco il nesso con la mancata regolazione in oggetto... Se il laser non emette i due induttori dovrebbero comunque essere "vivi".
-

Luridbeatle
215 2 6 - Frequentatore

- Messaggi: 256
- Iscritto il: 19 ago 2018, 10:34
0
voti
Ho provato anche gli induttori del pick-up applicando un piccola tensione ed entrambi si muovo, quindi questi sono okay.
-

Luridbeatle
215 2 6 - Frequentatore

- Messaggi: 256
- Iscritto il: 19 ago 2018, 10:34
0
voti
Continuando nella ricerca sono "inciampato" in due componenti che da circuito non sembravano poter essere interessati da guasto ma invece... I due IC 102 e 103, banalmente fusibili... Interrotti! Il motivo? Non lo so, il lettore l'ho acquistato guasto e chi me l'ha venduto ha detto che ascoltava regolarmente ed un giorno ha smesso di leggere i dischi.
Comunque, sostituiti i due componenti ho effettuato le calibrazioni ed ora suona!
C'è da dire che nel mentre ho cambiato anche il driver ed il chip di controllo se pur con il dubbio della reale necessità (ma li avevo sotto mano)...
Buona serata.
Comunque, sostituiti i due componenti ho effettuato le calibrazioni ed ora suona!
C'è da dire che nel mentre ho cambiato anche il driver ed il chip di controllo se pur con il dubbio della reale necessità (ma li avevo sotto mano)...
Buona serata.
-

Luridbeatle
215 2 6 - Frequentatore

- Messaggi: 256
- Iscritto il: 19 ago 2018, 10:34
0
voti
Ho cantato vittoria troppo presto...
Il lettore in modalità Test funziona anche se spesso devo premere più volte un tasto (track) per attivare il laser, poi da lì tutto regolare. Se esco dalla modalità Test non legge il disco: apre, chiude, abbassa il clamp, il laser si illumina e gli induttori agiscono ma non parte il motore che fa girare il disco e... Tutto resta fermo lì!
Dove o cosa guardo?
Il lettore in modalità Test funziona anche se spesso devo premere più volte un tasto (track) per attivare il laser, poi da lì tutto regolare. Se esco dalla modalità Test non legge il disco: apre, chiude, abbassa il clamp, il laser si illumina e gli induttori agiscono ma non parte il motore che fa girare il disco e... Tutto resta fermo lì!
Dove o cosa guardo?
-

Luridbeatle
215 2 6 - Frequentatore

- Messaggi: 256
- Iscritto il: 19 ago 2018, 10:34
9 messaggi
• Pagina 1 di 1
Torna a Elettronica e spettacolo
Chi c’è in linea
Visitano il forum: Nessuno e 10 ospiti

Elettrotecnica e non solo (admin)
Un gatto tra gli elettroni (IsidoroKZ)
Esperienza e simulazioni (g.schgor)
Moleskine di un idraulico (RenzoDF)
Il Blog di ElectroYou (webmaster)
Idee microcontrollate (TardoFreak)
PICcoli grandi PICMicro (Paolino)
Il blog elettrico di carloc (carloc)
DirtEYblooog (dirtydeeds)
Di tutto... un po' (jordan20)
AK47 (lillo)
Esperienze elettroniche (marco438)
Telecomunicazioni musicali (clavicordo)
Automazione ed Elettronica (gustavo)
Direttive per la sicurezza (ErnestoCappelletti)
EYnfo dall'Alaska (mir)
Apriamo il quadro! (attilio)
H7-25 (asdf)
Passione Elettrica (massimob)
Elettroni a spasso (guidob)
Bloguerra (guerra)
