Aggiungo una osservazione. Nel campo dell'EMC e` sempre meglio evitare che nascano i disturbi piuttosto che doverli combattere dopo. '
In molti casi e` inevitabile dover ricorrere ai filtri, dato che il circuito, per come funziona, genera elevate quantita` di disturbi elettromagnetici. Ad esempio praticamente tutti i convertitori a commutazione sono di questa categoria. Il progetto di questi filtri e` abbastanza complicato, richiede conoscenze approfondite di matematica, elettromagnetismo e reti elettriche.
Invece in alcuni casi si possono eliminare i disturbi prima che nascano e il lavoro diventa molto piu` facile. Questo capita ad esempio nel caso prospettato di trasformatore e ponte di diodi alla frequenza di rete. In questo tipo di circuiti, come ti e` stato detto, i disturbi sono provocati dal recupero inverso dei diodi, e si puo` eliminare il rumore con un semplice snubber RC in parallelo a ogni diodo.
Il dimensionamento degli snubber richiede di misurare la frequenza originale del ringing quando il diodo si spegne e poi la frequenza che si ha con un condensatore in parallelo al diodo. Da questi due valori di frequenza e dal valore del condensatore si ricavano i valori dello snubber. Bisogna sapere il comportamento dei circuiti LC, come calcolarne la frequenza e l'impedenza caratteristica.
Filtro EMI per trasformatore toroidale
Moderatori:
carloc,
g.schgor,
BrunoValente,
IsidoroKZ
1
voti
Per usare proficuamente un simulatore, bisogna sapere molta più elettronica di lui
Plug it in - it works better!
Il 555 sta all'elettronica come Arduino all'informatica! (entrambi loro malgrado)
Se volete risposte rispondete a tutte le mie domande
Plug it in - it works better!
Il 555 sta all'elettronica come Arduino all'informatica! (entrambi loro malgrado)
Se volete risposte rispondete a tutte le mie domande
0
voti
Direttiva comunitria in merito alla EMC, DIRETTIVA 2014/30/UE, [url]link[/url]
Le norme, come le prove ed i limiti imposti, come detto precedentemente, devono essere comperate.
Il resto lo avevo gia specificato prima.
saluti.
Le norme, come le prove ed i limiti imposti, come detto precedentemente, devono essere comperate.
Il resto lo avevo gia specificato prima.
saluti.
-

lelerelele
4.899 3 7 9 - Master

- Messaggi: 5505
- Iscritto il: 8 giu 2011, 8:57
- Località: Reggio Emilia
0
voti
Per rilevare la presenza dei disturbi in modo empirico e relativo, propongo di posizionare una radiolina portatile a onde medie in prossimità del cavo di alimentazione dell'apparato sorgente dei disturbi. Magari per confronto provare vicino a un frullino o un trapano elettrico con o senza filtri antidisturbi.
Poi se i disturbi non si rilevano o non sono di fastidio, tanto meglio.
Poi se i disturbi non si rilevano o non sono di fastidio, tanto meglio.
0
voti
Attualmente mettiamo da parte il filtro EMI, male che vada ne prenderó uno giá fatto, se non riusciró a capirci nulla dai riferimenti che sono stati dati nei messaggi precedenti
Andando oltre, ed arrivando alla parte del filtro LC, qualcuno ha suggerimenti o riferimenti per avere una strada sul dimensionamento del filtro?
Andando oltre, ed arrivando alla parte del filtro LC, qualcuno ha suggerimenti o riferimenti per avere una strada sul dimensionamento del filtro?
0
voti
Quale filtro LC?
Scrivi le specifiche che vuoi ottenere e disegna con FidoCadJ lo schema che vuoi realizzare, con i valori dei componenti che hai gia` determinato, altrimenti non si capisce nulla.
Scrivi le specifiche che vuoi ottenere e disegna con FidoCadJ lo schema che vuoi realizzare, con i valori dei componenti che hai gia` determinato, altrimenti non si capisce nulla.
Per usare proficuamente un simulatore, bisogna sapere molta più elettronica di lui
Plug it in - it works better!
Il 555 sta all'elettronica come Arduino all'informatica! (entrambi loro malgrado)
Se volete risposte rispondete a tutte le mie domande
Plug it in - it works better!
Il 555 sta all'elettronica come Arduino all'informatica! (entrambi loro malgrado)
Se volete risposte rispondete a tutte le mie domande
0
voti
Interessa il filtro LC come filtro dei disturbi sulla rete
o come filtro della doppia sinusoide raddrizzata in uscita dal ponte di diodi?
Inizia a studiare il filtro capacitivo, che è più semplice.
Poi il filtro induttivo serie al carico
poi l'unione dei due il filtro LC con ingresso induttivo.
..Isidoro
mi ha preceduto.....
o come filtro della doppia sinusoide raddrizzata in uscita dal ponte di diodi?
Inizia a studiare il filtro capacitivo, che è più semplice.
Poi il filtro induttivo serie al carico
poi l'unione dei due il filtro LC con ingresso induttivo.
..Isidoro
0
voti
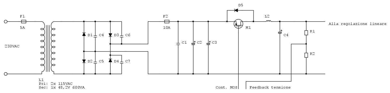
Dunque.. il filtro LC era previsto per livellare e regolare la tensione in modo grossolano, per poi mandarla allo stadio in lineare per la regolazione più precisa e la limitazione in corrente dell'alimentatore
Per l'alternata, pensavo ad un livellamento classico con condensatori
Ho iniziato a leggere un po' in giro sul filtro LC, e la prima cosa che ho letto è di dover avere una frequenza di risonanza nettamente lontana dalla frequenza di uscita dal raddrizzatore (quindi, 100Hz)
Ipotizzando di utilizzare un induttore da una decina di milliHenry (qualcosa ho già in casa), ed ipotizzando sempre di mettere un condensatore comunque generoso (non so, 470uF?), avrei che:
mentre 
Quindi:







Quindi, non andrebbe bene (se ho fatto bene i conti), giusto?
Se son giusti, con 1000uF avrei una frequenza di risonanza pari a 50Hz, andrebbe bene?
Per l'alternata, pensavo ad un livellamento classico con condensatori
Ho iniziato a leggere un po' in giro sul filtro LC, e la prima cosa che ho letto è di dover avere una frequenza di risonanza nettamente lontana dalla frequenza di uscita dal raddrizzatore (quindi, 100Hz)
Ipotizzando di utilizzare un induttore da una decina di milliHenry (qualcosa ho già in casa), ed ipotizzando sempre di mettere un condensatore comunque generoso (non so, 470uF?), avrei che:
mentre 
Quindi:







Quindi, non andrebbe bene (se ho fatto bene i conti), giusto?
Se son giusti, con 1000uF avrei una frequenza di risonanza pari a 50Hz, andrebbe bene?
0
voti
Buongiorno a tutti, ci ho pensato ora... La frequenza di 100Hz non ha alcuna importanza, visto che è la frequenza di switching del Pmos ad essere quella determinante..
Perciò, correggetemi se sbaglio, già una frequenza di 1kHz andrebbe bene, no?
Poi, più è alta e meno ripple si ha in uscita, giusto?
Quali parametri andrebbero controllati di un filtro LC, per capire se è adatto a lavorare nelle condizioni che ci sono nel circuito?
Perciò, correggetemi se sbaglio, già una frequenza di 1kHz andrebbe bene, no?
Poi, più è alta e meno ripple si ha in uscita, giusto?
Quali parametri andrebbero controllati di un filtro LC, per capire se è adatto a lavorare nelle condizioni che ci sono nel circuito?
0
voti
come valore può andare bene.utilizzare un induttore da una decina di milliHenry (qualcosa ho già in casa),
Quanto è grosso?
Che resistenza dell' avvolgimento?
Quanta corrente sopporta prima di saturare?

Chi c’è in linea
Visitano il forum: Nessuno e 66 ospiti

Elettrotecnica e non solo (admin)
Un gatto tra gli elettroni (IsidoroKZ)
Esperienza e simulazioni (g.schgor)
Moleskine di un idraulico (RenzoDF)
Il Blog di ElectroYou (webmaster)
Idee microcontrollate (TardoFreak)
PICcoli grandi PICMicro (Paolino)
Il blog elettrico di carloc (carloc)
DirtEYblooog (dirtydeeds)
Di tutto... un po' (jordan20)
AK47 (lillo)
Esperienze elettroniche (marco438)
Telecomunicazioni musicali (clavicordo)
Automazione ed Elettronica (gustavo)
Direttive per la sicurezza (ErnestoCappelletti)
EYnfo dall'Alaska (mir)
Apriamo il quadro! (attilio)
H7-25 (asdf)
Passione Elettrica (massimob)
Elettroni a spasso (guidob)
Bloguerra (guerra)





