marcobiondo ha scritto:Con il tuo circuito non avevo una tensione misurabile ( 0.08v) e quindi ho modificato il circuito come avevo pensato io all'inizio quindi cosi:
i risultati:
a motore a minimo luci spente ho circa 3,20V, a motore al massimo circa 4.80v
a motore a minimo a luci accese 2.24 V, a motore a massimo sempre circa 4.80v.
ottenendo questi valori sarei più propenso ad aumentare R1 in maniera da avere massimo 4.50v.
Intanto bravo
marcobiondo, sia per lo schema in FidocadJ che per le misure.
Scusate ma temo di esermi un po' perso, direi che queste misure si riferiscono al generatore luci e utenze varie.
Se così, sembrerebbe un impiato a 6 volt o sbaglio?
marcobiondo ha scritto:Non ho sbalzi di tensione grazie al regolatore di tensione.
Non ti illudere di avere una bella sinusoide, stai facendo delle misure con il multimetro e hai il condensatore da 220 uF che smorza.
marcobiondo ha scritto:lelerelele ha scritto:perché continui a mettere un diodo in serie d un condensatore, non trasferirà altro che il gradino alla prima onda, poi non ti darà più nulla!
allora il diodo lo mettevo in maniera da avere una sinusoide solo positiva, è sbagliato il mio ragionamento?
Credo che [user]lelerele[/user] non si riferisse tanto al diodo quanto al condensatore in serie.
Capito i perché della mia domanda in
[34]....
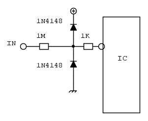
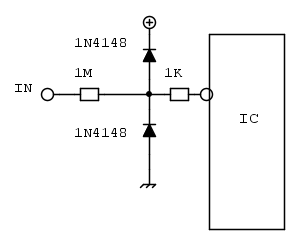
lucaking ha scritto:Quale funzione ha C1?
marcobiondo ha scritto:Ho capito che innanzitutto mi occorre un convertitore frequenza tensione da collegare all pick up oppure bobina e qui ho 2 alternative:
ho visto dei circuiti che sfruttano lm2917 e altri che sfruttano lm331 per poi comandare i led driver che in base alla tensione accendono il led. seguendo uno di questi 2 circuiti potrei a questo punto utilizzare anche io il led e l'uscita del convertitore frequenza tensione collegarla ad arduino in maniera da visualizzarei giri sia tramite display con arduino sia tramite il led quindi attraverso il led driver.
Ok, queste sono strade che non prevedono l' uso di un micro, ma visto che tu intendi usare arduino, non serve il convertitore frequenza/tensione, puoi determinare la frequenza direttamente con il micro, e a sto punto, anche se vuoi i led, non ti serve nemmeno il led driver, puoi fare tutto con arduino.
Per la parte software, sempre riguardo le domande in
[34], a cui per altro non hai ancora risposto....

Ci riprovo:
lucaking ha scritto:Come pensi di "contare gli impulsi positivi" in ingresso sul pin analogico?
Oppure, perché vuoi usare un pin "analogico"?
Non voglio romperti le scatole, vorrei solo capire che strada avevi in mente, boh... forse
stefanopc ci ha azzeccato.
"Interrogarti" su come hai pensato di scrivere il firmware, serve anche a sondare le tue conoscenze riguardo la programmazione dei micro per poterti consigliare sensatamente.
Premesso che non so se sia la strada migliore, e anche qui, gradirei il parere dei piu esperti:
sapresti calcolare il periodo tra due fronti di salita (o discesa che siano) usando un interrupt esterno disponibili su arduino?
A proposito, che arduino pensi di usare?
La dura realtà, è che la vita è un inculata e nulla è mai semplice come può sembrare.....
"Sad but true...."
