Gestione di circuiti complessi
Moderatori:
g.schgor,
IsidoroKZ
19 messaggi
• Pagina 2 di 2 • 1, 2
0
voti
Mah, io ricordo tanti e tanti schemi d analizzare (ed estrarne appunto i pattern comuni) ai tempi della scuola, e poi tante e tante ore all'oscilloscopio a provare tutte le configurazioni (e scoprire la verità del mondo reale pieno di disturbi, dissipazioni e non linearità che nessun simulatore o libro potrà mai mostrare). Quindi fondamentalmente tanta pratica (ci vuole anche un'indole personale curiosa rivolta alla sperimentazione e tanto tempo da dedicarci).
Una domanda ben posta è già mezza risposta.
0
voti
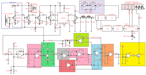
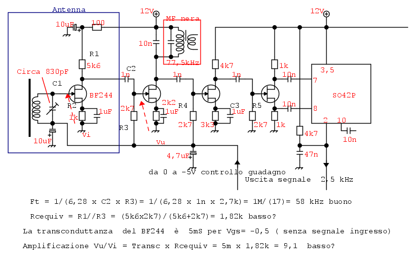
Se ben ricordo, per il seguente progetto del 2003 tuttora funzionante qua accanto, non ho calcolato neanche una corrente...funziona da diciannove anni...
Non ci credo.
Come hai determinato la R 5k6 sul drain del BF244 del primo stadio ?
E la R 1k fra source e massa?
Come hai dimensionato i 2k7 della R sul gate del secondo stadio?
Quale è il guadagno massimo del primo stadio?
Con 820 pF quante spire hai dovuto avvolgere sulla asticciola di ferrocube ?
0
voti
A scuola iniziavamo il progetto con lo schema a blocchi avvisati in tempo che aol momento di farli andare "d'accordo" avremmo avuto difficoltà, ed eravamo anche consci che lavorare in alta frequenza era facile motivo di delusione.
Ora provo a fare lo schema ablocchi dello schema proposto.
Ora provo a fare lo schema ablocchi dello schema proposto.
0
voti
Nella realtà si comincia con lo schema a blocchi, tanti rettangoli con dentro il nome del circuito e le frecce che uniscono i blocchi, se un blocco è un oscillatore pilotato a 120 kHz sceglierò la soluzione circuitale più adatta.
Quello che allego è solo un abbozzo di schema a blocchi per srudenti: dato un circuito ricavarsi lo schema a blocchi. Ho iniziato solo per concludere il discorso del post precedente ma per mettere il nome del circuito dentro il blocco devo prima ripassarmi gli operazionali, non li mastico tutto i giorni..
Concludo sperando di aver detto scemenze limitate:
Un circuito complesso non è altro che un insieme di circuiti fondamentali, un multivibratore astabile è un circuito fondamentale, un oscillatore a rilassamento, un amplificatore a TR, lo stadio pilota di un relè... però spesso e volentieri ci sono soluzioni circuitali che lasciano perplessi.
Ad occhio lo schema proposto, che è un circuito complesso, fatto da tanti circuiti fondamentali a OPAM (la maggior parte)
Quello che allego è solo un abbozzo di schema a blocchi per srudenti: dato un circuito ricavarsi lo schema a blocchi. Ho iniziato solo per concludere il discorso del post precedente ma per mettere il nome del circuito dentro il blocco devo prima ripassarmi gli operazionali, non li mastico tutto i giorni..
Concludo sperando di aver detto scemenze limitate:
Un circuito complesso non è altro che un insieme di circuiti fondamentali, un multivibratore astabile è un circuito fondamentale, un oscillatore a rilassamento, un amplificatore a TR, lo stadio pilota di un relè... però spesso e volentieri ci sono soluzioni circuitali che lasciano perplessi.
Ad occhio lo schema proposto, che è un circuito complesso, fatto da tanti circuiti fondamentali a OPAM (la maggior parte)
0
voti
MarcoD ha scritto:Non ci credo
Eppure è un circuito nato quasi del tutto empiricamente, collega, misura, aggiusta i valori per ottenere le tensioni desiderate. Mi ero calcolato giusto un po' di frequenze di taglio (tra l'altro adesso riguardando lo schema non ricordo più da dove avevo preso i passa banda selettivi né la formula per la loro frequenza di risonanza). Le spire sono 300, ma anche qui non ricordo dove avevano suggerito questo valore, poi ho sollecitato il tutto con un generatore segnali trovando la capacità di accordo corretta. La parte più esotica è l'amplificatore selettivo a retroazione positiva da regolare appena sotto la soglia di innesco. Il variatore di fase regolabile, assieme al successivo passa basso RC, permette di impostare la singola frequenza che lungo l'anello si sfasa esattamente di 180 gradi.
Theodoro ha scritto:fatto da tanti circuiti fondamentali
Esattamente. Lo schema a blocchi generale lo disegnerei così:
Una domanda ben posta è già mezza risposta.
0
voti
Comunque assolutamente è necessario conoscere ogni tensione ed ogni corrente, almeno la rms e la picco. Ora non vuol dire che tutti debbano conoscere tutto, ma ovviamente dipende cosa e dove si progetta, ma sia che sia su integrato, sia che non sia integrato e si va a realizzare un PCB come dimensioni le piste? Come fai a sapere che stai rispettando le regole di layout per la tua tecnologia?
Tra elettromigrazione e compagnia bella non ci si può permettere di fare alla viva il parroco e poi un conto è un prototipo, un conto è un progetto industriale dove un errore di quel tipo costa milioni di euro.
Tra elettromigrazione e compagnia bella non ci si può permettere di fare alla viva il parroco e poi un conto è un prototipo, un conto è un progetto industriale dove un errore di quel tipo costa milioni di euro.
0
voti
Esattamente. Lo schema a blocchi generale lo disegnerei così:
Questo è il secondo passo quando le idee si cominciano a schiarire, arrivati a questo quello precedente (a blocchi generici) diventa inutile, se il circuito è ancora un po' più complesso il tuo schema a blocchi aiuta molto un riparatore.
1
voti
Mi sono divertito ad analizzare parte dello schema elettrico
19 messaggi
• Pagina 2 di 2 • 1, 2
Torna a Elettrotecnica generale
Chi c’è in linea
Visitano il forum: Nessuno e 36 ospiti

Elettrotecnica e non solo (admin)
Un gatto tra gli elettroni (IsidoroKZ)
Esperienza e simulazioni (g.schgor)
Moleskine di un idraulico (RenzoDF)
Il Blog di ElectroYou (webmaster)
Idee microcontrollate (TardoFreak)
PICcoli grandi PICMicro (Paolino)
Il blog elettrico di carloc (carloc)
DirtEYblooog (dirtydeeds)
Di tutto... un po' (jordan20)
AK47 (lillo)
Esperienze elettroniche (marco438)
Telecomunicazioni musicali (clavicordo)
Automazione ed Elettronica (gustavo)
Direttive per la sicurezza (ErnestoCappelletti)
EYnfo dall'Alaska (mir)
Apriamo il quadro! (attilio)
H7-25 (asdf)
Passione Elettrica (massimob)
Elettroni a spasso (guidob)
Bloguerra (guerra)







