Come da titolo, vorrei mettere un limitatore di tensione su un millivoltmetro in alternata con strumento analogico.
In selezione ho i seguenti fondo scala : 100mv -1v - 10v -100v.
Se per sbaglio la v c.a. in ingresso è di 100v e il fondo scala selezionato è di 100mv , lo strumento è
sicuramente danneggiato. Ho pensato diverse soluzioni , ma non applicabili correttamente.
Qualche suggerimento, Grazie.
Poi ne discutiamo.
eros
Limitatore di sovra tensione per millivoltmetro in c.a.
23 messaggi
• Pagina 1 di 3 • 1, 2, 3
0
voti
Informazioni insufficienti.
Cosa è un millivoltmetro in alternata con strumento analogico?
Esiste uno stadio di amplificazione?
Strumento a bobina mobile con raddrizzatore, o strumento a ferro mobile?
Cosa è un millivoltmetro in alternata con strumento analogico?
Esiste uno stadio di amplificazione?
Strumento a bobina mobile con raddrizzatore, o strumento a ferro mobile?
0
voti
Per misurare i millivolt in alternata, i vari tester digitali che ho non arrivano a risoluzioni di 100 mv fondo scala in modo decente. Per cui l'ho costruito in modo analogico con le portate da 100mv F.S 1v F.S. 10v F.S. e 100v F.S.
La selezione del fondo scala a commutazione è fatto con una serie di resistenze in modo da avere 100mv su tutte le scale al variare della tensione d'ingresso.
Funziona alla grande e la lettura è lineare su tutta la scala scelta.
L'unico problema è l'errore umano di selezione scala che se si sbaglia danneggia il primo componente della parte elettronica che è un Fet.
Tutto quello che viene dopo il Fet . per ora non interessa.
Il mio problema è salvaguardare questo all'errore di selezione scala.
Se non sono stato chiaro, ci riprovo.
eros
La selezione del fondo scala a commutazione è fatto con una serie di resistenze in modo da avere 100mv su tutte le scale al variare della tensione d'ingresso.
Funziona alla grande e la lettura è lineare su tutta la scala scelta.
L'unico problema è l'errore umano di selezione scala che se si sbaglia danneggia il primo componente della parte elettronica che è un Fet.
Tutto quello che viene dopo il Fet . per ora non interessa.
Il mio problema è salvaguardare questo all'errore di selezione scala.
Se non sono stato chiaro, ci riprovo.
eros
0
voti
Non mi è chiaro se è un millivoltmetro anche per DC, o solo per AC e se misura il vero valore efficace o il valore medio della raddrizzata. Ma come hai scritto sono tutti problemi dopo il FET. E quale è la precisione della lettura.
Rispondendo in modo superficiale, suggerirei due diodi al silicio in antiparallelo fra gate e riferimento segnale tipo 1N4148 ?. Con magari in serie al gate un resistore da supponiamo 1 kohm
Dirai che la corrente di perdita è comparabile con la resistenza di ingresso e perturba la linearità della misura.
Oppure che supponendo una corrente max nei diodi di 100 mA : 100mA x 1kohm = 100 V
100 V * 100 mA = 10 watt nella resistenza da 1 kohm , un poco tanto se continuativi.
Mettere in serie un fusibile da 100 mA ?
In effetti la soluzione migliore è da discutere.
Rispondendo in modo superficiale, suggerirei due diodi al silicio in antiparallelo fra gate e riferimento segnale tipo 1N4148 ?. Con magari in serie al gate un resistore da supponiamo 1 kohm
Dirai che la corrente di perdita è comparabile con la resistenza di ingresso e perturba la linearità della misura.
Oppure che supponendo una corrente max nei diodi di 100 mA : 100mA x 1kohm = 100 V
100 V * 100 mA = 10 watt nella resistenza da 1 kohm , un poco tanto se continuativi.
Mettere in serie un fusibile da 100 mA ?
In effetti la soluzione migliore è da discutere.
0
voti
Grazie Marco per il tuo tempo che mi metti a disposizione.
Lo strumento e solo in a.c. e il raddrizzatore è a semionda con un integrato.
Lo strumento è di ottima precisione che non vorrei modificare la parte elettronica.
Riguardo ai due diodi controfase sullo strumento non è possibile montarli perché modifica la funzione dell'integrato.
Come diceva il mio ex datore di lavoro : ricordatevi che trovata una soluzione, ne esistono altre 100.
Nell'attesa della Tua risposta , mi è venuta questa soluzione tutta da provare .
Visto che le tensioni di fondo scala sono di 100mv su tutte se l'imgrsso è esatto : 100mmv 1v 10v 100v , prelevo dal centrale del commutatore la tensione e tramite diodo + capacità la rendo in continua. Se per errore la tensione è maggiore, es 120mv, taro la soglia di scatto di un transistor che mi eccita un relè. Il contatto è in serie e quindi quando apre taglia la tensione che arriva al FET. Sarà opportuno zenerare la continua dopo il condensatore di livellamento per non causare danni al transistor, 142v sono troppi.
Cosa ne dici? Può andare?
Lo strumento e solo in a.c. e il raddrizzatore è a semionda con un integrato.
Lo strumento è di ottima precisione che non vorrei modificare la parte elettronica.
Riguardo ai due diodi controfase sullo strumento non è possibile montarli perché modifica la funzione dell'integrato.
Come diceva il mio ex datore di lavoro : ricordatevi che trovata una soluzione, ne esistono altre 100.
Nell'attesa della Tua risposta , mi è venuta questa soluzione tutta da provare .
Visto che le tensioni di fondo scala sono di 100mv su tutte se l'imgrsso è esatto : 100mmv 1v 10v 100v , prelevo dal centrale del commutatore la tensione e tramite diodo + capacità la rendo in continua. Se per errore la tensione è maggiore, es 120mv, taro la soglia di scatto di un transistor che mi eccita un relè. Il contatto è in serie e quindi quando apre taglia la tensione che arriva al FET. Sarà opportuno zenerare la continua dopo il condensatore di livellamento per non causare danni al transistor, 142v sono troppi.
Cosa ne dici? Può andare?
0
voti
Aspetta ... senza lo schema e' dura da indovinare (come dice un amico mio, non so rispondere correttamente perche' ho le pile della sfera di cristallo scariche
), pero' dato che dici che il partitore e' impostato per darti 100mV per ogni corretto fondoscala, un paio di diodi in antiparallelo in quel punto non dovrebbero crearti alcun problema, avendo una soglia di conduzione molto piu alta ... perfino due diodi al germanio dovrebbero andare bene, ovviamente con una R in serie abbastanza alta prima di essi, che non dovrebbe influire, se hai usato un fet in ingresso.
Ma se alleghi lo schema, forse possiamo dirti qualcosa di piu utile.
Ma se alleghi lo schema, forse possiamo dirti qualcosa di piu utile.
"Sopravvivere" e' attualmente l'unico lusso che la maggior parte dei Cittadini italiani,
sia pure a costo di enormi sacrifici, riesce ancora a permettersi.
sia pure a costo di enormi sacrifici, riesce ancora a permettersi.
-

Etemenanki
9.517 3 6 10 - Master

- Messaggi: 5940
- Iscritto il: 2 apr 2021, 23:42
- Località: Dalle parti di un grande lago ... :)
0
voti
Come schema il forum prende immagini Jpg o altro?
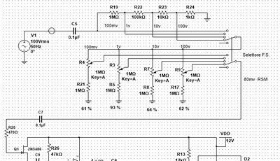
Si ma sono poi 4 resistenze in serie da 1M 100k 10k 1k , queta va a massa
Sul mega è inserito l'ingresso.
Se l'ingresso è 100mv dal mega va direttamente al commutatore per la lettura dei 100mv f.s.
se l'ingresso è 1v , 10v o 100 volt i 100mv li prelevo dalle resistenze a scendere.
Overo con 100v in ingresso sulla 1k ho 100mv . E'' il comunissimo partitore dei tester.
Mi dicevi dei due diodi in controfase e una resistenza messo sul centrale del commutatore che manda la tensione al Fet. Ok quando la tensione è di 100mv in a.c. non fanno nulla, ma quando aumenta per errore di selezione a 10 o 100v RMS cosa succede? Ho dei dubbi anche sul tempo di intervento.
La soluzione di interrompere con un contatto di un relè il filo che va al Fet tramite circuitino comparatore tarabile non ti piace. Sino a che la tensione d'ingresso è superiore al fondo scala il relè resta attirato e annulla la lettura , come scende la tensione con la selezione giusta il relè si diseccita restituendo la lettura.
Si ma sono poi 4 resistenze in serie da 1M 100k 10k 1k , queta va a massa
Sul mega è inserito l'ingresso.
Se l'ingresso è 100mv dal mega va direttamente al commutatore per la lettura dei 100mv f.s.
se l'ingresso è 1v , 10v o 100 volt i 100mv li prelevo dalle resistenze a scendere.
Overo con 100v in ingresso sulla 1k ho 100mv . E'' il comunissimo partitore dei tester.
Mi dicevi dei due diodi in controfase e una resistenza messo sul centrale del commutatore che manda la tensione al Fet. Ok quando la tensione è di 100mv in a.c. non fanno nulla, ma quando aumenta per errore di selezione a 10 o 100v RMS cosa succede? Ho dei dubbi anche sul tempo di intervento.
La soluzione di interrompere con un contatto di un relè il filo che va al Fet tramite circuitino comparatore tarabile non ti piace. Sino a che la tensione d'ingresso è superiore al fondo scala il relè resta attirato e annulla la lettura , come scende la tensione con la selezione giusta il relè si diseccita restituendo la lettura.
0
voti
Si, JPG vanno bene.
Mi sembra un'impedenzadi ingresso totale molto bassa, per essere un circuito con un fet in ingresso, di solito viaggiano su impedenze molto piu alte.
eros ha scritto:... Si ma sono poi 4 resistenze in serie da 1M 100k 10k 1k , queta va a massa ...
Mi sembra un'impedenzadi ingresso totale molto bassa, per essere un circuito con un fet in ingresso, di solito viaggiano su impedenze molto piu alte.
"Sopravvivere" e' attualmente l'unico lusso che la maggior parte dei Cittadini italiani,
sia pure a costo di enormi sacrifici, riesce ancora a permettersi.
sia pure a costo di enormi sacrifici, riesce ancora a permettersi.
-

Etemenanki
9.517 3 6 10 - Master

- Messaggi: 5940
- Iscritto il: 2 apr 2021, 23:42
- Località: Dalle parti di un grande lago ... :)
0
voti
Per l'impedenza l'ho risolta così.
- Allegati
-
- Selettore.jpg (37.58 KiB) Osservato 11130 volte
0
voti
In vari strumenti venivano usati dei JFET connessi a diodo per proteggere gli ingressi. Prova a cercare lo schema di vecchi multimetri, magari trovi lo spunto giusto
23 messaggi
• Pagina 1 di 3 • 1, 2, 3
Chi c’è in linea
Visitano il forum: Nessuno e 29 ospiti

Elettrotecnica e non solo (admin)
Un gatto tra gli elettroni (IsidoroKZ)
Esperienza e simulazioni (g.schgor)
Moleskine di un idraulico (RenzoDF)
Il Blog di ElectroYou (webmaster)
Idee microcontrollate (TardoFreak)
PICcoli grandi PICMicro (Paolino)
Il blog elettrico di carloc (carloc)
DirtEYblooog (dirtydeeds)
Di tutto... un po' (jordan20)
AK47 (lillo)
Esperienze elettroniche (marco438)
Telecomunicazioni musicali (clavicordo)
Automazione ed Elettronica (gustavo)
Direttive per la sicurezza (ErnestoCappelletti)
EYnfo dall'Alaska (mir)
Apriamo il quadro! (attilio)
H7-25 (asdf)
Passione Elettrica (massimob)
Elettroni a spasso (guidob)
Bloguerra (guerra)



