Ti ringrazio edgard, è proprio quello che sto facendo, ma per ora non trovo schemi con le caratteristiche che mi servono.
Posso anche lasciarlo così e mettere una scritta di attenzione d'uso.
Se il discorso finisce qui, ringrazio i partecipanti alla discussione.
saluti
eros
Limitatore di sovra tensione per millivoltmetro in c.a.
23 messaggi
• Pagina 2 di 3 • 1, 2, 3
1
voti
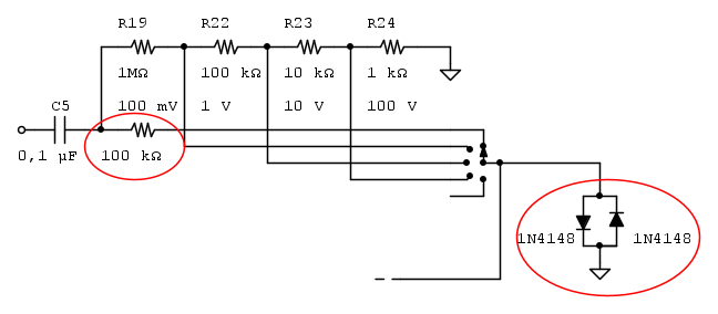
L'impedenza vista dal primo commutatore varia tra 0 Ω e circa 100 kΩ a seconda della portata.
Se funziona bene in tutto questo intervallo, ti consiglierei di inserire una resistenza da 100 kΩ sulla portata dei 100 mV, cioè sul filo che va dal commutatore verso il condensatore C5.
Questa resistenza ti serve per limitare la corrente di ingresso sulla portata dei 100 mV. Sulle altre portate è già limitata dal partitore d'ingresso.
Dovrai ritarare la portata dei 100 mV.
Dopodiché inserisci due diodi al silicio (1N4148 per esempio) in antiparallelo tra il centrale del primo commutatore e la massa, e hai limitato la tensione a un massimo di 700 mV. Per sapere se è abbastanza limitata bisognerebbe conoscere il resto del circuito.
Volendo limitarla di più, al posto dei diodi al silicio potresti inserire due diodi Schottky (BAT46 per esempio, e la limiteresti a 250 mV). Non sono però sicuro che vicino al fondo scala non ti introducano qualche distorsione, specialmente se fa caldo (30 gradi o più).
Un contatto di relé è troppo lento per proteggere dispositivi elettronici.
Se funziona bene in tutto questo intervallo, ti consiglierei di inserire una resistenza da 100 kΩ sulla portata dei 100 mV, cioè sul filo che va dal commutatore verso il condensatore C5.
Questa resistenza ti serve per limitare la corrente di ingresso sulla portata dei 100 mV. Sulle altre portate è già limitata dal partitore d'ingresso.
Dovrai ritarare la portata dei 100 mV.
Dopodiché inserisci due diodi al silicio (1N4148 per esempio) in antiparallelo tra il centrale del primo commutatore e la massa, e hai limitato la tensione a un massimo di 700 mV. Per sapere se è abbastanza limitata bisognerebbe conoscere il resto del circuito.
Volendo limitarla di più, al posto dei diodi al silicio potresti inserire due diodi Schottky (BAT46 per esempio, e la limiteresti a 250 mV). Non sono però sicuro che vicino al fondo scala non ti introducano qualche distorsione, specialmente se fa caldo (30 gradi o più).
Un contatto di relé è troppo lento per proteggere dispositivi elettronici.
Big fan of ⋮ƎlectroYou! Ausili per disabili e anziani su ⋮ƎlectroYou
Caratteri utili: À È É Ì Ò Ó Ù α β γ δ ε η θ λ μ π ρ σ τ φ ω Ω º ª ² ³ √ ∛ ∜ ₀ ₁ ₂ ₃ ₄ ₅ ₆ ∃ ∄ ∆ ∈ ∉ ± ∓ ∾ ≃ ≈ ≠ ≤ ≥
Caratteri utili: À È É Ì Ò Ó Ù α β γ δ ε η θ λ μ π ρ σ τ φ ω Ω º ª ² ³ √ ∛ ∜ ₀ ₁ ₂ ₃ ₄ ₅ ₆ ∃ ∄ ∆ ∈ ∉ ± ∓ ∾ ≃ ≈ ≠ ≤ ≥
0
voti
Ma hai fatto lo schema in fidocad e poi fatto un'immagine ? ... non facevi prima a postare direttamente lo schema fidocad ?
Comunque, per quale gamma di frequenza ti serve il millivoltmetro ?
Ma dato che usa un fet come pre, non farebbe prima a sostituire la R da 470 ohm con una da 100k o simile e mettere i diodi dopo quella ? ... con l'impedenza tipica che hanno i fet usati in quel modo, 100k dovrebbero risultare quasi ininfluenti (se ovviamente non c'e' qualcos'altro che interferisce nella parte di schema che non si vede).
Comunque, per quale gamma di frequenza ti serve il millivoltmetro ?
GuidoB ha scritto:... inserire una resistenza da 100 kΩ sulla portata dei 100 mV, cioè sul filo che va dal commutatore verso il condensatore C5. ...
Ma dato che usa un fet come pre, non farebbe prima a sostituire la R da 470 ohm con una da 100k o simile e mettere i diodi dopo quella ? ... con l'impedenza tipica che hanno i fet usati in quel modo, 100k dovrebbero risultare quasi ininfluenti (se ovviamente non c'e' qualcos'altro che interferisce nella parte di schema che non si vede).
"Sopravvivere" e' attualmente l'unico lusso che la maggior parte dei Cittadini italiani,
sia pure a costo di enormi sacrifici, riesce ancora a permettersi.
sia pure a costo di enormi sacrifici, riesce ancora a permettersi.
-

Etemenanki
9.517 3 6 10 - Master

- Messaggi: 5940
- Iscritto il: 2 apr 2021, 23:42
- Località: Dalle parti di un grande lago ... :)
0
voti
Etemenanki ha scritto:Ma dato che usa un fet come pre, non farebbe prima a sostituire la R da 470 ohm con una da 100k o simile e mettere i diodi dopo quella ?
Sì, può anche fare così, ma se i diodi hanno una minima corrente di perdita è meglio metterli prima, sul primo commutatore, dove l'impedenza è più bassa.
Il secondo commutatore coi trimmer di taratura aggiunge altre resistenze in serie.
Big fan of ⋮ƎlectroYou! Ausili per disabili e anziani su ⋮ƎlectroYou
Caratteri utili: À È É Ì Ò Ó Ù α β γ δ ε η θ λ μ π ρ σ τ φ ω Ω º ª ² ³ √ ∛ ∜ ₀ ₁ ₂ ₃ ₄ ₅ ₆ ∃ ∄ ∆ ∈ ∉ ± ∓ ∾ ≃ ≈ ≠ ≤ ≥
Caratteri utili: À È É Ì Ò Ó Ù α β γ δ ε η θ λ μ π ρ σ τ φ ω Ω º ª ² ³ √ ∛ ∜ ₀ ₁ ₂ ₃ ₄ ₅ ₆ ∃ ∄ ∆ ∈ ∉ ± ∓ ∾ ≃ ≈ ≠ ≤ ≥
0
voti
Ma, se vedo bene, C5 e' il condensatore di ingresso ... se metti i diodi li, non ti tagliano qualsiasi tensione piu alta della loro VF ?
Voglio dire che ti limiterebbero ad usare solo la portata 100mV ... oppure che non ho capito io dove vorresti mettere i diodi
Voglio dire che ti limiterebbero ad usare solo la portata 100mV ... oppure che non ho capito io dove vorresti mettere i diodi
"Sopravvivere" e' attualmente l'unico lusso che la maggior parte dei Cittadini italiani,
sia pure a costo di enormi sacrifici, riesce ancora a permettersi.
sia pure a costo di enormi sacrifici, riesce ancora a permettersi.
-

Etemenanki
9.517 3 6 10 - Master

- Messaggi: 5940
- Iscritto il: 2 apr 2021, 23:42
- Località: Dalle parti di un grande lago ... :)
0
voti
Big fan of ⋮ƎlectroYou! Ausili per disabili e anziani su ⋮ƎlectroYou
Caratteri utili: À È É Ì Ò Ó Ù α β γ δ ε η θ λ μ π ρ σ τ φ ω Ω º ª ² ³ √ ∛ ∜ ₀ ₁ ₂ ₃ ₄ ₅ ₆ ∃ ∄ ∆ ∈ ∉ ± ∓ ∾ ≃ ≈ ≠ ≤ ≥
Caratteri utili: À È É Ì Ò Ó Ù α β γ δ ε η θ λ μ π ρ σ τ φ ω Ω º ª ² ³ √ ∛ ∜ ₀ ₁ ₂ ₃ ₄ ₅ ₆ ∃ ∄ ∆ ∈ ∉ ± ∓ ∾ ≃ ≈ ≠ ≤ ≥
1
voti
eros ha scritto:per ora non trovo schemi con le caratteristiche che mi servono
Qui c'è una nota applicativa http://www.ti.com/lit/an/sboa058/sboa058.pdf
0
voti
Per GuidoB , La resistenza da 100k dopo il condesatore d'ingresso mi fa cadere da 100mv a 77.3mv. è un po troppo dato che ho fissato le altre a 80mv. non è che non posso, ma lavorare con tensioni basse entrano i disturbi in modo maggiore. Mentre per la resistenza sul Fet da 470 Ohm la posso portare sino a 4.7MOhm che non cambia l'amplificazione sull' operazionale che segue. Riguardo ai diodi, li vedo più giusti prima del Fet, ma dovrei provarli in pratica. In quanto allo strumento anche mettendo i diodi la botta la prende ugualmente.
Per Etemenanki. no, lo shema è fatto con NI Multisim. e la frequenza è quella i retem 59Hz.
Con il relè si riesce a tarare per la tensione massima d'imgresso in caso di errore a 125/130 mv.
Ma GuidoB dice che c''è troppo ritardo all'intervento.
sentiamo di nuovo il vostro parere.
Per Etemenanki. no, lo shema è fatto con NI Multisim. e la frequenza è quella i retem 59Hz.
Con il relè si riesce a tarare per la tensione massima d'imgresso in caso di errore a 125/130 mv.
Ma GuidoB dice che c''è troppo ritardo all'intervento.
sentiamo di nuovo il vostro parere.
1
voti
Dato che lo strumento ha una sua alimentazione, usare un comparatore con un mosfet (di certo piu veloce del rele'
) che chiuda brutalmente a massa l'ingresso del fet ? (magari sostituendo la 470 con 470k, per non friggere neppure il mosfet) ... se si fa un circuito latch, con un pulsante di reset, si puo anche aggiungere un bel cicalino (o cicalone da infarto
) per avvisare dell'errore.
"Sopravvivere" e' attualmente l'unico lusso che la maggior parte dei Cittadini italiani,
sia pure a costo di enormi sacrifici, riesce ancora a permettersi.
sia pure a costo di enormi sacrifici, riesce ancora a permettersi.
-

Etemenanki
9.517 3 6 10 - Master

- Messaggi: 5940
- Iscritto il: 2 apr 2021, 23:42
- Località: Dalle parti di un grande lago ... :)
0
voti
Si, l'idea di usare un Fet o Mosfet per inibire il segnale in esubero mi sembra la migliore,
In questo caso l'errore di selezione che puo essere il 100vma anche il 10 o 1v , puo essere la souzione piu dei diodi che lasciano pur sempre il suo residuo di tensione.
Sviluppando l'idea, forse è meglio un SCR visto che rimane in memoria, ma ripristinabile.
Il fatto che in base al FEt posso mettere tranquillamente ance 4.7 MOhm , il cortocircuitare a massa non dovtrebbe succedere guai alla tensione da misurare
A quanto pre la mattina porta consigli.
Ora vado a spulciare il libretto dei niei schemi con SCR.
Devo provare.
grazie
In questo caso l'errore di selezione che puo essere il 100vma anche il 10 o 1v , puo essere la souzione piu dei diodi che lasciano pur sempre il suo residuo di tensione.
Sviluppando l'idea, forse è meglio un SCR visto che rimane in memoria, ma ripristinabile.
Il fatto che in base al FEt posso mettere tranquillamente ance 4.7 MOhm , il cortocircuitare a massa non dovtrebbe succedere guai alla tensione da misurare
A quanto pre la mattina porta consigli.
Ora vado a spulciare il libretto dei niei schemi con SCR.
Devo provare.
grazie
23 messaggi
• Pagina 2 di 3 • 1, 2, 3
Chi c’è in linea
Visitano il forum: Nessuno e 28 ospiti

Elettrotecnica e non solo (admin)
Un gatto tra gli elettroni (IsidoroKZ)
Esperienza e simulazioni (g.schgor)
Moleskine di un idraulico (RenzoDF)
Il Blog di ElectroYou (webmaster)
Idee microcontrollate (TardoFreak)
PICcoli grandi PICMicro (Paolino)
Il blog elettrico di carloc (carloc)
DirtEYblooog (dirtydeeds)
Di tutto... un po' (jordan20)
AK47 (lillo)
Esperienze elettroniche (marco438)
Telecomunicazioni musicali (clavicordo)
Automazione ed Elettronica (gustavo)
Direttive per la sicurezza (ErnestoCappelletti)
EYnfo dall'Alaska (mir)
Apriamo il quadro! (attilio)
H7-25 (asdf)
Passione Elettrica (massimob)
Elettroni a spasso (guidob)
Bloguerra (guerra)




