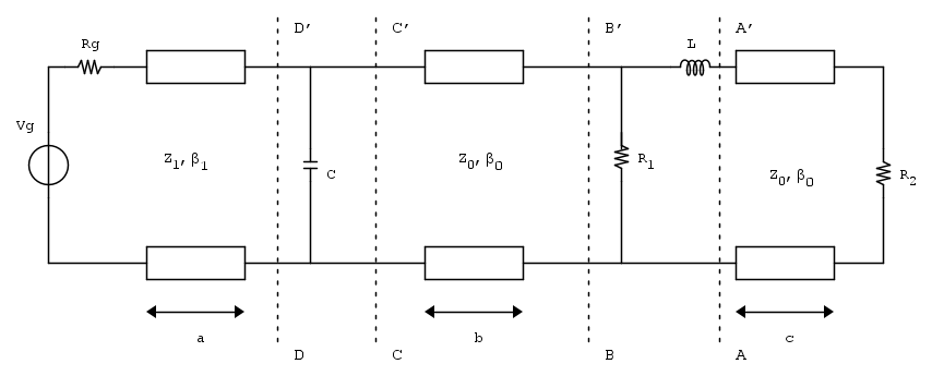
Salve a tutti, premetto che non sapevo in quale format postare questo tipo di esercizi, vi chiedo una mano per calcolare il modulo massimo della tensione V sul tratto di lunghezza c, del seguente:
I dati sono : Vg=10V , Rg=Z_0=50Ohm, f=3GHz, B_1=2B_0, a=c=2,3cm, b=8,91mm, B_0=w/c, R_1= 200Ohm, R_2=12,5 Ohm
L'unica cosa che sono riuscito a ricavare è che essendo Il coefficiente di riflessione sulla resistenza R2 minore di zero, allora il massimo è all'inizio del tratto, cioè su AA'. Quindi dovrei calcolare la potenza attiva su AA', ma non riesco a capire come si faccia. Grazie a tutti anticipatamente.
Esercizio su linee di trasmissione
Moderatori:
carloc,
g.schgor,
BrunoValente,
IsidoroKZ
7 messaggi
• Pagina 1 di 1
0
voti
Ci sono delle formule che danno R e X a inizio linea in funzione di Z0 e angolo beta linea
e della Zc = Rc + JXc del carico a valle linea, ma non so rintracciarle.
Poi con i valori a inizio linea fai serie e parallelo con i vari componenti.
Poi calcolato la tensione a inizio linea fai il partitore, calcoli la tensione/corrente,
e applicando altre formule calcoli la tensione a fine linea.
E' un procedimento lungo e faticoso...
Nel tuo post non si visualizzano i valori numerici.

e della Zc = Rc + JXc del carico a valle linea, ma non so rintracciarle.
Poi con i valori a inizio linea fai serie e parallelo con i vari componenti.
Poi calcolato la tensione a inizio linea fai il partitore, calcoli la tensione/corrente,
e applicando altre formule calcoli la tensione a fine linea.
E' un procedimento lungo e faticoso...
Nel tuo post non si visualizzano i valori numerici.

0
voti
Ciao Marco, si lo so, il fatto è che PAA'=1/2Re[ZAA']*|IAA'|^2 non so come calcolarla.
Non mi ricordo bene, ma
se A (P apparente) = Z * I^2; IAA può essere in modulo, ZAA = RAA + JXAA,
da dove compare il " 1/2" ?? la IAA non è in valore efficace, ma in valore massimo?
Quindi Pa = 1/2 RAA x |IAA|^2
Forse è giusto
0
voti
Io calcolerei l'equivalente Thevenin guardando verso sinistra dalla sezione AA', e poi ci si ritrova con un circuito piu` semplice con sorgente, linea e carico.
La massima tensione non e` detto che sia in AA', dipende dalla lunghezza, se e` maggiore di lambda quarti la tensione massima e` lungo la linea.
La massima tensione non e` detto che sia in AA', dipende dalla lunghezza, se e` maggiore di lambda quarti la tensione massima e` lungo la linea.
Per usare proficuamente un simulatore, bisogna sapere molta più elettronica di lui
Plug it in - it works better!
Il 555 sta all'elettronica come Arduino all'informatica! (entrambi loro malgrado)
Se volete risposte rispondete a tutte le mie domande
Plug it in - it works better!
Il 555 sta all'elettronica come Arduino all'informatica! (entrambi loro malgrado)
Se volete risposte rispondete a tutte le mie domande
0
voti
Calcolando l'impedenza vista da AA', guardando verso sinistra, con il generatore cortocircuitato. Sono una serie di linee e di impedenza, si va di carta di Smith o di calcolatore.
Poi si calcola la tensione AA' con nulla collegato a destra di AA' e generatore attivo, anche qui carta di Smith (o formule di propagazione lungo le linee) e partitori.
Poi si calcola la tensione AA' con nulla collegato a destra di AA' e generatore attivo, anche qui carta di Smith (o formule di propagazione lungo le linee) e partitori.
Per usare proficuamente un simulatore, bisogna sapere molta più elettronica di lui
Plug it in - it works better!
Il 555 sta all'elettronica come Arduino all'informatica! (entrambi loro malgrado)
Se volete risposte rispondete a tutte le mie domande
Plug it in - it works better!
Il 555 sta all'elettronica come Arduino all'informatica! (entrambi loro malgrado)
Se volete risposte rispondete a tutte le mie domande
7 messaggi
• Pagina 1 di 1
Chi c’è in linea
Visitano il forum: Nessuno e 108 ospiti

Elettrotecnica e non solo (admin)
Un gatto tra gli elettroni (IsidoroKZ)
Esperienza e simulazioni (g.schgor)
Moleskine di un idraulico (RenzoDF)
Il Blog di ElectroYou (webmaster)
Idee microcontrollate (TardoFreak)
PICcoli grandi PICMicro (Paolino)
Il blog elettrico di carloc (carloc)
DirtEYblooog (dirtydeeds)
Di tutto... un po' (jordan20)
AK47 (lillo)
Esperienze elettroniche (marco438)
Telecomunicazioni musicali (clavicordo)
Automazione ed Elettronica (gustavo)
Direttive per la sicurezza (ErnestoCappelletti)
EYnfo dall'Alaska (mir)
Apriamo il quadro! (attilio)
H7-25 (asdf)
Passione Elettrica (massimob)
Elettroni a spasso (guidob)
Bloguerra (guerra)




non so come calcolarla.
