Indicatore batteria tramite led e diodo zener
44 messaggi
• Pagina 3 di 5 • 1, 2, 3, 4, 5
0
voti
Ciaoo
djnz in pratica nel tuo circuito quando la tensione sale sopra i 5 volt si dovrebbe accendere il led rosso e quando la batteria si trova ad una determinata tensione regolata con il potenziometro si dovrebbe accendere il led verde , se sbaglio ti prego scusami per la mia ignoranza
-

Roberto377
10 5 - New entry

- Messaggi: 99
- Iscritto il: 10 ott 2022, 13:33
0
voti
...quando la tensione sale sopra i 5 volt si dovrebbe accendere il led rosso e quando la batteria si trova ad una determinata tensione regolata con il potenziometro si dovrebbe accendere il led verde.
Secondo me è il funzionamento è diverso:
quando la tensione è superiore a un valore regolabile con il potenziometro si accende il LED verde e quello rosso è spento.
Quando è al di sotto si spegne il verde e si accende il rosso.
Quando la tensione è molto bassa, sono entrambi spenti.
11/11 Rivedo il testo: Il circuito non dovrebbe avere isteresi, dovrebbe esserci un piccolo intervallo di tensione in cui il verde e il rosso dovrebbero rimanere entrambi accesi.
Invito qualcuno bravo a dimostrare l'effettivo comportamento.

1
voti
Riguardo allo schema del post [11] penso che la resistenza in serie al led da 390 Ohm faccia circolare una corrente eccessiva nel led stesso.
Con un led moderno bastano 5mA per avere una discreta luminosità.
Oltre i 20 mA si rischia di danneggiare il componente.
Riguardo il circuito a due transistor ci dovrebbe effettivamente essere un valore di tensione in cui i due led sono entrambi accesi a luminosità "dimezzata".
Non è un difetto potrebbe essere utile per regolare con più facilità la soglia di commutazione.
Ciao
Con un led moderno bastano 5mA per avere una discreta luminosità.
Oltre i 20 mA si rischia di danneggiare il componente.
Riguardo il circuito a due transistor ci dovrebbe effettivamente essere un valore di tensione in cui i due led sono entrambi accesi a luminosità "dimezzata".
Non è un difetto potrebbe essere utile per regolare con più facilità la soglia di commutazione.
Ciao
600 Elettra
0
voti
Roberto377 ha scritto:Ciaooposta10100 ti ringrazio nel caso sei troppo incasinato fa niente , comunque sarebbe bello capire il funzionamento del tuo circuito
Il problema e` che a quest'ora gli occhi sono stanchi e dopo aver seguito un paio di piste mi va insieme la vista...
piano piano lo disegno e lo posto

http://millefori.altervista.org
Tool gratuito per chi sviluppa su millefori.
Tutti sanno che una cosa è impossibile da realizzare, finché arriva uno sprovveduto che non lo sa e la inventa. (A. Einstein)
Se non c'e` un 555 non e` un buon progetto (IsidoroKZ)
Strumento per formule
Tool gratuito per chi sviluppa su millefori.
Tutti sanno che una cosa è impossibile da realizzare, finché arriva uno sprovveduto che non lo sa e la inventa. (A. Einstein)
Se non c'e` un 555 non e` un buon progetto (IsidoroKZ)
Strumento per formule
-

posta10100
5.550 4 10 13 - Master EY

- Messaggi: 4832
- Iscritto il: 5 nov 2006, 0:09
0
voti
-

Roberto377
10 5 - New entry

- Messaggi: 99
- Iscritto il: 10 ott 2022, 13:33
2
voti
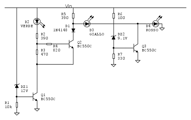
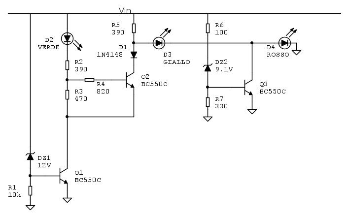
Con un po' di pazienza ho recuperato lo schema
Vediamo come funziona.
Quando Vin e` molto bassa tutti i led sono spenti, se aumentiamo progressivamente la tensione arriveremo ad un punto in cui sia il led rosso che quello giallo sono accesi.
Se aumentiamo ancora la tensione, arrivati intorno ad una decina di volt, nel ramo in cui e` presente DZ2 inizia a scorrere corrente e Q3 si accende spegnendo il led rosso. Il led verde resta spento perche` sotto i 12V Q1 e` interdetto.
Aumentando ancora, superati i 12V circa, DZ1 inizia a far circolare corrente e accende Q1. Di conseguenza, il led verde si accende e il led giallo si spegne perche` Q2 (che fino ad ora e` rimasto interdetto per effetto dell'interdizione di Q1) si accende abbattendo la tensione ai capi del led giallo.

Vediamo come funziona.
Quando Vin e` molto bassa tutti i led sono spenti, se aumentiamo progressivamente la tensione arriveremo ad un punto in cui sia il led rosso che quello giallo sono accesi.
Se aumentiamo ancora la tensione, arrivati intorno ad una decina di volt, nel ramo in cui e` presente DZ2 inizia a scorrere corrente e Q3 si accende spegnendo il led rosso. Il led verde resta spento perche` sotto i 12V Q1 e` interdetto.
Aumentando ancora, superati i 12V circa, DZ1 inizia a far circolare corrente e accende Q1. Di conseguenza, il led verde si accende e il led giallo si spegne perche` Q2 (che fino ad ora e` rimasto interdetto per effetto dell'interdizione di Q1) si accende abbattendo la tensione ai capi del led giallo.

http://millefori.altervista.org
Tool gratuito per chi sviluppa su millefori.
Tutti sanno che una cosa è impossibile da realizzare, finché arriva uno sprovveduto che non lo sa e la inventa. (A. Einstein)
Se non c'e` un 555 non e` un buon progetto (IsidoroKZ)
Strumento per formule
Tool gratuito per chi sviluppa su millefori.
Tutti sanno che una cosa è impossibile da realizzare, finché arriva uno sprovveduto che non lo sa e la inventa. (A. Einstein)
Se non c'e` un 555 non e` un buon progetto (IsidoroKZ)
Strumento per formule
-

posta10100
5.550 4 10 13 - Master EY

- Messaggi: 4832
- Iscritto il: 5 nov 2006, 0:09
0
voti
ciaoo siccome vorrei semplificare un attimo la costruzione del mio circuito e purtroppo con gli operazionali sono ancora in alto mare volevo chiedervi ?
Utilizzando LM3914
devo per forza collegare a tutti i terminali i vari led? oppure solo uno che mi serve ,per una determinata tensione?
potrei aggiungere un cicalino allarme che mi avvisa che la batteria è scesa sotto un determinata tensione nel caso non vedo il led , oppure non è possibile?
Scusate per l'ignoranza in materia , grazie per eventuali consigli
Utilizzando LM3914
devo per forza collegare a tutti i terminali i vari led? oppure solo uno che mi serve ,per una determinata tensione?
potrei aggiungere un cicalino allarme che mi avvisa che la batteria è scesa sotto un determinata tensione nel caso non vedo il led , oppure non è possibile?
Scusate per l'ignoranza in materia , grazie per eventuali consigli
-

Roberto377
10 5 - New entry

- Messaggi: 99
- Iscritto il: 10 ott 2022, 13:33
0
voti
Risposta diretta: Non so
Risposta indiretta: Secondo te ha senso usare un LM3914 per colegarci un solo led ?
Per quanto riguarda il circalino non va bene con LM3914, perché l'integrato lavora in corrente non in tensione (ipotizando di usare un Buzzer con circuito oscillante integrato).
Se ti serve un solo led il comparatore (o diodo zener/similari) è la scelta giusta, con la stessa uscita (magari pilotando un transistor) puoi accendere il led e il buzzer

Risposta indiretta: Secondo te ha senso usare un LM3914 per colegarci un solo led ?
Per quanto riguarda il circalino non va bene con LM3914, perché l'integrato lavora in corrente non in tensione (ipotizando di usare un Buzzer con circuito oscillante integrato).
Se ti serve un solo led il comparatore (o diodo zener/similari) è la scelta giusta, con la stessa uscita (magari pilotando un transistor) puoi accendere il led e il buzzer

0
voti
Utilizzando LM3914 non sei obbligato a collegare tutti i LED.
Le uscite che comandano i LED possono assorbire al max 10 mA circa ciascuna.
Non ho capito se l'uscite sono già limitate a 10 mA od occorre mettere in serie ai LED una resistenza che limita la corrente a 10 mA.
Condivido quanto scritto da ThEnGi
Per il cicalino, non saprei.
Le uscite che comandano i LED possono assorbire al max 10 mA circa ciascuna.
Non ho capito se l'uscite sono già limitate a 10 mA od occorre mettere in serie ai LED una resistenza che limita la corrente a 10 mA.
Condivido quanto scritto da ThEnGi
Per il cicalino, non saprei.
44 messaggi
• Pagina 3 di 5 • 1, 2, 3, 4, 5
Torna a Costruzione, riparazione, riutilizzo
Chi c’è in linea
Visitano il forum: Nessuno e 44 ospiti

Elettrotecnica e non solo (admin)
Un gatto tra gli elettroni (IsidoroKZ)
Esperienza e simulazioni (g.schgor)
Moleskine di un idraulico (RenzoDF)
Il Blog di ElectroYou (webmaster)
Idee microcontrollate (TardoFreak)
PICcoli grandi PICMicro (Paolino)
Il blog elettrico di carloc (carloc)
DirtEYblooog (dirtydeeds)
Di tutto... un po' (jordan20)
AK47 (lillo)
Esperienze elettroniche (marco438)
Telecomunicazioni musicali (clavicordo)
Automazione ed Elettronica (gustavo)
Direttive per la sicurezza (ErnestoCappelletti)
EYnfo dall'Alaska (mir)
Apriamo il quadro! (attilio)
H7-25 (asdf)
Passione Elettrica (massimob)
Elettroni a spasso (guidob)
Bloguerra (guerra)



