Cos'è ElectroYou | Login Iscriviti

ElectroYou - la comunità dei professionisti del mondo elettrico

Indicatore batteria tramite led e diodo zener

Tecniche per la costruzione e la riparazione di apparecchiature elettriche e non. Ricerca guasti. Adattamenti e riutilizzazioni
0
voti

[21] Re: Indicatore batteria tramite led e diodo zener

Messaggioda Foto UtenteRoberto377 » 10 nov 2022, 14:16

Ciaoo Foto Utentedjnz in pratica nel tuo circuito quando la tensione sale sopra i 5 volt si dovrebbe accendere il led rosso e quando la batteria si trova ad una determinata tensione regolata con il potenziometro si dovrebbe accendere il led verde , se sbaglio ti prego scusami per la mia ignoranza
Avatar utente
Foto UtenteRoberto377
10 5
New entry
New entry
 
Messaggi: 99
Iscritto il: 10 ott 2022, 13:33

0
voti

[22] Re: Indicatore batteria tramite led e diodo zener

Messaggioda Foto UtenteMarcoD » 10 nov 2022, 14:57

...quando la tensione sale sopra i 5 volt si dovrebbe accendere il led rosso e quando la batteria si trova ad una determinata tensione regolata con il potenziometro si dovrebbe accendere il led verde.

Secondo me è il funzionamento è diverso:
quando la tensione è superiore a un valore regolabile con il potenziometro si accende il LED verde e quello rosso è spento.
Quando è al di sotto si spegne il verde e si accende il rosso.
Quando la tensione è molto bassa, sono entrambi spenti.

Ora un mio dubbio, il circuito dovrebbe avere isteresi, quindi mai il verde e il rosso dovrebbero rimanere entrambi accesi/sottoaccesi...ma non ne sono sicuro.
11/11 Rivedo il testo: Il circuito non dovrebbe avere isteresi, dovrebbe esserci un piccolo intervallo di tensione in cui il verde e il rosso dovrebbero rimanere entrambi accesi.

Invito qualcuno bravo a dimostrare l'effettivo comportamento. :-)
O_/
Avatar utente
Foto UtenteMarcoD
12,2k 5 9 13
Master EY
Master EY
 
Messaggi: 6696
Iscritto il: 9 lug 2015, 16:58
Località: Torino

1
voti

[23] Re: Indicatore batteria tramite led e diodo zener

Messaggioda Foto Utentestefanopc » 10 nov 2022, 15:31

Riguardo allo schema del post [11] penso che la resistenza in serie al led da 390 Ohm faccia circolare una corrente eccessiva nel led stesso.
Con un led moderno bastano 5mA per avere una discreta luminosità.
Oltre i 20 mA si rischia di danneggiare il componente.
Riguardo il circuito a due transistor ci dovrebbe effettivamente essere un valore di tensione in cui i due led sono entrambi accesi a luminosità "dimezzata".
Non è un difetto potrebbe essere utile per regolare con più facilità la soglia di commutazione.
Ciao
600 Elettra
Avatar utente
Foto Utentestefanopc
13,3k 5 9 13
Master EY
Master EY
 
Messaggi: 5565
Iscritto il: 4 ago 2020, 9:11

0
voti

[24] Re: Indicatore batteria tramite led e diodo zener

Messaggioda Foto Utenteposta10100 » 10 nov 2022, 22:49

Roberto377 ha scritto:Ciaoo Foto Utenteposta10100 ti ringrazio nel caso sei troppo incasinato fa niente , comunque sarebbe bello capire il funzionamento del tuo circuito

Il problema e` che a quest'ora gli occhi sono stanchi e dopo aver seguito un paio di piste mi va insieme la vista...
piano piano lo disegno e lo posto

O_/
http://millefori.altervista.org
Tool gratuito per chi sviluppa su millefori.

Tutti sanno che una cosa è impossibile da realizzare, finché arriva uno sprovveduto che non lo sa e la inventa. (A. Einstein)
Se non c'e` un 555 non e` un buon progetto (IsidoroKZ)

Strumento per formule
Avatar utente
Foto Utenteposta10100
5.550 4 10 13
Master EY
Master EY
 
Messaggi: 4832
Iscritto il: 5 nov 2006, 0:09

0
voti

[25] Re: Indicatore batteria tramite led e diodo zener

Messaggioda Foto UtenteRoberto377 » 10 nov 2022, 23:28

Foto Utenteposta10100 tranquillo quando avrai tempo
Avatar utente
Foto UtenteRoberto377
10 5
New entry
New entry
 
Messaggi: 99
Iscritto il: 10 ott 2022, 13:33

2
voti

[26] Re: Indicatore batteria tramite led e diodo zener

Messaggioda Foto Utenteposta10100 » 11 nov 2022, 0:52

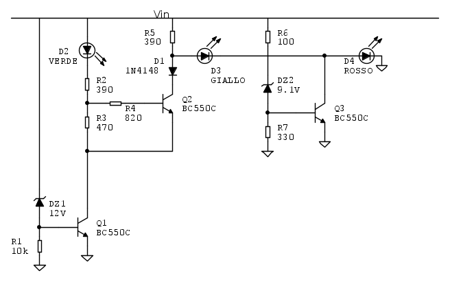
Con un po' di pazienza ho recuperato lo schema :cool:



Vediamo come funziona.
Quando Vin e` molto bassa tutti i led sono spenti, se aumentiamo progressivamente la tensione arriveremo ad un punto in cui sia il led rosso che quello giallo sono accesi.
Se aumentiamo ancora la tensione, arrivati intorno ad una decina di volt, nel ramo in cui e` presente DZ2 inizia a scorrere corrente e Q3 si accende spegnendo il led rosso. Il led verde resta spento perche` sotto i 12V Q1 e` interdetto.
Aumentando ancora, superati i 12V circa, DZ1 inizia a far circolare corrente e accende Q1. Di conseguenza, il led verde si accende e il led giallo si spegne perche` Q2 (che fino ad ora e` rimasto interdetto per effetto dell'interdizione di Q1) si accende abbattendo la tensione ai capi del led giallo.

O_/
http://millefori.altervista.org
Tool gratuito per chi sviluppa su millefori.

Tutti sanno che una cosa è impossibile da realizzare, finché arriva uno sprovveduto che non lo sa e la inventa. (A. Einstein)
Se non c'e` un 555 non e` un buon progetto (IsidoroKZ)

Strumento per formule
Avatar utente
Foto Utenteposta10100
5.550 4 10 13
Master EY
Master EY
 
Messaggi: 4832
Iscritto il: 5 nov 2006, 0:09

0
voti

[27] Re: Indicatore batteria tramite led e diodo zener

Messaggioda Foto UtenteRoberto377 » 11 nov 2022, 15:06

Ciaooo Foto Utenteposta10100
grazie per lo schema , cerco di realizzarlo per metterlo in pratica
Avatar utente
Foto UtenteRoberto377
10 5
New entry
New entry
 
Messaggi: 99
Iscritto il: 10 ott 2022, 13:33

0
voti

[28] Re: Indicatore batteria tramite led e diodo zener

Messaggioda Foto UtenteRoberto377 » 8 dic 2022, 9:44

ciaoo siccome vorrei semplificare un attimo la costruzione del mio circuito e purtroppo con gli operazionali sono ancora in alto mare volevo chiedervi ?
Utilizzando LM3914
devo per forza collegare a tutti i terminali i vari led? oppure solo uno che mi serve ,per una determinata tensione?
potrei aggiungere un cicalino allarme che mi avvisa che la batteria è scesa sotto un determinata tensione nel caso non vedo il led , oppure non è possibile?
Scusate per l'ignoranza in materia , grazie per eventuali consigli
Avatar utente
Foto UtenteRoberto377
10 5
New entry
New entry
 
Messaggi: 99
Iscritto il: 10 ott 2022, 13:33

0
voti

[29] Re: Indicatore batteria tramite led e diodo zener

Messaggioda Foto UtenteThEnGi » 8 dic 2022, 10:59

Risposta diretta: Non so
Risposta indiretta: Secondo te ha senso usare un LM3914 per colegarci un solo led ?

Per quanto riguarda il circalino non va bene con LM3914, perché l'integrato lavora in corrente non in tensione (ipotizando di usare un Buzzer con circuito oscillante integrato).

Se ti serve un solo led il comparatore (o diodo zener/similari) è la scelta giusta, con la stessa uscita (magari pilotando un transistor) puoi accendere il led e il buzzer

O_/
Avatar utente
Foto UtenteThEnGi
2.230 3 6 9
Expert EY
Expert EY
 
Messaggi: 2228
Iscritto il: 6 ott 2022, 18:43

0
voti

[30] Re: Indicatore batteria tramite led e diodo zener

Messaggioda Foto UtenteMarcoD » 8 dic 2022, 11:04

Utilizzando LM3914 non sei obbligato a collegare tutti i LED.

Le uscite che comandano i LED possono assorbire al max 10 mA circa ciascuna.
Non ho capito se l'uscite sono già limitate a 10 mA od occorre mettere in serie ai LED una resistenza che limita la corrente a 10 mA.
Condivido quanto scritto da ThEnGi
Per il cicalino, non saprei.
Avatar utente
Foto UtenteMarcoD
12,2k 5 9 13
Master EY
Master EY
 
Messaggi: 6696
Iscritto il: 9 lug 2015, 16:58
Località: Torino

PrecedenteProssimo

Torna a Costruzione, riparazione, riutilizzo

Chi c’è in linea

Visitano il forum: Nessuno e 9 ospiti