Cos'è ElectroYou | Login Iscriviti

ElectroYou - la comunità dei professionisti del mondo elettrico

telecomando cancello collegato alle luci frecce

Elettronica lineare e digitale: didattica ed applicazioni

Moderatori: Foto Utentecarloc, Foto Utenteg.schgor, Foto UtenteBrunoValente, Foto UtenteIsidoroKZ

0
voti

[11] Re: telecomando cancello collegato alle luci frecce

Messaggioda Foto Utentevince59 » 11 nov 2022, 22:36

posta10100 ha scritto:
vince59 ha scritto:Mettilo sul pulsante luci abbaglianti (pass) e risolvi.


Perche` ti devi complicare la vita aggiungendo roba che non serve (e alla quale devi pure trovare un posto)?
La soluzione dell'abbagliante mi sembra la piu` semplice e veloce.

O_/


lo ha scritto ...

"@stefanopc & @vince59 sullo scooter l'ho avuto per anni collegato in questo modo, sulla moto non me lo permette perché "stranamente" ho sempre una tensione variabile sui capi dell'abbagliante (credo una sorta di controllo luci guaste)"

Se ti riferisci al micro chip e 7805 puoi immaginare che la dimensione è irrilevante.
Avatar utente
Foto Utentevince59
664 2 3 6
Sostenitore
Sostenitore
 
Messaggi: 1062
Iscritto il: 17 giu 2019, 19:32

0
voti

[12] Re: telecomando cancello collegato alle luci frecce

Messaggioda Foto Utenteattila666 » 11 nov 2022, 23:51

ok potrebbe essere una strada, ma perché aggiungere logiche da programmare e altro quando con un condensatore un transistor un paio di resistenza e uno zener "credo" di risolvere ?
Avatar utente
Foto Utenteattila666
70 3
New entry
New entry
 
Messaggi: 84
Iscritto il: 23 giu 2014, 13:59

0
voti

[13] Re: telecomando cancello collegato alle luci frecce

Messaggioda Foto Utenteattila666 » 12 nov 2022, 0:09

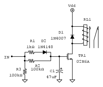
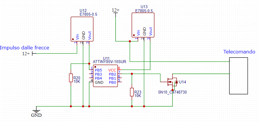
intendevo qualcosa del genere, che mi avete consigliato su questo forum ed è funzionante (per altri scopi) al posto del relè inserirei il telecomando, e visto il basso assorbimento del telecomando forse non serve il MOS e metterei un transistor, che ne pensate ?
Allegati
f0dfba19919b7f631a262125f9b9cd4eb76e3809_3.png
f0dfba19919b7f631a262125f9b9cd4eb76e3809_3.png (10.95 KiB) Osservato 4295 volte
Avatar utente
Foto Utenteattila666
70 3
New entry
New entry
 
Messaggi: 84
Iscritto il: 23 giu 2014, 13:59

0
voti

[14] Re: telecomando cancello collegato alle luci frecce

Messaggioda Foto Utentevince59 » 12 nov 2022, 10:31

attila666 ha scritto:ok potrebbe essere una strada, ma perché aggiungere logiche da programmare e altro quando con un condensatore un transistor un paio di resistenza e uno zener "credo" di risolvere ?


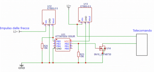
...perché il mondo cambia, l'elettronica è diventata anche digitale e l'impiego dei microprocessori e della loro programmazione - ormai alla portata di chiunque con un semplice Arduino - ci permette di individuare soluzioni innovative.
Nulla contro la tua soluzione che, peraltro richiede più componenti, ma l'idea di avere quell'accrocco sulla mia moto non mi piacerebbe. Un attiny85 ed un 7805 (credo bastino solo questi) stanno sul polpastrello di un dito ed una volta "affogati" nella resina o colla a caldo diventano anche impermebili che su una moto non è poco. Mi spiace che non ho foto di quelli realizzati da me, ma ti assicuro sono funzionali e pure carini. Come dicevo li ho utilizzati anche sui droni che ovviamnete hanno elettronica miniaturizzata.
Aggiungo che il nostro amico ha fatto presente di avere un segnale "anomalo" sul comando lampeggiante che potrebbe NON riuscire a pilotare qualche circuito. Non so che moto abbia, ma potrebbe lavorare su rete CAN, per cui vanno evitati disturbi di vario genere.
Non sono un tecnico e parlo per la mia esperienza diretta.
Avatar utente
Foto Utentevince59
664 2 3 6
Sostenitore
Sostenitore
 
Messaggi: 1062
Iscritto il: 17 giu 2019, 19:32

0
voti

[15] Re: telecomando cancello collegato alle luci frecce

Messaggioda Foto Utenteattila666 » 12 nov 2022, 12:03

@vince59 ho provato a simulare il circuito che proponi, e mi viene fuori una cosa così, sbaglio ? quindi ok l'innovazione, ma ripeto ne vale la pena ?
ciò non toglie che ti ringrazio per il tempo che mi dedichi :ok:
Allegati
Immagine 2022-11-12 110227.gif
Avatar utente
Foto Utenteattila666
70 3
New entry
New entry
 
Messaggi: 84
Iscritto il: 23 giu 2014, 13:59

1
voti

[16] Re: telecomando cancello collegato alle luci frecce

Messaggioda Foto UtenteThEnGi » 12 nov 2022, 12:25

Non puoi usare i 7805 con una tensione inpulsiva (vedi U12)
Usa un partitore per portare i 12V a 5V. (lato ingresso)
manca la resistenza sul gate del mosfet
e per l'amor del cielo condensatori di disaccoppiamento, sia per il 7805 che usi da alimentazione che per il micro !

Edit: non so per le moto, ma per le macchine la tensione nei circuiti (batteria carica e motore acceso) arriva anche a 14V, considera anche questo !
Avatar utente
Foto UtenteThEnGi
2.230 3 6 9
Expert EY
Expert EY
 
Messaggi: 2228
Iscritto il: 6 ott 2022, 18:43

0
voti

[17] Re: telecomando cancello collegato alle luci frecce

Messaggioda Foto Utenteattila666 » 12 nov 2022, 12:33

@ThEnGi hai ragione, non sono ferratissimo per la parte elettronica, e poi lo avevo buttato li solo per condividere con @vince59 che non sono mai "due" componenti per realizzare un circuito, e invece puoi dare un'occhiata al post#13 per adattarlo alle mie esigenze ?
edit-anche per le moto, ma il telecomando non ne soffre
Avatar utente
Foto Utenteattila666
70 3
New entry
New entry
 
Messaggi: 84
Iscritto il: 23 giu 2014, 13:59

0
voti

[18] Re: telecomando cancello collegato alle luci frecce

Messaggioda Foto Utentevince59 » 12 nov 2022, 13:18

se aspetti dopo pranzo ti faccio vedere io cosa ho realizzato e dovrei ancora avere il codice di Arduino. Io ho fatto molto più semplicemente.
Ne ho messo uno (attiny85) anche dentro il caricabatterie di lidl per automatizzare l'accensione e fare in modo che all'inserimento della 220 si ponesse subito in modalità carica senza dover premere io due volte il pulsante dato che era nel gavone del motore della barca. IN questo caso non ho usato il 7805 in quanto avevo già disponibili i 5vdc.
unaltro l'ho messo in un localizzatore GPS per autoaccenderlo nel caso si fosse spento per qualsivoglia motivo anche qui avevo già i 5vdc disponibili.
Il concetto è:
- 7805 per avere i 5vdc dai 12 della batteria prelevando tensione da un utenza sotto quadro;
- alimenti il micro sui piedini 4(gnd) ed 8 (+5vdc);
- prelevi l'impulso dal tasto abbaglianti/freccia e lo applichi sul piedino input del micro (esempio pin fisico 2). Come ti è stato detto NON puoi usarlo come alimntazione MA come impulso per il micro!;
- verificato che tipo di circuito/segnale viene chiuso dal tastino del TX cancello, colleghi in parallelo i terminali ai piedini del micro che intendi utilizzare per pilotare l'uscita. L'uscita è gestibile come vuoi attraverso il codice. Puoi temporizzarla sui due secondi, un tempo più che sufficente per un TX apri cancello.
Spero di aver illustrato chiaramente.
Ultima modifica di Foto Utentevince59 il 12 nov 2022, 13:39, modificato 1 volta in totale.
Avatar utente
Foto Utentevince59
664 2 3 6
Sostenitore
Sostenitore
 
Messaggi: 1062
Iscritto il: 17 giu 2019, 19:32

0
voti

[19] Re: telecomando cancello collegato alle luci frecce

Messaggioda Foto UtenteThEnGi » 12 nov 2022, 13:39

Foto Utenteattila666io sono per il micro, anche perché mi sembra la soluzione più adatta !

riposo -> Impulso-> TX -> dealy -> riposo, io farei cosi, ma personalmente lo farei con gli abbaglianti. io li uso meno delle frecce

Comunque mai ti sforzi mai impari, stiamo parlando di massimo 10 componenti.
Prova a sforzarti a mettere giù uno schema
Hai modo di programmare l'Attiny ?

vado a pranzo anche io, vediamo cosa proponeFoto Utentevince59.
Avatar utente
Foto UtenteThEnGi
2.230 3 6 9
Expert EY
Expert EY
 
Messaggi: 2228
Iscritto il: 6 ott 2022, 18:43

0
voti

[20] Re: telecomando cancello collegato alle luci frecce

Messaggioda Foto Utentevince59 » 12 nov 2022, 13:46

...ho trovato il video vecchio del CB di lidl...come vedi il CB (senza premere il tastino MODE) va da solo in posizione di carica dato che il micro interno da me installato "simula" la pressione del tastino chiudendo i terminali del tastino. Dopo faccio lo schema

https://www.youtube.com/shorts/zdEaIdfC7YE
Avatar utente
Foto Utentevince59
664 2 3 6
Sostenitore
Sostenitore
 
Messaggi: 1062
Iscritto il: 17 giu 2019, 19:32

PrecedenteProssimo

Torna a Elettronica generale

Chi c’è in linea

Visitano il forum: Nessuno e 560 ospiti