BrunoValente ha scritto:Con il solo mosfet non ci sono parti meccaniche, è sicuramente più semplice di quel casino fatto con il micro e due regolatori e, visto che il telecomando va a 12V serve comunque mettere un mosfet anche se utilizzi il micro.
Mettendo solo il mosfet per temporizzarlo basta aggiungere un condensatore e qualche resistore.
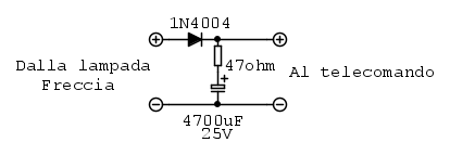
Ma, visto che il telecomando assorbe poco, forse potrebbe anche bastare qualcosa del genere.
Scusa se mi permetto ma.... Ecco il mio uomo

Dopotutto era quello che avevo chiesto dall'inizio
attila666 ha scritto:ok potrebbe essere una strada, ma perché aggiungere logiche da programmare e altro quando con un condensatore un transistor un paio di resistenza e uno zener "credo" di risolvere ?
come ho già detto ringrazio @vince59 perché sono convinto che in questo ambito i dubbi e le alternative siano alla base della conoscenza (infatti non conoscevo il chip che mi hai indicato e ne ho presi un paio da Ali per provare a farci qualcosa), ma per semplicità proverò lo schema del Grande @BrunoValente

Elettrotecnica e non solo (admin)
Un gatto tra gli elettroni (IsidoroKZ)
Esperienza e simulazioni (g.schgor)
Moleskine di un idraulico (RenzoDF)
Il Blog di ElectroYou (webmaster)
Idee microcontrollate (TardoFreak)
PICcoli grandi PICMicro (Paolino)
Il blog elettrico di carloc (carloc)
DirtEYblooog (dirtydeeds)
Di tutto... un po' (jordan20)
AK47 (lillo)
Esperienze elettroniche (marco438)
Telecomunicazioni musicali (clavicordo)
Automazione ed Elettronica (gustavo)
Direttive per la sicurezza (ErnestoCappelletti)
EYnfo dall'Alaska (mir)
Apriamo il quadro! (attilio)
H7-25 (asdf)
Passione Elettrica (massimob)
Elettroni a spasso (guidob)
Bloguerra (guerra)






pigreco]=π


