Buongiorno, questa volta vi scrivo per chiedere un consiglio su questo che, a mio parere, non è in realtà un vero e proprio problema, ma vorrei (se possibile) cercare di capire da cosa possa dipendere.
Il display in questione è un 320x240 pixel con annesso pannello touch.
Sia il display che il touch funzionano correttamente, ma permangono due linee orizzontali non alimentate (ne ho anche un altro di display e in quel caso la riga non alimentata è una sola e sempre in senso orizzontale).
Avendo una terza scheda inverter ho provato ad usare quella, ma le righe sono sempre lì.
Giorni fa ho pulito leggermente il cavo fcc a 14 poli e una terza riga orizzontale non alimentata si è ripristinata, quindi pensavo che potesse essere sufficiente pulire ulteriormente i contatti, ma sono rimaste quelle due righe.
Oggi ho controllato le tensioni su due integrati, oltre che sui connettori e sono corrette, e lo sono anche le tensioni che arrivano dalla scheda di alimentazione.
Ho pensato alla strip board che a volte a causa di un lievissimo spostamento, non facendo correttamente contatto, potrebbe comportare una cosa del genere, ma questo tipo di display è molto compatto e non ha ovviamente mai subito colpi o sollecitazioni.
Secondo voi da cosa può dipendere tutto ciò?
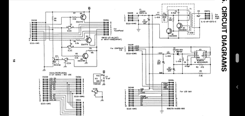
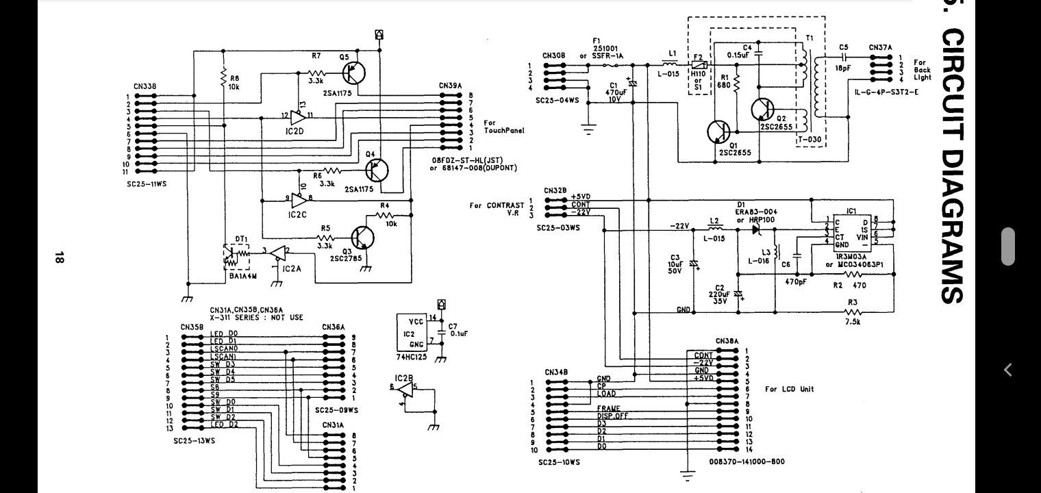
Allego il diagramma della scheda inverter (ma non c'è quello della vera e propria scheda del display, della quale però ho alcune foto) e la foto del display di cui parlo.
Grazie
Righe di pixel non alimentate sul display di un synth
1 messaggio
• Pagina 1 di 1
1 messaggio
• Pagina 1 di 1
Torna a Costruzione, riparazione, riutilizzo
Chi c’è in linea
Visitano il forum: Nessuno e 10 ospiti

Elettrotecnica e non solo (admin)
Un gatto tra gli elettroni (IsidoroKZ)
Esperienza e simulazioni (g.schgor)
Moleskine di un idraulico (RenzoDF)
Il Blog di ElectroYou (webmaster)
Idee microcontrollate (TardoFreak)
PICcoli grandi PICMicro (Paolino)
Il blog elettrico di carloc (carloc)
DirtEYblooog (dirtydeeds)
Di tutto... un po' (jordan20)
AK47 (lillo)
Esperienze elettroniche (marco438)
Telecomunicazioni musicali (clavicordo)
Automazione ed Elettronica (gustavo)
Direttive per la sicurezza (ErnestoCappelletti)
EYnfo dall'Alaska (mir)
Apriamo il quadro! (attilio)
H7-25 (asdf)
Passione Elettrica (massimob)
Elettroni a spasso (guidob)
Bloguerra (guerra)
