Come smaltire la condensa di un unità esterna?
Moderatori:
paolo a m,
DarioDT,
Guerra
27 messaggi
• Pagina 3 di 3 • 1, 2, 3
0
voti
Beh, diciamo che non mi dispiace fare qualche accrocco innocente ogni tanto, se il gioco vale la candela ovviamente. Poi è bene avere delle alternative.
-

Giovanni123
502 1 3 6 - Sostenitore

- Messaggi: 606
- Iscritto il: 5 mag 2017, 9:05
0
voti
Se la vaschetta e' grande a sufficenza (o piu precisamente, larga a sufficenza), puoi usare un diverso tipo di switch galleggiante, tipo ad esempio questi e simili... all'interno hanno un microswitch meccanico invece del reed, ed una sfera di acciaio che scorre in due cave, per cui richiedono un certo grado di inclinazione (fra i 30 ed i 45 gradi, di solito) verso l'alto per chiudere, e lo stesso verso il basso per aprire.
Vantaggi, possono comandare direttamente il motore, anche a 220, fanno loro da isteresi (la regoli in base alla lunghezza del cavo che lasci prima del peso), quindi si risparmiano rele', temporizzatori, e se si usa una pompa da laghetto a 230V anche alimentatore ... svantaggio, richiedono piu spazio, quindi una vaschetta piu larga, e costano un po di piu (ma bisogna vedere cosa costerebbero alimentatore, rele' e timer e farci due conti)
Vantaggi, possono comandare direttamente il motore, anche a 220, fanno loro da isteresi (la regoli in base alla lunghezza del cavo che lasci prima del peso), quindi si risparmiano rele', temporizzatori, e se si usa una pompa da laghetto a 230V anche alimentatore ... svantaggio, richiedono piu spazio, quindi una vaschetta piu larga, e costano un po di piu (ma bisogna vedere cosa costerebbero alimentatore, rele' e timer e farci due conti)
"Sopravvivere" e' attualmente l'unico lusso che la maggior parte dei Cittadini italiani,
sia pure a costo di enormi sacrifici, riesce ancora a permettersi.
sia pure a costo di enormi sacrifici, riesce ancora a permettersi.
-

Etemenanki
9.517 3 6 10 - Master

- Messaggi: 5940
- Iscritto il: 2 apr 2021, 23:42
- Località: Dalle parti di un grande lago ... :)
0
voti
Io proverei con una pompetta da tergicristallo.
Sotto la vaschetta potresti mettere uno switch (con una molla) con istersi azionato dal peso della stessa vaschetta.
La vaschetta sarebbe da chiudere o coprire in un contenitore nero per evitare che si formino le alghe e anche i tubi se neri sarebbero meglio .
Cosi facendo si evita la gran parte della manutenzione non necessaria.
Ciao
Sotto la vaschetta potresti mettere uno switch (con una molla) con istersi azionato dal peso della stessa vaschetta.
La vaschetta sarebbe da chiudere o coprire in un contenitore nero per evitare che si formino le alghe e anche i tubi se neri sarebbero meglio .
Cosi facendo si evita la gran parte della manutenzione non necessaria.
Ciao
600 Elettra
0
voti
Etemenanki ha scritto:tipo ad esempio questi e simili
Questi vanno bene per cassette molto grandi
Cosi secondo me è meglio c'è da 4.5/7.5 cm che farebbe al caso tuo, un tuperware alto per mettere la pompa in immersione, un alimentatorino 12V qualche tubo....
Edit: ho dimenticato il rele temporizato in apertura !

0
voti
Ho comprato delle piccole pompe da 5Vcc, alimentabili anche tramite carica batterie del telefono. Hanno una discreta portata e penso che funzioneranno benissimo una volta abbinati ad un relè temporizzato e un galleggiante. Vi tengo aggiornati, spero di finire il lavoro entro pochi giorni, aspetto che mi arrivino gli ultimi componenti.
-

Giovanni123
502 1 3 6 - Sostenitore

- Messaggi: 606
- Iscritto il: 5 mag 2017, 9:05
0
voti
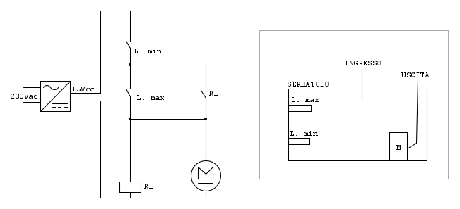
Questo fine settimana ho lavorato sul sistema per smaltire la condensa. Questa è l'idea ufficiale:
Ho avuto un po' di problemi utilizzando un carca batterie per telefono, che appena si attivava la pompa mi diseccitava il relè e non funzionava in modo continuativo.
Cambiando alimentatore con uno da 5V 2A adesso funziona. Purtroppo devo cambiare la vaschetta di plastica, perché si è rotta nel fare le prove
.
Ho avuto un po' di problemi utilizzando un carca batterie per telefono, che appena si attivava la pompa mi diseccitava il relè e non funzionava in modo continuativo.
Cambiando alimentatore con uno da 5V 2A adesso funziona. Purtroppo devo cambiare la vaschetta di plastica, perché si è rotta nel fare le prove
.-

Giovanni123
502 1 3 6 - Sostenitore

- Messaggi: 606
- Iscritto il: 5 mag 2017, 9:05
27 messaggi
• Pagina 3 di 3 • 1, 2, 3
Torna a Termotecnica, illuminotecnica, acustica
Chi c’è in linea
Visitano il forum: Nessuno e 3 ospiti

Elettrotecnica e non solo (admin)
Un gatto tra gli elettroni (IsidoroKZ)
Esperienza e simulazioni (g.schgor)
Moleskine di un idraulico (RenzoDF)
Il Blog di ElectroYou (webmaster)
Idee microcontrollate (TardoFreak)
PICcoli grandi PICMicro (Paolino)
Il blog elettrico di carloc (carloc)
DirtEYblooog (dirtydeeds)
Di tutto... un po' (jordan20)
AK47 (lillo)
Esperienze elettroniche (marco438)
Telecomunicazioni musicali (clavicordo)
Automazione ed Elettronica (gustavo)
Direttive per la sicurezza (ErnestoCappelletti)
EYnfo dall'Alaska (mir)
Apriamo il quadro! (attilio)
H7-25 (asdf)
Passione Elettrica (massimob)
Elettroni a spasso (guidob)
Bloguerra (guerra)




