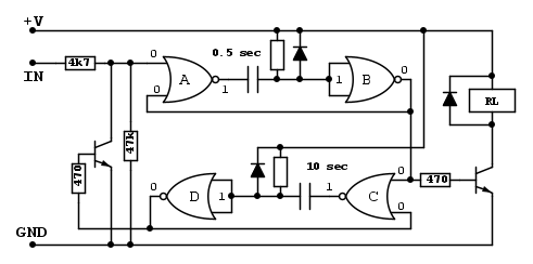
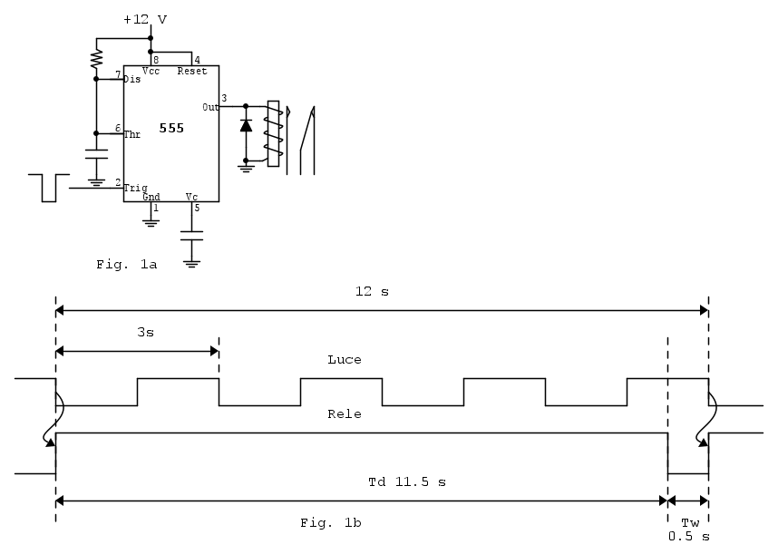
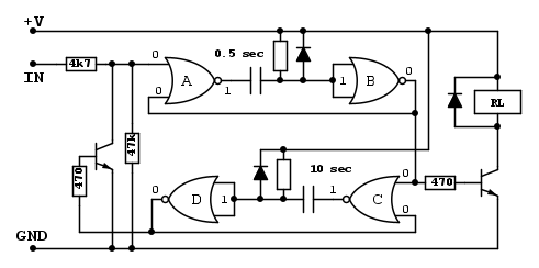
Vorrei realizzare un semplice circuito in grado di reagire alla luce che colpisce una fotocellula provocando l'eccitazione di un relè.
Mi occorre di fare in modo che:
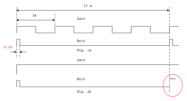
1)= il relè sia eccitato per un tempo di circa mezzo secondo, simulando la pressione e il rilascio di un pulsante (indipendentemente dal tempo di eccitazione della fotocellula che resta eccitata dalla luce per due o tre secondi circa);
2)= l'eventuale ritorno della luce che colpisce la fotocellula provocherà l'eccitazione del relè solo se sono trascorsi almeno 10 secondi circa. Intendo che nel caso ci sia una luce lampeggiante che ogni tre secondi eccita la fotocellula, il circuito che provoca l'attivazione del relè lo fa una volta ogni dieci secondi circa.
Le temporizzazioni e i ritardi non sono critici.
Ringrazio fin d'ora chi mi può aiutare!


Elettrotecnica e non solo (admin)
Un gatto tra gli elettroni (IsidoroKZ)
Esperienza e simulazioni (g.schgor)
Moleskine di un idraulico (RenzoDF)
Il Blog di ElectroYou (webmaster)
Idee microcontrollate (TardoFreak)
PICcoli grandi PICMicro (Paolino)
Il blog elettrico di carloc (carloc)
DirtEYblooog (dirtydeeds)
Di tutto... un po' (jordan20)
AK47 (lillo)
Esperienze elettroniche (marco438)
Telecomunicazioni musicali (clavicordo)
Automazione ed Elettronica (gustavo)
Direttive per la sicurezza (ErnestoCappelletti)
EYnfo dall'Alaska (mir)
Apriamo il quadro! (attilio)
H7-25 (asdf)
Passione Elettrica (massimob)
Elettroni a spasso (guidob)
Bloguerra (guerra)








