Sensore di movimento con deviatori e invertitore?
Moderatori:
sebago,
MASSIMO-G,
lillo,
Mike
34 messaggi
• Pagina 1 di 4 • 1, 2, 3, 4
0
voti
qual è il modo migliore per inserire un sensore di movimento nel garage? Ho 1 luce comandata da 3 punti, con 2 deviatori e 1 inveritore. Mi piacerebbe che il sensore di movimento sia sempre in funzione, però all'occorrenza mi piacerebbe che premendo su un pulsante qualsiasi dei 3 la luce rimanesse accesa fino a quando non premo di nuovo su uno qualsiasi dei 3 pulsanti. Come pensate possa essere uno schema sensato per collegare il tutto? Grazie
0
voti
Se non ti crea problemi il fatto che il sensore prevalga sempre sugli interruttori (cioe' che la luce rimanga sempre accesa con il sensore attivo), potresti collegare il contatto del sensore in parallelo a tutta la catena degli altri interruttori, cosi potresti accendere e spegnere con gli interruttori, ma l'intervento del sensore accenderebbe sempre a prescindere dalla loro posizione.
EDIT: una cosa del genere
EDIT: una cosa del genere
"Sopravvivere" e' attualmente l'unico lusso che la maggior parte dei Cittadini italiani,
sia pure a costo di enormi sacrifici, riesce ancora a permettersi.
sia pure a costo di enormi sacrifici, riesce ancora a permettersi.
-

Etemenanki
9.517 3 6 10 - Master

- Messaggi: 5940
- Iscritto il: 2 apr 2021, 23:42
- Località: Dalle parti di un grande lago ... :)
0
voti
Ma e' l'unico sistema per aggiungere un sensore IR ad una catena di interruttori gia esistente ... almeno senza rischiare il "KABOOM" 
EDIT: voglio dire che se il sensore pilota la stessa lampada degli interruttori, quando lui e' acceso non hai modo di sapere se con gli interruttori e' accesa o spenta la catena.
Oppure deve usare una lampada indipendente solo per il sensore.
EDIT: voglio dire che se il sensore pilota la stessa lampada degli interruttori, quando lui e' acceso non hai modo di sapere se con gli interruttori e' accesa o spenta la catena.
Oppure deve usare una lampada indipendente solo per il sensore.
"Sopravvivere" e' attualmente l'unico lusso che la maggior parte dei Cittadini italiani,
sia pure a costo di enormi sacrifici, riesce ancora a permettersi.
sia pure a costo di enormi sacrifici, riesce ancora a permettersi.
-

Etemenanki
9.517 3 6 10 - Master

- Messaggi: 5940
- Iscritto il: 2 apr 2021, 23:42
- Località: Dalle parti di un grande lago ... :)
0
voti
È vero avete ragione. È sicuramente un problema questo. Ci sono soluzioni intelligenti perché a me non ne vengono per adesso?
0
voti
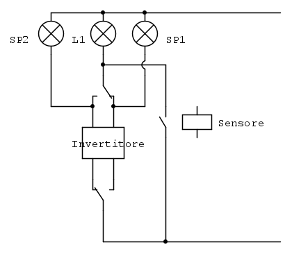
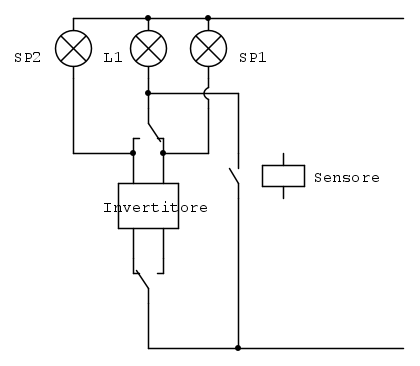
I circuito di
Etemenanki puo' essere "migliorato?" con l'aggiunta di due lampade spie SP1 e SP2 per segnalare chi sta "intervenendo" (Sensore o Deviatori/Invertitore).
Per lo spiegone vedi:
viewtopic.php?f=3&t=70418#p724806
Per lo spiegone vedi:
viewtopic.php?f=3&t=70418#p724806
0
voti
Per risolvere il problema che hai posto a me vengono in mente soluzioni inutilmente complicate, quindi non intelligenti.
Si potrebbe però eliminare il problema.
1- Due lampade indipendenti, come suggerito da
Etemenanki.
2- Perché ti serve il sensore se hai già i dispositivi di comando in posizioni comode?
3- Elimina i comandi manuali e affidati solo a sensori che funzionino bene.
Si potrebbe però eliminare il problema.
1- Due lampade indipendenti, come suggerito da
2- Perché ti serve il sensore se hai già i dispositivi di comando in posizioni comode?
3- Elimina i comandi manuali e affidati solo a sensori che funzionino bene.
0
voti
D'accordo con Goofy, se è più pratico, il sensore può essere collegato anche in questo modo:
Altrimenti, rifacendo tutto, inserire un contattore che svolga la funzione di autoritenuta:
(purtroppo il contattore assorbe circa quanto una lampadina a led)
Altrimenti, rifacendo tutto, inserire un contattore che svolga la funzione di autoritenuta:
(purtroppo il contattore assorbe circa quanto una lampadina a led)
-

SediciAmpere
4.187 5 5 8 - Master

- Messaggi: 4847
- Iscritto il: 31 ott 2013, 15:00
0
voti
Goofy ha scritto:Per risolvere il problema che hai posto a me vengono in mente soluzioni inutilmente complicate, quindi non intelligenti.
Si potrebbe però eliminare il problema.
1- Due lampade indipendenti, come suggerito daEtemenanki.
2- Perché ti serve il sensore se hai già i dispositivi di comando in posizioni comode?
3- Elimina i comandi manuali e affidati solo a sensori che funzionino bene.
Per una cavolata. Semplicemente perché è la luce del garage e mia moglie si dimentica di spegnerla al mattino. Io sono il primo a rincasare alla sera e la trovo spesso accesa. Tutto qua. Devo trovare un modo per limitare questo spreco.
34 messaggi
• Pagina 1 di 4 • 1, 2, 3, 4
Torna a Impianti, sicurezza e quadristica
Chi c’è in linea
Visitano il forum: Nessuno e 129 ospiti

Elettrotecnica e non solo (admin)
Un gatto tra gli elettroni (IsidoroKZ)
Esperienza e simulazioni (g.schgor)
Moleskine di un idraulico (RenzoDF)
Il Blog di ElectroYou (webmaster)
Idee microcontrollate (TardoFreak)
PICcoli grandi PICMicro (Paolino)
Il blog elettrico di carloc (carloc)
DirtEYblooog (dirtydeeds)
Di tutto... un po' (jordan20)
AK47 (lillo)
Esperienze elettroniche (marco438)
Telecomunicazioni musicali (clavicordo)
Automazione ed Elettronica (gustavo)
Direttive per la sicurezza (ErnestoCappelletti)
EYnfo dall'Alaska (mir)
Apriamo il quadro! (attilio)
H7-25 (asdf)
Passione Elettrica (massimob)
Elettroni a spasso (guidob)
Bloguerra (guerra)








