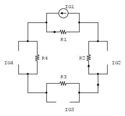
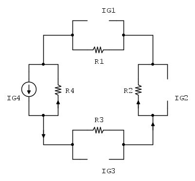
GioArca67 ha scritto:Qual è la corrente che scorre in R2 dovuta a Ig3, considerate positive quelle concordi al verso indicato nel testo??
Cerca di interpretare l'espressione che ho scritto io, ed esprimilo a parole.
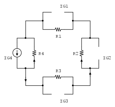
La corrente che scorre in R2 (ma anche nell'intero circuito, tranne nell'anello IG3 , R3) lasciando attivo il solo generatore IG3, è pari alla caduta di tensione sullo stesso generatore (data da IG3 * R3) diviso la somma delle Resistenze in serie. E' semplicemente la legge di Ohm, perché se sostituissi il generatore di corrente reale con uno di tensione, avrei un generatore e 1 resistenza in serie che si somma alle altre 3. Quindi:

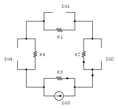
Tuttavia, la corrente effettiva che scorre in R2 è data dalla somma algebrica delle correnti immesse nel circuito da tutti gli altri generatori, più quella del generatore in parallelo che mi ricavo col partitore di corrente.
Quindi, per la corrente IR2, la formula finale è questa:


I segni delle correnti degli altri generatori sono tutti positivi poiché si sommano alla corrente IG2 che percorre il resistore.
Tutto corretto?

Elettrotecnica e non solo (admin)
Un gatto tra gli elettroni (IsidoroKZ)
Esperienza e simulazioni (g.schgor)
Moleskine di un idraulico (RenzoDF)
Il Blog di ElectroYou (webmaster)
Idee microcontrollate (TardoFreak)
PICcoli grandi PICMicro (Paolino)
Il blog elettrico di carloc (carloc)
DirtEYblooog (dirtydeeds)
Di tutto... un po' (jordan20)
AK47 (lillo)
Esperienze elettroniche (marco438)
Telecomunicazioni musicali (clavicordo)
Automazione ed Elettronica (gustavo)
Direttive per la sicurezza (ErnestoCappelletti)
EYnfo dall'Alaska (mir)
Apriamo il quadro! (attilio)
H7-25 (asdf)
Passione Elettrica (massimob)
Elettroni a spasso (guidob)
Bloguerra (guerra)









