Buonasera, complimenti per il forum e per la profondità degli argomenti trattati. Riesumo questo thread per chiedere delle info, diversamente ci spostiamo in uno nuovo.
Narro un po' la storia/problema, Ho il lampeggio di 2 plafoniere led da spente (comandate dallo stesso relè/pulsante). In pratica quando vengono azionati tutti gli altri relè in casa esse "lampeggiano" velocemente, come se la pressione del pulsante "creasse" un disturbo. Anche relè presenti in altre cassette di derivazione, quindi avevo escluso un problema di "interferenza" per vicinanza. Il problema poi si manifesta solo per queste 2 plafoniere, ma tutto il resto della casa è pieno zeppo di plafoniere led :)
Veniamo al dunque e al bello, dopo essermi informato un bel po', verifico che effettivamente è correttamente la fase ad essere interrotta e che non ci sono "lucine" nel pulsante che possano creare questi disturbi. Sempre continuando a leggere acquisto dei condensatori da 0,22uF (i classici che amazon vende per questo problema, cosa detta anche qui). Inserisco in parallelo il condensatore dietro ad una delle 2 plafoniere (sono 2 plafoniere poste a 2 angoli della stanza da letto, comandante con lo stesso pulsante/relè). Niente stesso problema, al che provo ad inserirne 4, sempre in parallelo creando quindi un carico da 0,88 uF, ma niente da fare, provo anche a metterne un paio in serie, ma stesso risultato.
Poi la "svolta", mi imbatto in questo thread e "intuisco" che il problema può "venire" dalla messa a terra... al chè smonto tutte le plafoniere led in casa, che sono tutte di tipo diverso e mi accorgo che le uniche 2 che lampeggiano sono quelle che avendo carcassa metallica hanno anche l'attacco di terra otre che a fase e neutro. Quindi, stacco la messa a terra ad esse e il problema del lampeggio sparisce :)
Ora, capisco che ci addentriamo molto sul tecnico, almeno da quello che posso intuire dai discorsi fatti da @IsidoroKZ . Ma esattamente questo a cosa è dovuto? ci potrebbe essere un malfunzionamento dell'impianto? Messa a terra non in regola? Soprattutto, al contrario di quanto suggerito non ho risolto neanche con un carico da 0,88uF dietro la plafoniera. Stavo pensando di provare con quello da 1.5uF, ma vorrei approfondire l'argomento ed eventualmente risolvere il problema a monte, senza lasciare staccata la messa a terra sulle plafoniere.
Sfarfallio LED su rete elettrica
Moderatori:
sebago,
MASSIMO-G,
lillo,
Mike
0
voti
luckysquid ha scritto:Veniamo al dunque e al bello, dopo essermi informato un bel po', verifico che effettivamente è correttamente la fase ad essere interrotta e che non ci sono "lucine" nel pulsante che possano creare questi disturbi.
Essendo il "Pulsante" ad interromprre la fase, è quasi certo che il relè sia del tipo a con comune tra contatto e bobina, (di solito sono così), quindi avrai il relè con il comune al neutro, il relè stacca il neutro! quindi la fase sarà collegata direttamente alla plafoniera, ed il ritorno per la terra ne potrebbe provocare qualche lampeggio.
I condensatori avrebbero funzionato solo se il problemaa fosse stato condotto tra i due fili di alimentazione cosa che così non è.
Ben entrato suo forum.
saluti
-

lelerelele
4.899 3 7 9 - Master

- Messaggi: 5505
- Iscritto il: 8 giu 2011, 8:57
- Località: Reggio Emilia
0
voti
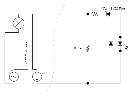
konig87 ha scritto:il led inizia probabilmente a sfarfallare quando il generatore è spento
1) Abbassi l'impedenza della linea con una Rlin di basso valore (10..30mA) vicino al LED (ad esempio 470 Ω con 12 Vcc)
2) Alzi la tensione di inizio conduzione con uno zener in serie (ad esempio da 5 V con 12 Vcc).
Una domanda ben posta è già mezza risposta.
0
voti
Grazie ad entrambi,
lelerelele Non ho ben capito, dalla situazione che hai esposto se è tutto OK a livello d'impianto, il relè è giusto? è collegato in maniera corretta? posso eventualmente postare una foto. Ho sempre creduto che la fase non fosse collegata direttamente alla lampada, ma arrivasse dal relè. Poi leggendo un po' sopra, avevo capito che anche tu avevi risolto con dei condesatori in parallelo questi casi.
Ti riporto anche una prova "stupida" che avevo fatto, ma che a me aveva fatto intuire che tutto era collegato a dovere. Ho provato ad invertire temporaneamente fase e neutro al contatore, e TUTTE le plafoniere a led in casa da spente rimanevano leggermente accese, da qui avevo intuito che la corretta "configurazione" fosse quella appunto presente.
djnz Il circuito postato se ben ho capito non è sulla parte in "alternata", va posto all'uscita dell'alimentatore interno alla plafoniera, che va ad alimentare la piccola strip led, non so se questo è fattibile, devo controllare, ma la cosa che mi preoccupa è che di conseguenza dovrei farlo a qualsiasi plafoniera led che collegherò in futuro su messa a terra.
Ma è una situazione così rara? Potrebbe essere "colpa" della "qualità" della plafoniera?
Ti riporto anche una prova "stupida" che avevo fatto, ma che a me aveva fatto intuire che tutto era collegato a dovere. Ho provato ad invertire temporaneamente fase e neutro al contatore, e TUTTE le plafoniere a led in casa da spente rimanevano leggermente accese, da qui avevo intuito che la corretta "configurazione" fosse quella appunto presente.
Ma è una situazione così rara? Potrebbe essere "colpa" della "qualità" della plafoniera?
-

luckysquid
0 2 - Messaggi: 38
- Iscritto il: 11 gen 2023, 11:14
0
voti
luckysquid ha scritto:djnz Il circuito postato se ben ho capito non è sulla parte in "alternata", va posto all'uscita dell'alimentatore interno alla plafoniera, che va ad alimentare la piccola strip led
Ah no, mi ero agganciato ai primi post dove si parlava anche di ingressi Arduino ecc. Lo schema è solo per "desensibilizzare" il LED, ad esempio di un optoisolatore. Nel caso di una plafoniera non c'entra nulla (nel senso che non è una soluzione per la plafoniera).
Una domanda ben posta è già mezza risposta.
0
voti
luckysquid ha scritto:lelerelele Non ho ben capito, dalla situazione che hai esposto se è tutto OK a livello d'impianto, il relè è giusto? è collegato in maniera corretta?
Non credo ci sia un collegamento corretto, dal momento che funziona tutto direi che è corretto l'impianto.
(Per il problema esposto era meglio che pulsanti e led fossero a neutro, ma non è detto che questo risolva sempre.)
Se hai la fase interrotta da pulsante, deve per forza avere il neutro sul relè altrimenti non funziona, se questo relè come è di solito ha un comune avrà il contatto e la bobina sul neutro, quindi la fase arriverà direttamente al LED.luckysquid ha scritto:Ho sempre creduto che la fase non fosse collegata direttamente alla lampada, ma arrivasse dal relè. Poi leggendo un po' sopra, avevo capito che anche tu avevi risolto con dei condesatori in parallelo questi casi.
Mi è capitato di risolvere il problema dei led che rimangono parzialmente accesi con condensatore in parallelo alla linea, però essendo questo caso un po diverso, dove compare anche la terra, non vorrei che ci fosse un qualche piccolo accoppiamento verso la terra, quindi il condensatore tra i fili di linea non avrebbe alcun beneficio.
saluti.
-

lelerelele
4.899 3 7 9 - Master

- Messaggi: 5505
- Iscritto il: 8 giu 2011, 8:57
- Località: Reggio Emilia
0
voti
Altra idea: ma se la "corrente residua" arriva dal filo di terra, ha senso inserire il condensatore sul filo di terra? se si accoppiato a cosa? fase o neutro?
Cosa si intende per accoppiamento verso terra? immagino che essendo il problema sulla "terra" tutti gli elettrodomestici ricevano questo disturbo, poi ovviamente la plafoniera riesce ad "evidenziarlo", forse non è così comune una plafoniera avente filo di terra?
Aggiungo che chi ha fatto l'impianto "battezza" la lampada come ciofeca, invece secondo me essa sta semplicemente "svelando" un qualche problema sull'impianto...
Mi rendo conto che forse queste non sono le problematiche di tutti i giorni che affronta l'elettricista sotto casa.
Potrei staccare la terra dalla lampada... e "ignorare" la cosa.. ma sai quant'è brutta l'ignoranza :)
-

luckysquid
0 2 - Messaggi: 38
- Iscritto il: 11 gen 2023, 11:14
0
voti
Giusto. Compreso le plafoniere che ora rimangono lampeggianti? o queste si sarebbero messe a posto?luckysquid ha scritto:lelerelele Avevo fatto la prova "banale" di invertire fase e neutro al contatore, creando immagino la condizione che hai riportato nella citazione, ma in questo caso tutti i led in casa da spenti rimanevano leggermente accesi (luce fioca). (quindi non risolutivo) è giusto come ragionamento?
No, non è che la corrente arriva da filo di terra, ma questo filo potrebbe fungere da neutro, che nel tuo caso è staccato dal relè, mentre è presente la fase diretta.luckysquid ha scritto:Altra idea: ma se la "corrente residua" arriva dal filo di terra, ha senso inserire il condensatore sul filo di terra? se si accoppiato a cosa? fase o neutro?
Cosa si intende per accoppiamento verso terra?
L'accoppiamento verso terra, sta ad indicare che in questo caso puoi avere una capacità distribuita tra i due fili, o due parti metalliche, cioè il classico condensatore, anche se può avere solo piccoli valori capacitivi, possono essere sufficienti per fare passare piccole correnti, che sono visibili dai led e non lo sono per altri tipi di lampade.
Non avrebbe senso mettere un condensatore verso terra, anzi darebbe problemi a tutto l'impianto, rendendo possibile lo sgancio del differenziale. Il condensatore in rete, va messo tra i due fili della lampada, in questo modo, fungendo da piccolo carico reattivo, porta a valori innocui quel possibile accoppiamento di cui si parlava prima, ed impedisce ad i led di accendersi con quella piccola corrente. Il condensatore va sempre messo tra i fili di linea, ed avere in serie una resistenza adeguata, che è gia presente in un filtro, non è presente in un condensatore standard.
non so se sono stato chiaro, ma è necessario avere una certa conoscenza di elettrotecnica per capire il circuito.
luckysquid ha scritto:Potrei staccare la terra dalla lampada... e "ignorare" la cosa.. ma sai quant'è brutta l'ignoranza :)
non farlo! potresti trovare la tensione di rete sulla lampada, toccandola con le mani si puo prendere la scossa, ed inoltre non sarebbe piu a norma, in caso di problemi si puo incorrere in guai.
saluti.
-

lelerelele
4.899 3 7 9 - Master

- Messaggi: 5505
- Iscritto il: 8 giu 2011, 8:57
- Località: Reggio Emilia
0
voti
Quando ho invertito fase e neutro al contatore, tutte le lampade a led in casa , comprese le lampeggianti sono rimaste "leggermente" accese da spente, non solo quelle che fanno il difetto, ho intuito ovviamente che fase e neutro fossero state collegate a dovere e ovviamente sono ritornato alla configurazione iniziale. In quella condizione lì non ho controllato se "movimentando" altri pulsanti le plafoniera lampeggiassero. (Tanto non posso seguire questa strada, ammesso che il lampeggio fosse risolto andrebbero inseriti dei condensatori ad ogni singola luce led in casa per farla spegnere definitivamente).
Spero di essermi spiegato bene.
Ho letto un po' di dettagli sull'accoppiamento induttivo che può crearsi in caso di lunghe linee parallele, a me onestamente sembra questo il caso. Il problema che anche inserendo un condensatore prima da 0,22uF e poi da 0,88uF in parallelo alle 2 linee il problema non è risolto.
Di conseguenza non so più come muovermi avevo ipotizzato di acquistare un condensatore da 1.5uF
-

luckysquid
0 2 - Messaggi: 38
- Iscritto il: 11 gen 2023, 11:14
0
voti
ritieni possibile che il solo condensatore, in assenza di resistenza non abbia risolto il problema? Nei negozi di elettronica, vendono anche tutto il "filtro" pronto per essere collegato? (come a questi condensatori pensati per lo scopo?)
Vale la pena prima provare con il "classico" condensatore da 1.5uF? dai test effettuati sono arrivato massimo a 0.88uF
Mi sembra di capire che più è lungo il tratto in cui i fili sono "paralleli" più deve essere alta la capacità del condensatore per "limitare" il disturbo dietro la lampada
Grazie
Vale la pena prima provare con il "classico" condensatore da 1.5uF? dai test effettuati sono arrivato massimo a 0.88uF
Mi sembra di capire che più è lungo il tratto in cui i fili sono "paralleli" più deve essere alta la capacità del condensatore per "limitare" il disturbo dietro la lampada
Grazie
-

luckysquid
0 2 - Messaggi: 38
- Iscritto il: 11 gen 2023, 11:14
Torna a Impianti, sicurezza e quadristica
Chi c’è in linea
Visitano il forum: Nessuno e 103 ospiti

Elettrotecnica e non solo (admin)
Un gatto tra gli elettroni (IsidoroKZ)
Esperienza e simulazioni (g.schgor)
Moleskine di un idraulico (RenzoDF)
Il Blog di ElectroYou (webmaster)
Idee microcontrollate (TardoFreak)
PICcoli grandi PICMicro (Paolino)
Il blog elettrico di carloc (carloc)
DirtEYblooog (dirtydeeds)
Di tutto... un po' (jordan20)
AK47 (lillo)
Esperienze elettroniche (marco438)
Telecomunicazioni musicali (clavicordo)
Automazione ed Elettronica (gustavo)
Direttive per la sicurezza (ErnestoCappelletti)
EYnfo dall'Alaska (mir)
Apriamo il quadro! (attilio)
H7-25 (asdf)
Passione Elettrica (massimob)
Elettroni a spasso (guidob)
Bloguerra (guerra)
