Dispositivo di rincalzo impianto fotovoltaico
Moderatori:
sebago,
mario_maggi
15 messaggi
• Pagina 1 di 2 • 1, 2
0
voti
Buona sera, nel caso di impianto con potenza maggiore di 20 kW deve essere previsto un dispositivo di rincalzo asservito alla protezione di interfaccia esterna. La funzione di rincalzo può essere svolta anche dal DG: per es. ipotizzando un impianto ftv da 25A, esso dovrà avere una corrente nominale di 50 A e corrente di corto circuito pari a 10 kA. Tale interruttore magnetotermico per svolgere la funzione di rincalzo deve avere altre specifiche tecniche?
0
voti
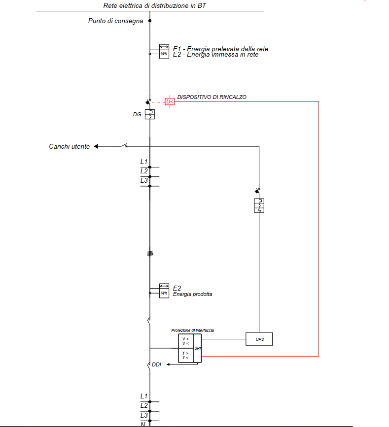
Ho realizzato lo schema unifilare in cui al DG si accoppia la bobina di minima tensione (spero che il simbolo elettrico sia corretto) che viene comandata dalla protezione di interfaccia esterna. E' corretto in questo modo?
0
voti
GioArca67 ha scritto:Scusa, ma hai un altro contattore sotto E2 (che in effetti è E3): perché non lo usi?
A me piace poco staccare tutto per un problema rilevato dall'SPI...
Il contattore onnipolare di categoria AC3 rappresentato nello schema è il DDI per cui ho considerato come dispositivo di rincalzo ad DDI stesso, in base a quanto prevede la CEI 0-21, il DG.
Il mio dubbio è relativo alla correttezza dell'accoppiamento della bobina di minima tensione, comandata dalla protezione di interfaccia esterna, al DG per assolvere la funzione di rincalzo.
0
voti
firefox ha scritto:Buona sera, nel caso di impianto con potenza maggiore di 20 kW deve essere previsto un dispositivo di rincalzo asservito alla protezione di interfaccia esterna. La funzione di rincalzo può essere svolta anche dal DG: per es. ipotizzando un impianto ftv da 25A, esso dovrà avere una corrente nominale di 50 A e corrente di corto circuito pari a 10 kA. Tale interruttore magnetotermico per svolgere la funzione di rincalzo deve avere altre specifiche tecniche?
Se è idoneo come DG è idoneo anche per il rincalzo. Anche se usare il DG come rincalzo non è il massimo, dipende comunque dalle esigenze dell'impianto utente, se è residenziale pazienza, terziario/artigianale/industriale magari gli girano
--
Michele Lysander Guetta
--
"Non pensare mai al dolore, al pericolo o ai nemici un momento più lungo del necessario per combatterli." — Ayn Rand
Michele Lysander Guetta
--
"Non pensare mai al dolore, al pericolo o ai nemici un momento più lungo del necessario per combatterli." — Ayn Rand
-

Mike
55,6k 7 10 12 - G.Master EY

- Messaggi: 17005
- Iscritto il: 1 ott 2004, 18:25
- Località: Conegliano (TV)
0
voti
Mike ha scritto:firefox ha scritto:Buona sera, nel caso di impianto con potenza maggiore di 20 kW deve essere previsto un dispositivo di rincalzo asservito alla protezione di interfaccia esterna. La funzione di rincalzo può essere svolta anche dal DG: per es. ipotizzando un impianto ftv da 25A, esso dovrà avere una corrente nominale di 50 A e corrente di corto circuito pari a 10 kA. Tale interruttore magnetotermico per svolgere la funzione di rincalzo deve avere altre specifiche tecniche?
Se è idoneo come DG è idoneo anche per il rincalzo. Anche se usare il DG come rincalzo non è il massimo, dipende comunque dalle esigenze dell'impianto utente, se è residenziale pazienza, terziario/artigianale/industriale magari gli girano.
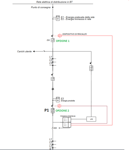
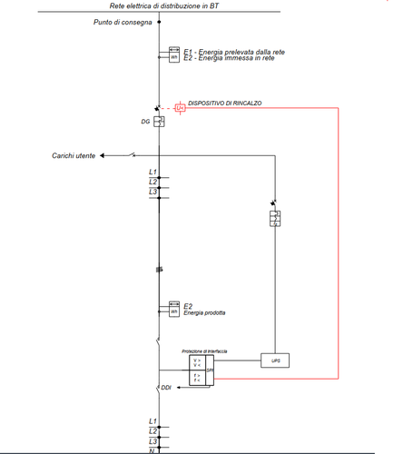
Ho aggiornato lo schema unifilare con due opzioni di collegamento del dispositivo di rincalzo: OPZIONE 1 con la Bobina sgancio di minima tensione collegata DG (applico esattamente quanto prevede la norma Cei 0-21 "Per potenze dell’impianto superiori a 20 kW deve essere previsto un dispositivo di rincalzo al DDI (che eventualmente può essere il DG/DGL)") OPZIONE 2 con la Bobina sgancio di minima tensione collegata al P1 per evitare collegamenti eccessivamente lunghi considerando che il DG sarà posto sotto il contatore di scambio mentre il P1 sarà posto nel quadretto in cui sono presenti protezione di interfaccia e relativa contattore (DDI). Voi quale opzione applichereste?
0
voti
firefox ha scritto:Ho aggiornato lo schema unifilare con due opzioni di collegamento del dispositivo di rincalzo: OPZIONE 1 con la Bobina sgancio di minima tensione collegata DG (applico esattamente quanto prevede la norma Cei 0-21 "Per potenze dell’impianto superiori a 20 kW deve essere previsto un dispositivo di rincalzo al DDI (che eventualmente può essere il DG/DGL)") OPZIONE 2 con la Bobina sgancio di minima tensione collegata al P1 per evitare collegamenti eccessivamente lunghi considerando che il DG sarà posto sotto il contatore di scambio mentre il P1 sarà posto nel quadretto in cui sono presenti protezione di interfaccia e relativa contattore (DDI). Voi quale opzione applichereste?
Sicuramente la opzione 2. Aggiungo che per il dispositivo di rincalzo non è richiesta la bobina di minima tensione.
--
Michele Lysander Guetta
--
"Non pensare mai al dolore, al pericolo o ai nemici un momento più lungo del necessario per combatterli." — Ayn Rand
Michele Lysander Guetta
--
"Non pensare mai al dolore, al pericolo o ai nemici un momento più lungo del necessario per combatterli." — Ayn Rand
-

Mike
55,6k 7 10 12 - G.Master EY

- Messaggi: 17005
- Iscritto il: 1 ott 2004, 18:25
- Località: Conegliano (TV)
0
voti
Opzione 2 che però non rispetto quando previsto dalla Cei 0-21. Inoltre, non utilizzando la bobina di minima tensione il P1 o DG (semplici interruttori magnetotermici differenziali/mangnaterotermici 4 poli) fungono da dispositivi di rincalzo collegandoli semplicemente alla protezione interfaccia esterna?
0
voti
firefox ha scritto:Opzione 2 che però non rispetto quando previsto dalla Cei 0-21.
Cos'è che non rispetteresti di preciso? Quale prescrizione?
firefox ha scritto:Inoltre, non utilizzando la bobina di minima tensione il P1 o DG (semplici interruttori magnetotermici differenziali/mangnaterotermici 4 poli) fungono da dispositivi di rincalzo collegandoli semplicemente alla protezione interfaccia esterna?
Sì, che dubbi hai in proposito?
--
Michele Lysander Guetta
--
"Non pensare mai al dolore, al pericolo o ai nemici un momento più lungo del necessario per combatterli." — Ayn Rand
Michele Lysander Guetta
--
"Non pensare mai al dolore, al pericolo o ai nemici un momento più lungo del necessario per combatterli." — Ayn Rand
-

Mike
55,6k 7 10 12 - G.Master EY

- Messaggi: 17005
- Iscritto il: 1 ott 2004, 18:25
- Località: Conegliano (TV)
15 messaggi
• Pagina 1 di 2 • 1, 2
Torna a Energia e qualità dell'energia
Chi c’è in linea
Visitano il forum: Nessuno e 11 ospiti

Elettrotecnica e non solo (admin)
Un gatto tra gli elettroni (IsidoroKZ)
Esperienza e simulazioni (g.schgor)
Moleskine di un idraulico (RenzoDF)
Il Blog di ElectroYou (webmaster)
Idee microcontrollate (TardoFreak)
PICcoli grandi PICMicro (Paolino)
Il blog elettrico di carloc (carloc)
DirtEYblooog (dirtydeeds)
Di tutto... un po' (jordan20)
AK47 (lillo)
Esperienze elettroniche (marco438)
Telecomunicazioni musicali (clavicordo)
Automazione ed Elettronica (gustavo)
Direttive per la sicurezza (ErnestoCappelletti)
EYnfo dall'Alaska (mir)
Apriamo il quadro! (attilio)
H7-25 (asdf)
Passione Elettrica (massimob)
Elettroni a spasso (guidob)
Bloguerra (guerra)




