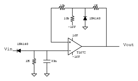
Ciao a tutti, sto cercando di comprendere il funzionamento del circuito in oggetto, ma mi sfugge qualcosa.
Breve spiegazione del contesto: il circuito è utilizzato per switchare il riverbero di un amplificatore (Fender Roc Pro 1000)
Viene utilizzata una tensione sinusoidale in cui (per questa funzione in particolare) si osservano solo le semionde negative.
L'opamp comanda la logica di accensione/spegnimento della funzione desiderata.
Se l'ampiezza di picco di Vin è di circa -3V l'uscita dell'opamp deve rimanere alta, se -0.3V l'uscita deve rimanere bassa.
Simulando il circuito, funziona perfettamente, ma non riesco a capire come.
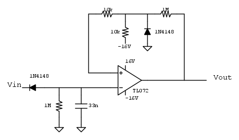
Contando che è tutto "specchiato" dato che stiamo lavorando su semionde negative, vedo un peak detector in ingresso all'opamp (in cui la resistenza da 1M compie un lavoro di "scarica lenta" della capacità).
Non riesco però a capire in che configurazione sia l'opamp e perché sia stata fatta così.
perché non è stato utilizzato un 'semplice' comparatore con soglia ad esempio -1V?
In questo caso mi pare che sia il diodo a fare la funzione di tensione di soglia (a circa -0.7V)
Le mie domande sono: c'è una qualche funzione particolare che mi sta sfuggendo per la quale sia stata fatta questa scelta?
Come funziona esattamente questo circuito?
Grazie
Francesco
P.s.: in allegato gli ingressi/uscite del circuito simulato: in blu Vin (non considerate le semionde positive), in verde l'ingresso all'opamp, in rosso l'uscit dell'opamp (scalata di un fattore 10 per migliore visualizzazione)
Comparatore particolare con opamp
Moderatori:
carloc,
g.schgor,
BrunoValente,
IsidoroKZ
5 messaggi
• Pagina 1 di 1
1
voti
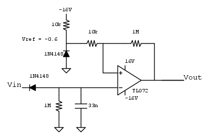
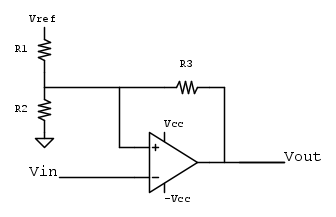
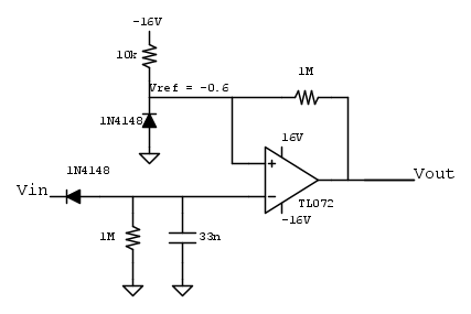
Il circuito sembra un semplice comparatore invertente con soglia di -0,6 V
Ma ora dopo pranzo sono esausto per continuare la spiegazione.
Mi domando a cosa serve la R 1Mohm fra Vout e diodo, forse crea un pochissimo di isteresi.
La R 10k in serie all'ingresso non invertente forse serve solo come protezione
0
voti
Ahhhh ok, ti ringrazio. Allora effettivamente era usato come comparatore con il diodo per creare la -0.6V.
Mi sono lasciato trarre in inganno dalla 10k in serie all'ingresso non invertente e al "feedback" con la 1M, e
dall'abitudine a vedere le voltage reference 'disegnate sempre allo stesso modo' (disegnato così mi è chiaro; ho tralasciato la 10k in serie considerando che serva 'solo da protezione', ma da cosa?)
Ho letto da questa pagina a cosa serva e come venga implementata l'isteresi su un comparatore, non ne sapevo nulla.
Se non ho capito male la 'resistenza di isteresi' serve a portare (se output >0) o a sottrarre (se output<0) corrente alla voltage reference, polarizzando il diodo (o la resistenza in caso di una vref 'classica') in modo da creare due soglie leggermente differenti a seconda dello stato dell'uscita, evitando oscillazioni in caso la tensione in ingresso sia molto prossima alla vref. Tanto minore è il valore della 'resistenza di isteresi', tanto maggiore sarà la differenza tra le 2 tensioni. Corretto?
Grazie come sempre per l'aiuto
Mi sono lasciato trarre in inganno dalla 10k in serie all'ingresso non invertente e al "feedback" con la 1M, e
dall'abitudine a vedere le voltage reference 'disegnate sempre allo stesso modo' (disegnato così mi è chiaro; ho tralasciato la 10k in serie considerando che serva 'solo da protezione', ma da cosa?)
Ho letto da questa pagina a cosa serva e come venga implementata l'isteresi su un comparatore, non ne sapevo nulla.
Se non ho capito male la 'resistenza di isteresi' serve a portare (se output >0) o a sottrarre (se output<0) corrente alla voltage reference, polarizzando il diodo (o la resistenza in caso di una vref 'classica') in modo da creare due soglie leggermente differenti a seconda dello stato dell'uscita, evitando oscillazioni in caso la tensione in ingresso sia molto prossima alla vref. Tanto minore è il valore della 'resistenza di isteresi', tanto maggiore sarà la differenza tra le 2 tensioni. Corretto?
Grazie come sempre per l'aiuto

0
voti
Si, corretto.Tanto minore è il valore della 'resistenza di isteresi', tanto maggiore sarà la differenza tra le 2 tensioni. Corretto?
Ho inserito la R 10 k in modo che crei un poco di isteresi.
0
voti
Ciao, prima non avevo appreso a pieno il significato del comparatore con isteresi perché nell'applicazione su cui mi ero concentrato non ne era chiara l'importanza.
Ho poi analizzato un'altra sezione della logica di switch di questo amplificatore e mi sono reso conto che gli serviva attivare e disattivare l'uscita dell'opamp solo quando il segnale fosse stato > 10V o < di 4V, "discriminando" le tensioni nel mezzo.
Ho trovato una application note della Rohm completa e interessante a riguardo alle varie configurazioni di comparatori con isteresi; in particolare mi sono concentrato sulla configurazione molto simile a quella che abbiamo visto prima:
Se a qualcuno può essere utile allego qui sotto un un semplice calcolatore in python che ho realizzato per dimensionare le resistenze R1 ed R3 impostando i vari parametri di progetto ed un valore arbitrario di R2.
I calcoli sono basati sulle eq. trovate nella AN linkata sopra.
(ho verificato i valori che restituisce sia con lo schema esistente che con simulazioni Spice e dovrebbe essere tutto ok)
Grazie,
Ciao
Francesco
Ho poi analizzato un'altra sezione della logica di switch di questo amplificatore e mi sono reso conto che gli serviva attivare e disattivare l'uscita dell'opamp solo quando il segnale fosse stato > 10V o < di 4V, "discriminando" le tensioni nel mezzo.
Ho trovato una application note della Rohm completa e interessante a riguardo alle varie configurazioni di comparatori con isteresi; in particolare mi sono concentrato sulla configurazione molto simile a quella che abbiamo visto prima:
Se a qualcuno può essere utile allego qui sotto un un semplice calcolatore in python che ho realizzato per dimensionare le resistenze R1 ed R3 impostando i vari parametri di progetto ed un valore arbitrario di R2.
I calcoli sono basati sulle eq. trovate nella AN linkata sopra.
(ho verificato i valori che restituisce sia con lo schema esistente che con simulazioni Spice e dovrebbe essere tutto ok)
Grazie,
Ciao
Francesco
- Codice: Seleziona tutto
# Calcolatore per resistenze comparatore con isteresi - F. Nastrucci - 04/02/23
# Valori basati su schema a pag. 5 del "Hysteresis Setting for comparator"
# (application notes della Rohm)
R2 = 100000 # resistenza verso terra da input non invertente [ohm]
VOH = 16 # Tensione massima di uscita dell'opamp quando saturato in positivo [V]
VOL = -16 # Tensione minima di uscita dell'opamp quando saturato in negativo [V]
Vthlow = 4 # Soglia di isteresi inferiore voluta [V]
Vthhigh = 10.2 # Soglia di isteresi superiore voluta [V]
Vref = 10 # Tensione di riferimento a cui è collegata R1 [V]
R1=(R2*VOH*Vref-R2*VOH*Vthlow-R2*VOL*Vref+R2*VOL*Vthhigh-R2*Vref*Vthhigh+R2*Vref*Vthlow)/(VOH*Vthlow-VOL*Vthhigh)
R3=(R2*VOH*Vref-R2*VOH*Vthlow-R2*VOL*Vref+R2*VOL*Vthhigh-R2*Vref*Vthhigh+R2*Vref*Vthlow)/(Vref*Vthhigh-Vref*Vthlow)
print("R1 = "+str(round(R1/1000,2))+" kohm")
print("R3 = "+str(round(R3/1000,2))+" kohm")
5 messaggi
• Pagina 1 di 1
Chi c’è in linea
Visitano il forum: Nessuno e 222 ospiti

Elettrotecnica e non solo (admin)
Un gatto tra gli elettroni (IsidoroKZ)
Esperienza e simulazioni (g.schgor)
Moleskine di un idraulico (RenzoDF)
Il Blog di ElectroYou (webmaster)
Idee microcontrollate (TardoFreak)
PICcoli grandi PICMicro (Paolino)
Il blog elettrico di carloc (carloc)
DirtEYblooog (dirtydeeds)
Di tutto... un po' (jordan20)
AK47 (lillo)
Esperienze elettroniche (marco438)
Telecomunicazioni musicali (clavicordo)
Automazione ed Elettronica (gustavo)
Direttive per la sicurezza (ErnestoCappelletti)
EYnfo dall'Alaska (mir)
Apriamo il quadro! (attilio)
H7-25 (asdf)
Passione Elettrica (massimob)
Elettroni a spasso (guidob)
Bloguerra (guerra)







