Gragnanese ha scritto:Scusate se intervengo di nuovo ma è solo per ribadire che la spia si deve accendere quando ai capi dello strumento ci sono 2 / 3 V circa
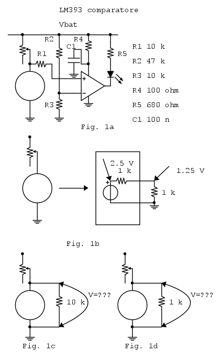
Il circuito (lo riporto qui sotto) del post [62] soddisfa tutte le tue richieste - anche di piu'

.
Come ho gia' scritto I tuoi "2 / 3 V circa" dipendono dalla posizione del galleggiante e dalla tensione della batteria per cui invece che riferirsi ad una tensione fissa e' corretto riferirsi ad una tensione "percentuale" della batteria.
In ogni caso nel circuito qui sotto - dai calcoli e dalle misure di
Elidur post [70] - con tensione di batteria di 14 V la tensione di soglia vale 2.5 V.
Vedi Fig.1a
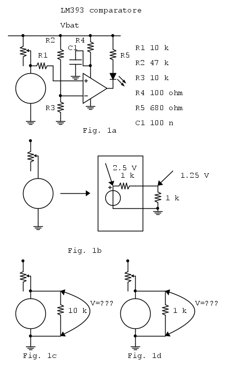
Gragnanese ha scritto:Un circuito con impedenza in entrata alta è sicuramente la soluzione per evitare che il circuito stesso vada ad influenzare la misura "originale" dello strumento
Qui, a mio modo di vedere, c'e' una fallacia logica. - L'impedenza di entrata alta NON e' necessaria purche' sia nota.
1) supponiamo di misurare una tensione di 2.5 V al livello "riserva" nel serbatoio utilizzando uno strumento "perfetto" (resistenza di entrata "infinita").
2) supponiamo che la resistenza di uscita del sensore (galleggiante + reostato) sia 1 k.
3) supponiamo che la resistenza di entrata del mio sistema che deve accendere il led sia anch'essa 1 k
4) e' evidente che la tensione all'ingresso del mio sistema si reduce a meta' (partitore di 2 resistenze uguali 1k - 1k) da cui consegue che la soglia da impostare e' meta' di 2.5 V - > 1,25 V
5) In ogni caso la "resistenza" di ingresso dell'LM393 e' 100 nA che introduce un errore di 10 mV con resistenza di uscita del sensore di 100 k e 0,1 mV con resistenza di uscita del sensore di 1 k - errore trascurabile ripetto al range di 2 -3 V richiesto.
Questo "errore" e' in ogni caso "compensabile" conoscendo la resistenza di uscita del sensore.
Vedi fIg. 1b
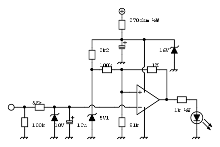
Gragnanese ha scritto:Per misurare la resistenza del reostato galleggiante lo dovrei smontare e questo mi comporta un lavorone che non voglio fare
La misura della resistenza e' inutile.
Quello che dovresti fare - anche se la misura ai fini della precisione richiesta al circuito e' poco rilevante - e' misurare la resistenza di uscita del sensore (galleggiante + reostato) al livello di riserva del serbatoio.
Per rilevare il parametro "resistenza di uscita del sensore" dovresti misurare la tensione " - quella ai capi del voltmetro - al livello di riserva del serbatoio" collegando l'uscita con:
1) resistenza verso massa da 10 k
2) resistenza verso massa da 1 k
Dal valore delle due tensioni misurate e' possibile calcolare la resistenza di uscita del sensore al livello di riserva del serbatoio e - se del caso - applicare le correzioni di cui al punto 5)
Vedi Fig. 1c e 1d