Quindi adesso mi sono preso una pausa ma avendo visto tutto di fretta non posso valutare più di tanto. Quello che ho notato nell'immediato, e che non mi convince, è la dimensione delle piste interessate dalle correnti elevate. Sarebbe meglio farle molto più ampie, comprese quelle che collegano l'elettrolitico C1 oltre ad un riempimento dei piani di massa.
Puoi prendere spunto dai criteri adottati dalla rivista di NE.
Il transistor pilota lo girerei presentando la parte metallizzata verso l'esterno della PCB ma è possibile che tu ci abbia già pensato e che le immagini prodotte siano soltanto un'anteprima provvisoria di lavorazione.
Poi c'è un problema con il trasformatore. Quelli che hai indicato temo che non potranno essere utilizzati, salvo riavvolgere il secondario. Nel caso fossero toroidali sarebbe una modifica meno complicata ma in ogni caso non sarebbe comunque un intervento da poco.
Purtroppo le attuali tensioni di quei trasformatori non sono adatte per il circuito.
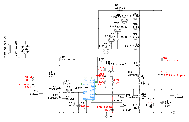
Adesso devo fare alcune considerazioni sullo schema che ho pubblicato al post [1]:
ieri sera ho riscontrato che le modifiche introdotte per utilizzare un led da 20mA per la segnalazione della corrente, hanno peggiorato il funzionamento del segnalatore luminoso. Il circuitino realizzato per segnalare l'intervento della limitazione era una realizzazione dell'ultimo momento, un semplice artificio introdotto per cercare di sincronizzare l'accensione del led con la regolazione della corrente. Purtroppo mettendo un led da 20mA il circuitino ha funzionato male e ho dovuto trovare una soluzione alternativa perché la sola sostituzione della resistenza non ha dato il risultato previsto. Adesso ho fatto alcune modifiche allo schema che hanno regolarizzato il funzionamento del segnalatore coerentemente con l'intervento della protezione. In pratica, come vedi, ho collegato diversamente il BJT PNP e ho modificato il valore di alcuni componenti e adesso il servizio di segnalazione sembra affidabile ma farò un test più approfondito appena possibile. Ovviamente il problema del led era fine a se stesso e non incideva e non incide sulla funzione di limitazione della corrente che è indipendente dal led, quindi, questa interviene regolarmente in base all'impostazione del potenziometro ma nella condizione precedente la segnalazione funzionava in modo troppo spannometrico.
Con i componenti e i valori attuali di schema, potrai ottenere 5 Ampere in uscita fino a 25V, e anche qualcosa in più, stabili e puliti ma in caso di corto la tensione di uscita arriverebbe prossima allo zero e lo stadio finale composto dai 3 finali 2N3055 sarebbe costretto a dissipare circa 340W, anche se ben raffreddato, una potenza superiore al valore di potenza ricavato dal datasheet. Il problema sarebbe risolvibile in due modi:
1) aggiungendo un quarto 2N3055 in parallelo con la relativa resistenza di equalizzazione sull'emettitore, portando così la potenza complessiva, teoricamente dissipabile, a 440W;
2) sostituire i 3 finali 2N3055 con degli MJ15003, come suggerito da
Ho modificato anche la potenza della resistenza di sensing R8, portandola a 20W. Sempre in caso di corto, potrebbe dissipare più di 13W e ho ritenuto più sicuro portarla a 20W. Io ho utilizzato una di quelle resistenze corazzate di colore oro, acquistata dai cinesi, che hanno anche i fori per avvitarle al dissipatore.
Ho raddoppiato il diodo DS2 perché potrebbe scaldare. Il mio scalda poco perché come ho già detto ho utilizzato un diodo a vitone regalatomi da
Ho anche aumentato a 100mF il condensatore C7 per ridurre il rumore del diodo zener contenuto nel 723.
Si potrebbe valutare di aggiungere una ulteriore protezione CROWBAR in modo da mandare a zero l'erogazione in caso di superamento della corrente e in caso di corto ma non ho ancora avuto il tempo di ragionarci su, poi non so se t'interessa.
Si potrebbe anche aggiungere uno shutdown sul 723. Questa aggiunta è più semplice da realizzare ma anche in questo caso non so se t'interessa.
Dove è stato possibile, ho colorato di rosso le modifiche.
Per il momento concludo qui l'intervento anche perché sono un po' "indaffarato". Ringrazio

Elettrotecnica e non solo (admin)
Un gatto tra gli elettroni (IsidoroKZ)
Esperienza e simulazioni (g.schgor)
Moleskine di un idraulico (RenzoDF)
Il Blog di ElectroYou (webmaster)
Idee microcontrollate (TardoFreak)
PICcoli grandi PICMicro (Paolino)
Il blog elettrico di carloc (carloc)
DirtEYblooog (dirtydeeds)
Di tutto... un po' (jordan20)
AK47 (lillo)
Esperienze elettroniche (marco438)
Telecomunicazioni musicali (clavicordo)
Automazione ed Elettronica (gustavo)
Direttive per la sicurezza (ErnestoCappelletti)
EYnfo dall'Alaska (mir)
Apriamo il quadro! (attilio)
H7-25 (asdf)
Passione Elettrica (massimob)
Elettroni a spasso (guidob)
Bloguerra (guerra)








