Scusate, ma una cosa del genere portata direttamente ad un ADC di un micro può funzionare?
Mi sembra che (a parte le protezioni contro tensioni elevate siano assenti) con l'accoppiamento in AC non potrà mai funzionare visto che la semionda negativa non potrà essere letta dall'ADC.
Aggiungendo un paio di resistenze potrebbe andare fino a qualche kHz?
"Front end" oscilloscopio con MCU
Moderatori:
carloc,
g.schgor,
BrunoValente,
IsidoroKZ
7 messaggi
• Pagina 1 di 1
1
voti
Ho proprio recentemente parlato del "kickback" degli ADC con architettura SAR (il 99% degli ADC integrati in MCU). Era nel thread sulla ghironda.
Con un circuito del genere si misura in maniera eccellente il rumore prodotto dall'ADC stesso durante il sampling.
Il pilotaggio deve essere a bassa impedenza.
Boiler
Con un circuito del genere si misura in maniera eccellente il rumore prodotto dall'ADC stesso durante il sampling.
Il pilotaggio deve essere a bassa impedenza.
Boiler
0
voti
puoi farlo precedere da uno stadio attivo buffer che offra un'alta impedenza di ingresso e una bassa di uscita.
Il SAH dell'adc ne sarebbe contento e puoi mettere li tutte le protezioni/attenuazioni/....
Il SAH dell'adc ne sarebbe contento e puoi mettere li tutte le protezioni/attenuazioni/....
1
voti
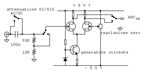
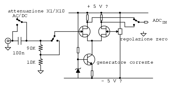
questa è la versione con amplificatore differenziale con due FET, guadagno forse non ben definibile, forse obsoleta. E' possibile usare un amplificatore operazionale, che però potrebbe avere maggiori problemi di banda passante.
Progettare vuol dire analizzare attentamente varie configurazioni, soppesare i pro e contro, scegliere i componenti attivi e dimensionare al meglio tutti componenti passivi. Nulla è semplice da fare.
0
voti
Grazie. Nessuna pretesa.
La mia era poi più che altro una curiosità su come potessero aver proposto il primo circuito per accoppiamento in AC: l'ADC di un microcontrollore non avrebbe mai potuto leggere le semionde negative... C'era anche un bel video dei risultati...
E se vi fosse una soluzione passiva "quick & dirty"
La mia era poi più che altro una curiosità su come potessero aver proposto il primo circuito per accoppiamento in AC: l'ADC di un microcontrollore non avrebbe mai potuto leggere le semionde negative... C'era anche un bel video dei risultati...
E se vi fosse una soluzione passiva "quick & dirty"
7 messaggi
• Pagina 1 di 1
Chi c’è in linea
Visitano il forum: Nessuno e 30 ospiti

Elettrotecnica e non solo (admin)
Un gatto tra gli elettroni (IsidoroKZ)
Esperienza e simulazioni (g.schgor)
Moleskine di un idraulico (RenzoDF)
Il Blog di ElectroYou (webmaster)
Idee microcontrollate (TardoFreak)
PICcoli grandi PICMicro (Paolino)
Il blog elettrico di carloc (carloc)
DirtEYblooog (dirtydeeds)
Di tutto... un po' (jordan20)
AK47 (lillo)
Esperienze elettroniche (marco438)
Telecomunicazioni musicali (clavicordo)
Automazione ed Elettronica (gustavo)
Direttive per la sicurezza (ErnestoCappelletti)
EYnfo dall'Alaska (mir)
Apriamo il quadro! (attilio)
H7-25 (asdf)
Passione Elettrica (massimob)
Elettroni a spasso (guidob)
Bloguerra (guerra)









