hai trovato il difetto, pare,
ma non hai specificato:
le de sinusoidi sono uguali di frequenza?
sono in fase controfase, o fasatura libera?
perché è il valore istantaneo delle due che viene rilevato, e darà un valore di uscita.
saluti.
Differenziale tra due onde sinusoidali
Moderatori:
carloc,
g.schgor,
BrunoValente,
IsidoroKZ
38 messaggi
• Pagina 2 di 4 • 1, 2, 3, 4
1
voti
-

lelerelele
4.899 3 7 9 - Master

- Messaggi: 5505
- Iscritto il: 8 giu 2011, 8:57
- Località: Reggio Emilia
0
voti
A dire il vero no.
Prima avevo provato a mettere due follower subito prima del differenziale per "isolare" i due ingressi, ma alla fine ho cambiato sistema.
Le due sinusoidi sono uguali in frequenza, ma possono essere distorte in modo diverso e/o sfasate (in base alla frequenza e/o manualmente - è quello che il circuito precedente al differenziale fa).
Posto 4 foto giusto per far capire cosa intendo. Sicuramente, come già detto, sono io che sbaglio, ma non capisco dove. Ho provato anche a sostituire il tutto con un generatore di funzioni (due uscite), ma non cambia.
Le foto si riferiscono al differenziale a 10 kHz e 200 kHz (gli intermedi non sono migliori), prima i due segnali, dopo un segnale e il differenziale amplificato 20 volte.
Lo slew rate del TLC2272 è 3,6 V/uSec, quindi con un Vpkpk di 1,84 ho Fmax = 3.6/(2*3.14*1.84) = 300 kHz.
quindi non dovrei avere prb...
Il differenziale per i 200 kHz è troppo piccolo, se lo verifico con l'oscilloscopio in modalità differenziale il risultato è diverso/corretto... (Blu +, Giallo -)
Ho inserito molte informazioni un po a ruota libera, se serve spiego meglio alcuni punti, faccio altre prove...
Mi sapete dire Cosa sbaglio ?
(Grazie)
Prima avevo provato a mettere due follower subito prima del differenziale per "isolare" i due ingressi, ma alla fine ho cambiato sistema.
Le due sinusoidi sono uguali in frequenza, ma possono essere distorte in modo diverso e/o sfasate (in base alla frequenza e/o manualmente - è quello che il circuito precedente al differenziale fa).
Posto 4 foto giusto per far capire cosa intendo. Sicuramente, come già detto, sono io che sbaglio, ma non capisco dove. Ho provato anche a sostituire il tutto con un generatore di funzioni (due uscite), ma non cambia.
Le foto si riferiscono al differenziale a 10 kHz e 200 kHz (gli intermedi non sono migliori), prima i due segnali, dopo un segnale e il differenziale amplificato 20 volte.
Lo slew rate del TLC2272 è 3,6 V/uSec, quindi con un Vpkpk di 1,84 ho Fmax = 3.6/(2*3.14*1.84) = 300 kHz.
quindi non dovrei avere prb...
Il differenziale per i 200 kHz è troppo piccolo, se lo verifico con l'oscilloscopio in modalità differenziale il risultato è diverso/corretto... (Blu +, Giallo -)
Ho inserito molte informazioni un po a ruota libera, se serve spiego meglio alcuni punti, faccio altre prove...
Mi sapete dire Cosa sbaglio ?
(Grazie)
1
voti
Non si capisce molto.
Ridisegna lo schema completo di alimentazioni e valori.
Lascia perdere oscilloscopio e generatore di segnali.
Un detto dice che se già non funziona correttamente in continua, non funzionerà in alternata.
Tieni sconnessi gli ingressi A e B.
Segui i consigli di gill90 al post 3: rileva con un multimetro e comunica le tensioni di alimentazione, ingr +, ingr - , uscita tutte rispetto a massa.
Poi ripeti le misure connettendo fra loro (cortocircuitando) gli ingressi A e B, cosa cambia?
Ridisegna lo schema completo di alimentazioni e valori.
Lascia perdere oscilloscopio e generatore di segnali.
Un detto dice che se già non funziona correttamente in continua, non funzionerà in alternata.
Tieni sconnessi gli ingressi A e B.
Segui i consigli di gill90 al post 3: rileva con un multimetro e comunica le tensioni di alimentazione, ingr +, ingr - , uscita tutte rispetto a massa.
Poi ripeti le misure connettendo fra loro (cortocircuitando) gli ingressi A e B, cosa cambia?
0
voti
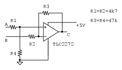
Questo lo schema:
Le prove ora non le posso fare, appena torno a casa le faccio.
Se c'è qualche punto che posso "spiegare" meglio, ditemelo...
Le prove ora non le posso fare, appena torno a casa le faccio.
Se c'è qualche punto che posso "spiegare" meglio, ditemelo...
1
voti
Il circuito di per se funziona, dipende da cosa tu vuoi che faccia ossia cosa ti aspetti.
Il problema con il tuo circuito è che l'uscita non può diventare negativa. Quindi se la differenza fra le due tensioni in ingresso viene negativa, l'uscita rimane a zero.
Hai due possibilità:
-aggiungi una tensione di alimentazione 5 V negativa
oppure
- colleghi la R4 invece che a zero a una tensione di +2,5 V,
che come ti avevo indicato puoi ottenere con un partitore di due resistori, la cui resistenza equivalente deve essere (molto) minore di 4,7k.
Il problema con il tuo circuito è che l'uscita non può diventare negativa. Quindi se la differenza fra le due tensioni in ingresso viene negativa, l'uscita rimane a zero.
Hai due possibilità:
-aggiungi una tensione di alimentazione 5 V negativa
oppure
- colleghi la R4 invece che a zero a una tensione di +2,5 V,
che come ti avevo indicato puoi ottenere con un partitore di due resistori, la cui resistenza equivalente deve essere (molto) minore di 4,7k.
1
voti
non ho capito quale onda sia corretta e quale no.
In riferimento aal'onda gialla seghettata, sicuramente è una deficienza di retroazione, oppure una frequuenza in cui la retroazione routando di fase diventa possitiva ed autoinnesca.
L'onda blu, tagliata, è sicuramente in saturazionne verso il negativo, mi pare di ricordare che uno dei due circuiti proposti, ti dissi che lavorava solo sull'onda positiva, questo è charo cosa comporti.
se intendi anche leggere le distorsioni, tra una e l'altra, potrai avere delle frequenze anche di 3 o 4 armonica che facilmente saliranno molto di frequenza, devi porti dei limiti, tra le freq. di ingresso massime e le armoniche che intendi leggere, da qua puoi valutare se l'op è entro i limiti imposti, tenendo presente anche l'ampiezza che dovrebbe fornire in uscita.
(non è che vorresti creare un distorsiosimetro?)
saluti
In riferimento aal'onda gialla seghettata, sicuramente è una deficienza di retroazione, oppure una frequuenza in cui la retroazione routando di fase diventa possitiva ed autoinnesca.
L'onda blu, tagliata, è sicuramente in saturazionne verso il negativo, mi pare di ricordare che uno dei due circuiti proposti, ti dissi che lavorava solo sull'onda positiva, questo è charo cosa comporti.
se intendi anche leggere le distorsioni, tra una e l'altra, potrai avere delle frequenze anche di 3 o 4 armonica che facilmente saliranno molto di frequenza, devi porti dei limiti, tra le freq. di ingresso massime e le armoniche che intendi leggere, da qua puoi valutare se l'op è entro i limiti imposti, tenendo presente anche l'ampiezza che dovrebbe fornire in uscita.
(non è che vorresti creare un distorsiosimetro?)
saluti
-

lelerelele
4.899 3 7 9 - Master

- Messaggi: 5505
- Iscritto il: 8 giu 2011, 8:57
- Località: Reggio Emilia
0
voti
Scusate il ritardo, ma il tempo a disposizione è quello che è ...
1° - Ho fatto la prova suggerita da gill90 e i valori sono i seguenti:
Tutto scollegato con alimentazione singola Vcc = +6,27 V
+ = 0V
- = 86,2 mV
Out = 86,8 mV
Cortocitcuito + e -:
+ e - = 38,5 mV
Out = 77,1 mV
Se ho capito bene, lo sbilanciamento è la corrente di Bias, Corretto ?
2° - ho rifatto il circuito da 0 per verificare che non ci fossero errori, aggiungendo l'opzione con doppia alimentazione realizzata con un OpAmp in configurazione Rail-Splitter e alimentando il tutto con una batteria da 12V. Tensioni V+ = +6,27 V, V- = -6,22 V.
3° - Ho fatto le prove con i due circuiti del post 9 di MarcoD. Ovviamente sistemati sul mio circuito.
Quello che viene fuori è un'onda sinusoidale che varia al variare della frequenza (aumentando la frequenza aumenta la distorsione tra le due onde e di conseguenza il differenziale).
Se però uso l'opzione dell'osc di sottrazione delle onde, l'onda ha una forma diversa, compatibile con quello che si vede sulle due onde (A & B).
- Fine - Se volete vedere le schermate dell'osc, le posto.
lelerelele: ora mi leggo con calma il tuo post e rispondo... Ho un cervello limitato e anche un po ammuffito
Aggiungo solo questo:
Seconda Foto (onde sovrapposte): osc su A & B
Prima Foto Giallo piedino A, Blu Out op in singola alimentazione (quindi segata).
In questo caso perché ho in uscita un'onda sinusoidale se le due onde sono sovrapposte ? non dovrei avere un differenziale stile linea continua come differenza punto punto (più o meno uguale) che mi restituisce lo sfasamento verticale tra le due (eventualmente anche orizzontale, ma comunque "costante")?
3 & 4 foto: come sopra, ma con frequenza più alta...
Grazie e scusate se mi sono spiegato male...
1° - Ho fatto la prova suggerita da gill90 e i valori sono i seguenti:
Tutto scollegato con alimentazione singola Vcc = +6,27 V
+ = 0V
- = 86,2 mV
Out = 86,8 mV
Cortocitcuito + e -:
+ e - = 38,5 mV
Out = 77,1 mV
Se ho capito bene, lo sbilanciamento è la corrente di Bias, Corretto ?
2° - ho rifatto il circuito da 0 per verificare che non ci fossero errori, aggiungendo l'opzione con doppia alimentazione realizzata con un OpAmp in configurazione Rail-Splitter e alimentando il tutto con una batteria da 12V. Tensioni V+ = +6,27 V, V- = -6,22 V.
3° - Ho fatto le prove con i due circuiti del post 9 di MarcoD. Ovviamente sistemati sul mio circuito.
Quello che viene fuori è un'onda sinusoidale che varia al variare della frequenza (aumentando la frequenza aumenta la distorsione tra le due onde e di conseguenza il differenziale).
Se però uso l'opzione dell'osc di sottrazione delle onde, l'onda ha una forma diversa, compatibile con quello che si vede sulle due onde (A & B).
- Fine - Se volete vedere le schermate dell'osc, le posto.
lelerelele: ora mi leggo con calma il tuo post e rispondo... Ho un cervello limitato e anche un po ammuffito
Aggiungo solo questo:
Seconda Foto (onde sovrapposte): osc su A & B
Prima Foto Giallo piedino A, Blu Out op in singola alimentazione (quindi segata).
In questo caso perché ho in uscita un'onda sinusoidale se le due onde sono sovrapposte ? non dovrei avere un differenziale stile linea continua come differenza punto punto (più o meno uguale) che mi restituisce lo sfasamento verticale tra le due (eventualmente anche orizzontale, ma comunque "costante")?
3 & 4 foto: come sopra, ma con frequenza più alta...
Grazie e scusate se mi sono spiegato male...
1
voti
Se intendi lo slittamento della tensione di uscita rispetto al punto centrale, è la tensione di offset degli ingressi, la corrente di bias è entrante od uscente dagli ingressi, e percorre le tue reti di polarizzazione in ingresso dell'op.Tekonoris ha scritto:Se ho capito bene, lo sbilanciamento è la corrente di Bias, Corretto ?
Tranquillo abche io, e poi non lavorando in questo ambito da anni può essere che faccia errori.Tekonoris ha scritto:lelerelele: ora mi leggo con calma il tuo post e rispondo... Ho un cervello limitato e anche un po ammuffito
Intendi esattamente la stessa sinusoide, senza angoli di fase? il risutato sarà zero, una linea diritta.Tekonoris ha scritto:In questo caso perché ho in uscita un'onda sinusoidale se le due onde sono sovrapposte ? non dovrei avere un differenziale stile linea continua come differenza punto punto (più o meno uguale) che mi restituisce lo sfasamento verticale tra le due (eventualmente anche orizzontale, ma comunque "costante")?
Se ho due sinusoidi di ampiezze diverse, avrò una sinusoide come uscita, e se ho due sinusoidi sfasate avrò sempre una sinusoide in uscita.
saluti.
-

lelerelele
4.899 3 7 9 - Master

- Messaggi: 5505
- Iscritto il: 8 giu 2011, 8:57
- Località: Reggio Emilia
38 messaggi
• Pagina 2 di 4 • 1, 2, 3, 4
Chi c’è in linea
Visitano il forum: Nessuno e 144 ospiti

Elettrotecnica e non solo (admin)
Un gatto tra gli elettroni (IsidoroKZ)
Esperienza e simulazioni (g.schgor)
Moleskine di un idraulico (RenzoDF)
Il Blog di ElectroYou (webmaster)
Idee microcontrollate (TardoFreak)
PICcoli grandi PICMicro (Paolino)
Il blog elettrico di carloc (carloc)
DirtEYblooog (dirtydeeds)
Di tutto... un po' (jordan20)
AK47 (lillo)
Esperienze elettroniche (marco438)
Telecomunicazioni musicali (clavicordo)
Automazione ed Elettronica (gustavo)
Direttive per la sicurezza (ErnestoCappelletti)
EYnfo dall'Alaska (mir)
Apriamo il quadro! (attilio)
H7-25 (asdf)
Passione Elettrica (massimob)
Elettroni a spasso (guidob)
Bloguerra (guerra)



