Salve,
cerco un relè ,che non trovo, a stato solido con le seguenti caratteristiche:
1\tensione alimentazione 230Vac
2\doppio contatto isolato dalla 230Vac
In pratica, sui contatti devo collegare
- sul centrale il positivo alimentazione di un router
- sul contatto NC con alimentazione collagata 23Vac
- sul contatto NA che chiude quando tolgo la 23Vac collego il positivo batteria backup controllata da carica batteria automatico
______________________________________________________
In pratica quando manca la tensione di rete, il router wifi continua a funzionare
Ad oggi, ho sempre la batteria e due diodi in serie al suo positivo che va sul positivo dell alimentatore del router.
Ma in tal modo il router va in crisi dopo un paio di ore, con batteria da 7A/h. Caduta di tensione causata dal diodo anche uno solo è critica.
Relè a stato solido
Moderatori:
carloc,
g.schgor,
BrunoValente,
IsidoroKZ
20 messaggi
• Pagina 1 di 2 • 1, 2
0
voti
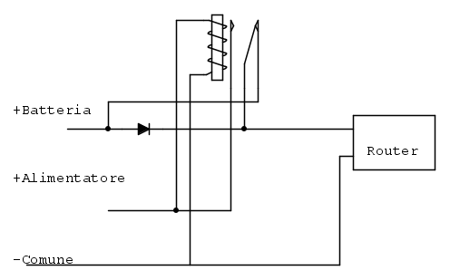
Relè allo stato solido con il contatto in scambio non credo esistano.
Fare così ?
Un limite è che hai il relè sempre eccitato, ma è meglio così perché il relè non ha bisogno di un circuito di controllo (monitora da se la tensione di alimentazione)
Quando cade l'alimentazione il diodo (che viene bypassato) sopperisce al tempo di commutazione del relè.
Volendo per una maggiore sicurezza puoi mettere un diodo anche sull'alimentatore
Scusa il disegno orribile ma non ho trovato un rele SPDT che mi piaceva

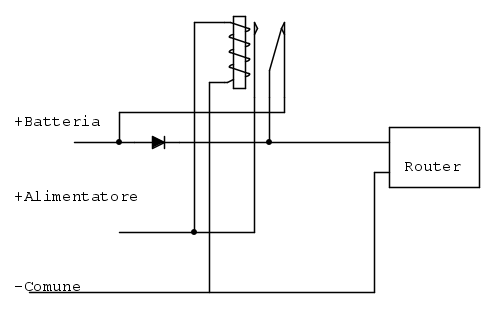
Fare così ?
Un limite è che hai il relè sempre eccitato, ma è meglio così perché il relè non ha bisogno di un circuito di controllo (monitora da se la tensione di alimentazione)
Quando cade l'alimentazione il diodo (che viene bypassato) sopperisce al tempo di commutazione del relè.
Volendo per una maggiore sicurezza puoi mettere un diodo anche sull'alimentatore
Scusa il disegno orribile ma non ho trovato un rele SPDT che mi piaceva

1
voti
apollo17 ha scritto:Ad oggi, ho sempre la batteria e due diodi in serie al suo positivo che va sul positivo dell alimentatore del router.
Ma in tal modo il router va in crisi dopo un paio di ore, con batteria da 7A/h. Caduta di tensione causata dal diodo anche uno solo è critica.
Sento puzza di bruciato. Prova a fare uno schema che descriva la situazione attuale.
Boiler
0
voti
Quando cade l'alimentazione il diodo (che viene bypassato)
Quindi non ho caduta di tensione a causa del diodo?
sento puzza di bruciato
No sono almeno 15 anni anni e più che è collegato in tal modo.
Molto semplicemente, non sono a casa e mi è difficile fare schema.
In pratica utilizzo solo due diodi in serie con Anodo del primo sul positivo della batteria e catodo del secondo sul positivo alimentatore del router. Doppi connettori (maschio-presa femmina) alimentatore racchiusi in una scatoletta con i due diodi.
Quando non è presente alimentazione, da alimentatore classico del router (provato con Vodafone e adesso con Wind 3). E' la batteria tramite i due diodi che alimenta il router- Il passaggio7intervento è pressochè uguale a zero. Ma presumo tutti i router alemo <Vodafone e Wind 3 quando li alimenti sotto i 12Vcc vanno in tilt. Prima a cadere è la linea fissa.
0
voti
apollo17 ha scritto:Quando cade l'alimentazione il diodo (che viene bypassato)
Quindi non ho caduta di tensione a causa del diodo?
Quando il relè commuta, la corrente fluisce attraverso il rele che ha resistenza trascurabile.
Se ci pensi, anodo e catodo del diodo vengono messi allo stesso potenziale e il diodo si interdice percò non c'è passaggio di corrente.
Lo metto perché il tempo di commutazione del relè è nel ordine delle decine di mS, invece il diodo commuta in qualche decina di nS. Se il tuo router può gestire il buco di tensione si può omettere
La soluzione è progettabile anche con il relè "a lancio", ma data l'applicazione lo preferisco "a caduta". L'unico rischio è dover sostituire periodicamente il rele che si brucia.
Io credo di capire quello che dici, ma ho l'impressione che fai molta confusione tra serie e parallelo. (anche anodo e catodo sembrerebbe)
EDIT: Controlla anche che sia 23Vac o 23Vdc
Come consigliato da

0
voti
Io ho tenuto un comune relè 230Vca 10A sotto tensione per tre anni...quando andava via l'energia elettrica cadeva e la tensione a 12 volt arrivava alle gemme messe nelle scatole accanto agli interruttori.
Non mi diede mai problemi...poi guastatosi la batteria ho optatp per candele e portacandele,le gemme sono rimaste.
Non mi diede mai problemi...poi guastatosi la batteria ho optatp per candele e portacandele,le gemme sono rimaste.
0
voti
Nel post [5] l'italiano è morto, non so cosa stavo scrivendo
Theodoro, infatti ho parlato di "rischio" tutto dipende da che disagio provoca il guasto del relè, se è elevato è opportuno sostituirlo con una certa cadenza. Se non lo è quando si guasta lo cambi, montato su un zoccolo è un lavoro da 30 seconndi !
Noi al lavoro li sotituiamo ogni 2 anni e dai test di resistenza muoiono dopo 3 (3.6 anni per la precisione), questi sono i Finder 55.xx

Noi al lavoro li sotituiamo ogni 2 anni e dai test di resistenza muoiono dopo 3 (3.6 anni per la precisione), questi sono i Finder 55.xx

0
voti
apollo17 ha scritto:Molto semplicemente, non sono a casa e mi è difficile fare schema.
Io invece sono a casa e mi è difficile immaginare cosa tu abbia assemblato.
Gli schemi si disegnano, non si descrivono.
Ho un sospetto sul perché succeda quello che osservi, ma con le informazioni che hai passato non si può dire se il sospetto è fondato o meno.
Ci provo anch'io a parole: l'uscita dell'alimentatore non viene isolata dalla batteria e la scarica (attraverso un bleeder o un diodo di protezione, per esempio) prematuramente.
Boiler
0
voti
Salve, si anche io per anni ho avuto un relè 230Vac sempre attivo per luci emergenza.
Proverò sche proposto appena mi è possibile, grazie
Ecco attuale schema funzioante, ma limitato a poche ore di autonomia come spiegato
Proverò sche proposto appena mi è possibile, grazie
Ecco attuale schema funzioante, ma limitato a poche ore di autonomia come spiegato
20 messaggi
• Pagina 1 di 2 • 1, 2
Chi c’è in linea
Visitano il forum: Nessuno e 42 ospiti

Elettrotecnica e non solo (admin)
Un gatto tra gli elettroni (IsidoroKZ)
Esperienza e simulazioni (g.schgor)
Moleskine di un idraulico (RenzoDF)
Il Blog di ElectroYou (webmaster)
Idee microcontrollate (TardoFreak)
PICcoli grandi PICMicro (Paolino)
Il blog elettrico di carloc (carloc)
DirtEYblooog (dirtydeeds)
Di tutto... un po' (jordan20)
AK47 (lillo)
Esperienze elettroniche (marco438)
Telecomunicazioni musicali (clavicordo)
Automazione ed Elettronica (gustavo)
Direttive per la sicurezza (ErnestoCappelletti)
EYnfo dall'Alaska (mir)
Apriamo il quadro! (attilio)
H7-25 (asdf)
Passione Elettrica (massimob)
Elettroni a spasso (guidob)
Bloguerra (guerra)









