Cos'è ElectroYou | Login Iscriviti

ElectroYou - la comunità dei professionisti del mondo elettrico

Protezione input analogico 3.3v

Elettronica lineare e digitale: didattica ed applicazioni

Moderatori: Foto Utentecarloc, Foto Utenteg.schgor, Foto UtenteBrunoValente, Foto UtenteIsidoroKZ

0
voti

[21] Re: Protezione input analogico 3.3v

Messaggioda Foto Utentewimatech » 10 mag 2023, 18:09

MarcoD ha scritto:Dal post 14:
Se scelgo la scala errata es la 1 dando 50V in ingresso subito dopo al selettore mi trovo 25V non arriverebbero al uC ma friggerei i diodi

Non capisco: Con R2 da 1 Mohm, la corrente è trascurabile.

Si non ci avevo pensato scusate
Avatar utente
Foto Utentewimatech
50 2 7
Frequentatore
Frequentatore
 
Messaggi: 240
Iscritto il: 24 feb 2022, 9:34

0
voti

[22] Re: Protezione input analogico 3.3v

Messaggioda Foto Utentewimatech » 10 mag 2023, 18:44

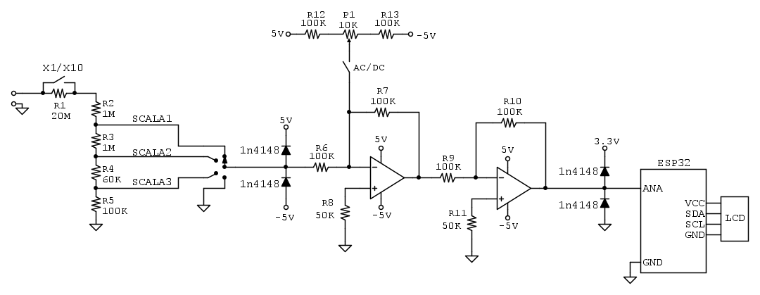
Tenendo conto dei vostri consigli ho modificato il circuito per poter gestire anche i segnali alternati duali usando un opamp come sommatore invertente e un secondo come invertente per raddrizzare il segnale.



che dite?
Avatar utente
Foto Utentewimatech
50 2 7
Frequentatore
Frequentatore
 
Messaggi: 240
Iscritto il: 24 feb 2022, 9:34

0
voti

[23] Re: Protezione input analogico 3.3v

Messaggioda Foto UtenteMarcoD » 10 mag 2023, 19:02

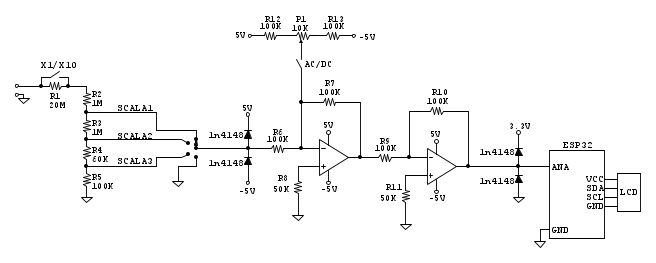
Il tupo schema è interessante.
Propongo anche il seguente abbozzo, che ha delle soluzioni che possono ispirare. :-)

Avatar utente
Foto UtenteMarcoD
12,2k 5 9 13
Master EY
Master EY
 
Messaggi: 6696
Iscritto il: 9 lug 2015, 16:58
Località: Torino

0
voti

[24] Re: Protezione input analogico 3.3v

Messaggioda Foto UtentePietroBaima » 10 mag 2023, 20:44

Foto Utentewimatech, non mettere i due diodi all'ingresso dell'ADC, piuttosto scegli un OPAMP rail to rail e alimentalo a 3.3V
Generatore codice per articoli:
nomi
Sul forum:
[pigreco]=π
[ohm]=Ω
[quadrato]=²
[cubo]=³
Avatar utente
Foto UtentePietroBaima
90,7k 7 12 13
G.Master EY
G.Master EY
 
Messaggi: 12207
Iscritto il: 12 ago 2012, 1:20
Località: Londra

0
voti

[25] Re: Protezione input analogico 3.3v

Messaggioda Foto UtentePietroBaima » 10 mag 2023, 20:50

MarcoD ha scritto:Il tupo schema è interessante.
Propongo anche il seguente abbozzo, che ha delle soluzioni che possono ispirare. :-)

Non mettere i diodi direttamente all'ingresso dell'OPAMP, altrimenti intervengono prima i diodi di substrato.
Metti una resistenza in serie al morsetto di ingresso dell'OPAMP.
Generatore codice per articoli:
nomi
Sul forum:
[pigreco]=π
[ohm]=Ω
[quadrato]=²
[cubo]=³
Avatar utente
Foto UtentePietroBaima
90,7k 7 12 13
G.Master EY
G.Master EY
 
Messaggi: 12207
Iscritto il: 12 ago 2012, 1:20
Località: Londra

0
voti

[26] Re: Protezione input analogico 3.3v

Messaggioda Foto UtenteMarcoD » 10 mag 2023, 20:56

MarcoD ha scritto:
Il tupo schema è interessante.
Propongo anche il seguente abbozzo, che ha delle soluzioni che possono ispirare. :-)

Non mettere i diodi direttamente all'ingresso dell'OPAMP, altrimenti intervengono prima i diodi di substrato.
Metti una resistenza in serie al morsetto di ingresso dell'OPAMP.


Ok aumentare R6 a 10kohm, per limitare la corrente in ingresso operazionale a circa 50/10k = 5 mA
e togliere diodi 1N4148.
Avatar utente
Foto UtenteMarcoD
12,2k 5 9 13
Master EY
Master EY
 
Messaggi: 6696
Iscritto il: 9 lug 2015, 16:58
Località: Torino

2
voti

[27] Re: Protezione input analogico 3.3v

Messaggioda Foto Utenteboiler » 10 mag 2023, 21:56

PietroBaima ha scritto:Foto Utentewimatech, non mettere i due diodi all'ingresso dell'ADC, piuttosto scegli un OPAMP rail to rail e alimentalo a 3.3V

Questo è il momento in cui i cool kids aprono il cassetto e ne estraggono un OPA698 :cool:

Boiler
Avatar utente
Foto Utenteboiler
26,4k 5 9 13
G.Master EY
G.Master EY
 
Messaggi: 5613
Iscritto il: 9 nov 2011, 12:27

0
voti

[28] Re: Protezione input analogico 3.3v

Messaggioda Foto Utenteedgar » 10 mag 2023, 22:00

boiler ha scritto:Questo è il momento in cui i cool kids aprono il cassetto e ne estraggono un OPA698 :cool:


-3-dB Bandwidth (G = +1): 450 MHz

Ti piace vincere facile eh? :mrgreen: :mrgreen:
Avatar utente
Foto Utenteedgar
10,0k 4 5 8
Master
Master
 
Messaggi: 5229
Iscritto il: 15 set 2012, 22:59

0
voti

[29] Re: Protezione input analogico 3.3v

Messaggioda Foto Utenteboiler » 10 mag 2023, 22:06

Il vero vantaggio è il clipping dell'uscita a limiti impostabili senza che l'op-amp vada in saturazione, ritorna quindi in linearità entro 1 ns. Insomma, fa quello che proponeva Foto UtentePietroBaima, ma senza appoggiarsi alla saturazione dell'opamp e con limiti indipendenti dalla tensione di alimentazione.

Se vuoi velocità ci sono altri giocattolini della stessa serie:
https://www.ti.com/lit/ds/symlink/opa858.pdf (non è unity gain stable)
oppure
https://www.ti.com/lit/ds/symlink/opa859.pdf (utilizzabile come inseguitore di tensione)

Boiler
Avatar utente
Foto Utenteboiler
26,4k 5 9 13
G.Master EY
G.Master EY
 
Messaggi: 5613
Iscritto il: 9 nov 2011, 12:27

0
voti

[30] Re: Protezione input analogico 3.3v

Messaggioda Foto Utentegill90 » 10 mag 2023, 22:19

wimatech ha scritto:Tenendo conto dei vostri consigli ho modificato il circuito per poter gestire anche i segnali alternati duali usando un opamp come sommatore invertente e un secondo come invertente per raddrizzare il segnale.


Perdonami ma non capisco a cosa serve la parte “AC/DC” nel tuo schema.

Se vuoi usare la configurazione con attenuazione e scala 1, occhio alla banda: se non la compensi, con resistenze così alte le capacità parassite dei diodi e dell’OPAMP rischiano di entrare in gioco entro i 20kHz.
Avatar utente
Foto Utentegill90
4.146 3 7 12
G.Master EY
G.Master EY
 
Messaggi: 1134
Iscritto il: 1 set 2011, 16:18

PrecedenteProssimo

Torna a Elettronica generale

Chi c’è in linea

Visitano il forum: Nessuno e 44 ospiti