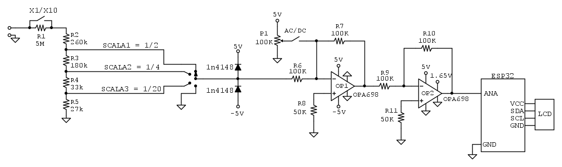
gill90 ha scritto:wimatech ha scritto:Tenendo conto dei vostri consigli ho modificato il circuito per poter gestire anche i segnali alternati duali usando un opamp come sommatore invertente e un secondo come invertente per raddrizzare il segnale.
Perdonami ma non capisco a cosa serve la parte “AC/DC” nel tuo schema.
Se vuoi usare la configurazione con attenuazione e scala 1, occhio alla banda: se non la compensi, con resistenze così alte le capacità parassite dei diodi e dell’OPAMP rischiano di entrare in gioco entro i 20kHz.
Ok mi sono accorto ora che i valori delle resistenze sono errati comunque l'intento è:
Nel caso di segnali AC duali le resistenze lo "scalano" entro il range +5/-5 e se accendo il selettore AC/DC vado a sommare 1.65v al primo opamp che in configurazione sommatore sposta il segnale in ingresso riportandolo tra +5/0v ma lo inverte poi il secondo lo raddrizza di nuovo

Elettrotecnica e non solo (admin)
Un gatto tra gli elettroni (IsidoroKZ)
Esperienza e simulazioni (g.schgor)
Moleskine di un idraulico (RenzoDF)
Il Blog di ElectroYou (webmaster)
Idee microcontrollate (TardoFreak)
PICcoli grandi PICMicro (Paolino)
Il blog elettrico di carloc (carloc)
DirtEYblooog (dirtydeeds)
Di tutto... un po' (jordan20)
AK47 (lillo)
Esperienze elettroniche (marco438)
Telecomunicazioni musicali (clavicordo)
Automazione ed Elettronica (gustavo)
Direttive per la sicurezza (ErnestoCappelletti)
EYnfo dall'Alaska (mir)
Apriamo il quadro! (attilio)
H7-25 (asdf)
Passione Elettrica (massimob)
Elettroni a spasso (guidob)
Bloguerra (guerra)





pigreco]=π






