Riassumo qui sotto i principali dati del tuo post.
driko77 ha scritto:ho ottenuto una Rs di 0,60 ohm, che comunque dovrebbe sempre essere trascurata nel calcolo successivo
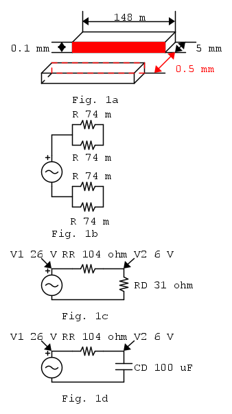
strisce in acciaio, misurate con il calibro, ma servirebbe un micrometro per individure il giusto spessore. Sono larghe 5 mm e spesse 0,1 mm o forse 0,2,
15 m di striscia di acciaio in magazzino ed ho misurato quella.
Per 15 metri il valore è 26 ohm, circa 1,7 ohm/m
recinto ha un perimetro di 150m ( 148 m per l'esattezza ) chiuso ad anello, quindi la parte più lontana dal cavo dista 74 m , sia da un lato che dall' altro.
In condizioni di sole e bassa umidità atmosferica la tensione nel lato opposto al collegamento del cavo si abbassa di pochi centesimi di volt, oggi ad esempio 26,42 con una partenza di 26,45.
E' secondo me da considerare che le strisce metalliche di cui sopra sono cucite su una rete plastica a maglia fine che si bagna notevolmente e che corrono parallelamente ad una distanza di 0,5 mm.
Durante le piogge intense avevo già misurato e la tensione nel lato opposto che scende di una ventina di volt e si misurano 5 o 6 volt ( in quelle condizioni e in quel punto c'è l' evasione).
Indice:
0) Se non desideri leggere tutto il pippone
1) Dati meccanici/elettrici
2) Dati "biologici"
3) Conclusioni
__________________________
1) Dati meccanici/elettrici
a) Concordo con il considerare l'alimentatore un generatore ideale con Rs trascurabile
b) Partendo dalla descrizione delle strisce ho rappresentato in Fig. 1a la geometria con le misure meccaniche (eccetto il fatto che in realta' sono collegate meccanicamente ed elettricamente ad anello).
La distanza tra le strisce e' effettivamente 0.5 mm? (questo dato e' importante ai fini del calcolo della capacita' (vedi piu' sotto)
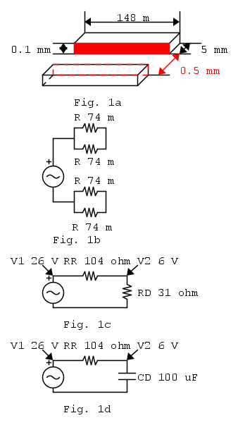
C) Fig. 1b rappresenta l'equivalente elettrico delle strisce in cui le due resistenze elettriche dei 74 m (i due semianelli) sono in parallelo
In Fig. 1c e' rappresentato l'intero circuito equivalente con RR equivalente al parallelo/serie delle R 74 m e RD e' la resistenza di dispersione.
Calcoliamo e Verifichiamo il valore della resistenza RR e RD in funzione dei dati da te misurati
La resistenza R di un conduttore di sezione S e lunghezza L di materiale con resistivita' ro vale:

Nel caso da te misurato abbiamo




Questo valore e' in ragionevole accordo con la tua misura di 26 ohm
Per 74 m abbiamo

Poiche' abbiamo 2 R74 in parallelo in serie ad altre 2 R74 in parallelo allora

Vediamo adesso quale valore dovrebbe assumere RD per avere una tensione una tensione di 6 V all'estremo opposto del recinto
Dalle formule del post [7]

31 ohm e un valore notevolmente inferiore al valore minimo (959 ohm) riportato nella tabella del post [7]
d) Un'altra considerazione da fare e' che ai due anelli viene applicata una tensione alternata a 50 Hz e quindi interviene anche una componente capacitiva.
La capacita' necessaria per produrre 6 V all'estremo opposto del recinto dovrebbe avere una reattanza di 31 ohm (come la resistenza RD).

Daltronde la capacita' tra i due anelli con le dimensioni di Fig. 1a vale con


superficie delle facce del condensatore colorate di rosso in Fig. 1a
distanza delle facce
Anche in questo caso abbiamo un valore molto inferiore a quello richiesto per produrre 6 V all'altro capo dell'anello.
Da tenere presente che i circuiti equivalenti proposti rappresentano il caso peggiore con la compenente di dispersione (resistiva e capacitiva) posta all'estremo opposto dell'anello - dove interagiscono con tutta la resistenze del circuito - mentre possiamo pensare che sia distribuita su tutta la lunghezza dell'anello dove la resistenza dell'anello e' (proporzionalmente) minore.
______________________________
2) Dati biologici
Nell'articolo che segue e' riportato lo studio sull'efficacia del contenimento delle lumache in funzione del valore della tensione del recinto - studio da cui sembra che con 10 Vdc il tasso di fuga delle lumache sia l'1%.
The effectiveness of electrified fencing using copper electrodes for slug (Airon spp.) control with direct electric current and voltage
Only 1% crossing was detected at the
highest voltage (10 V), whereas 43% of slugs crossed
the fence at the lowest applied voltage (2 V).
https://www.researchgate.net/publicatio ... nd_voltage
___________________________________________
3) Conclusioni
I valori misurati e quelli "calcolati" divergono (assai?).
Per avere maggiore conforto tra dati sperimentali e considerazioni "teoriche" occorrerebebro ulteriori misure (ad es. - ma non solo - alimentazione in tensione continua del circuito, misura della capacita' tra i due anelli) ma non ritengo sia una strada da percorrere.
Una (possibile?) soluzione al problema che risiede internamente all'alimentatore (e non esterna, nell'anello) e' quella di avere un alimentatore con resistenza di uscita negativa (la tensione di uscita aumenta all'aumentare della corrente in uscita) ma non lo ritengo un approccio conveniente e non esente da controindicazioni.
Ritengo invece che la tua proposta di collegare l'alimentazione anche nel lato opposto - confermata da
P.S. riguardo il punto "modulazione di potenza" - come accennato in precedenza - faro' un post separato.

Elettrotecnica e non solo (admin)
Un gatto tra gli elettroni (IsidoroKZ)
Esperienza e simulazioni (g.schgor)
Moleskine di un idraulico (RenzoDF)
Il Blog di ElectroYou (webmaster)
Idee microcontrollate (TardoFreak)
PICcoli grandi PICMicro (Paolino)
Il blog elettrico di carloc (carloc)
DirtEYblooog (dirtydeeds)
Di tutto... un po' (jordan20)
AK47 (lillo)
Esperienze elettroniche (marco438)
Telecomunicazioni musicali (clavicordo)
Automazione ed Elettronica (gustavo)
Direttive per la sicurezza (ErnestoCappelletti)
EYnfo dall'Alaska (mir)
Apriamo il quadro! (attilio)
H7-25 (asdf)
Passione Elettrica (massimob)
Elettroni a spasso (guidob)
Bloguerra (guerra)


, ma in effetti a 10 V non riescono a fuggire, il problema e se la tensione scende sotto i 7-8 V





