brabus ha scritto:La butto lì: l'ADC di un microcontrollore con clock interno? Una robetta super low power, silenziosissima, discreta.
A parte il ca@@iatone di Bruno
Moderatori:
carloc,
g.schgor,
BrunoValente,
IsidoroKZ
brabus ha scritto:La butto lì: l'ADC di un microcontrollore con clock interno? Una robetta super low power, silenziosissima, discreta.
dadduni ha scritto:brabus ha scritto:La butto lì: l'ADC di un microcontrollore con clock interno? Una robetta super low power, silenziosissima, discreta.
L'avevo proposto in [6] e ho perso il rispetto di Bruno, adesso siamo in due in questa disgraziata situazione
GioArca67 ha scritto:brabus ha scritto:La butto lì: l'ADC di un microcontrollore con clock interno? Una robetta super low power, silenziosissima, discreta.
A parte il ca@@iatone di Bruno, ma (è una vera e propria domanda) secondo te il clock ricostruito interno al uC disturba fuori dal chip?
brabus ha scritto:visto che la velocità di conversione deve essere abbastanza lenta, potremmo davvero pensare di realizzare un ADC sfruttando un contatore binario "al contrario".
...
L'impulso di aggiornamento del contatore può essere realizzato tramite un monostabile, retriggerato sul cambiamento di stato dell'uscita del contatore e sullo stato dei comparatori.
brabus ha scritto:dadduni ha scritto:brabus ha scritto:La butto lì: l'ADC di un microcontrollore con clock interno? Una robetta super low power, silenziosissima, discreta.
L'avevo proposto in [6] e ho perso il rispetto di Bruno, adesso siamo in due in questa disgraziata situazione
Ah si! Ti chiedo scusa, l'ho letto solo ora.![]()




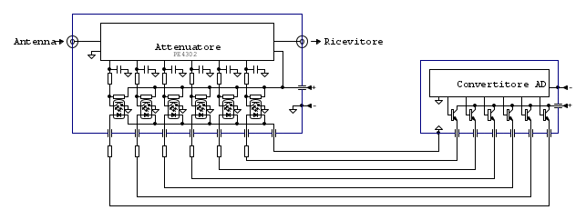
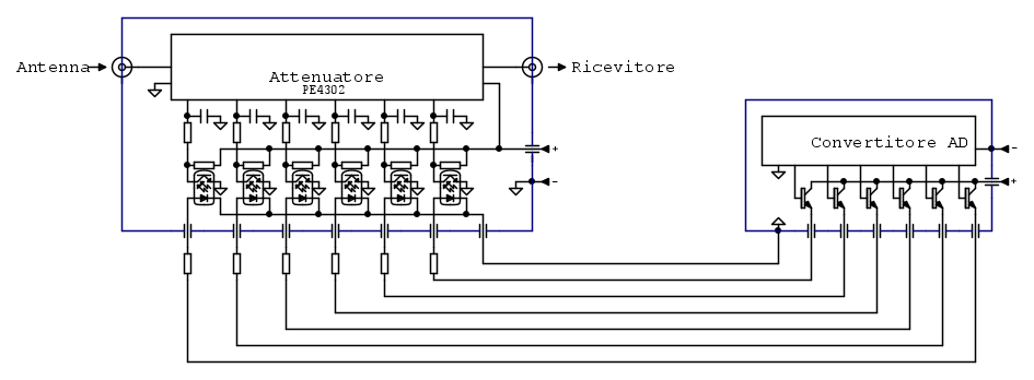
BrunoValente ha scritto:secondo le tecniche dell'epoca


GioArca67 ha scritto:Fai passare il ritorno dei fotodiodi attraverso il condensatore passante, ma alla fine gli involucri metallici di schermatura non sono poi tutti collegati insieme per il tramite di GND? oltre che per lo chassis cui saranno imbullonate?
Quindi anche il tenerli fisicamente lontani ha un effetto?
EcoTan ha scritto:BrunoValente ha scritto:secondo le tecniche dell'epoca
ma all'epoca si usava un attenuatore integrato a comando binario? Ricordo che un radioamatore dotato di ricevitore Collins, linea Drake e simili metteva poi un attenuatore con comando manuale a tastiera, una specie di clavietta, lungo il cavo che entrava nel ricevitore.
standardoil ha scritto:..ma siamo sicuri che la pendenza del AGC corrisponda alla pendenza dell'attenuatore?
perche' di solito gli AGC lavorano "strozzando" (mi si passi il termine) uno stadio amplificatore
io non progetto radioricevitori, ma il dubbio mi e' venuto, potete sciogliermelo?


Visitano il forum: Nessuno e 116 ospiti