Ciao a tutti,
per un'applicazione di testing, avrei l'esigenza di utilizzare un IGBT di potenza come relay.
L'IGBT in questione deve tagliare un'alta corrente DC (fino a 1500A) imposta da un generatore di corrente a tensione limitata (15V). Il carico è costituito da dispositivi a semiconduttore in stato di ON (= corto circuito).
L'impiego di un IGBT (controllato da FPGA) è necessario perché sono richiesti dei tempi di commutazione deterministici, dell'ordine dei micro secondi.
L'IGBT può essere collegato ad alimentatore e carico tramite cavi di potenza o busbar (ancora da stabilire), ma in ogni caso l'induttanza del loop è da considerarsi elevata, direi <= 10uH.
In una configurazione del genere, serve una strategia per limitare lo spike di tensione al turn-OFF dell'IGBT.
Quale potrebbe essere una soluzione valida? Snubber RC/RCD, zener di potenza,....
Grazie in anticipo
EDIT:
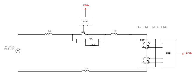
Vi allego uno schema di principio del circuito... Il componente a soffrire dello spike di sovratensione induttiva è il primo che apre la corrente, cioè l'IGBT.
Nello schema è rappresentato uno snubber RCD ma non sono sicuro di quale sia la soluzione migliore e di quali regole di dimensionamento utilizzare.
Utilizzare un power IGBT come relay
Moderatori:
g.schgor,
IsidoroKZ
13 messaggi
• Pagina 1 di 2 • 1, 2
0
voti
Che tipo di duty-cicle e a che frequenza massima sarà utilizzato?
Per frequenze basse spesso si utilizza il sistema RCD che di solito da le migliori garanzie.
In altri casi è più conveniente un RC e a volte si possono addirittura utilizzare dei Mov.
È da valutare.
Ciao
Per frequenze basse spesso si utilizza il sistema RCD che di solito da le migliori garanzie.
In altri casi è più conveniente un RC e a volte si possono addirittura utilizzare dei Mov.
È da valutare.
Ciao
600 Elettra
0
voti
Riporto il consiglio di
IsidoroKZ nella discussione seguente.
viewtopic.php?f=2&t=83499
La documentazione da consultare è :
https://ieeexplore.ieee.org/document/4158300.
In rete si trova molto materiale interessante.
Come idea bisogna evitare che per il tempo che l'interruttore impiega a passare da On a Off la tensione ai capi dello stesso aumenti oltre la tensione desiderata.
Sapendo la corrente e il tempo si può ricavare il valore del condensatore da impiegare.
Ovviamente il diodo ed il condensatore devono sopportare tutta la corrente nominale del circuito durante la fase di spegnimento.
La resistenza serve solo quando l'interruttore è On ed ha il compito di scaricare il condensatore in un tempo ragionevole e comunque prima di una nuova apertura dell'interruttore.
Ciao
viewtopic.php?f=2&t=83499
La documentazione da consultare è :
https://ieeexplore.ieee.org/document/4158300.
In rete si trova molto materiale interessante.
Come idea bisogna evitare che per il tempo che l'interruttore impiega a passare da On a Off la tensione ai capi dello stesso aumenti oltre la tensione desiderata.
Sapendo la corrente e il tempo si può ricavare il valore del condensatore da impiegare.
Ovviamente il diodo ed il condensatore devono sopportare tutta la corrente nominale del circuito durante la fase di spegnimento.
La resistenza serve solo quando l'interruttore è On ed ha il compito di scaricare il condensatore in un tempo ragionevole e comunque prima di una nuova apertura dell'interruttore.
Ciao
600 Elettra
0
voti
Ciao a tutti,
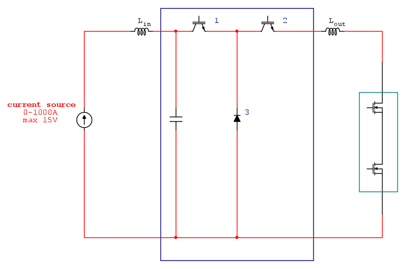
riapro questa discussione in quanto sto avendo delle difficoltà a trovare i componenti per realizzare uno snubber RCD per 1000A.
Avrei pensato a una soluzione alternativa, pensate possa funzionare?
Di seguito il circuito:
La parte nel riquadro blu rappresenta l'interruttore di alta corrente.
Tendenzialmente proverei a mantenere L_in < L_out (L_in circa 2uH, L_out circa 8uH).
Al turn-OFF la procedura sarebbe quindi:
1. turn-OFF IGBT1: il diodo3 va in ricircolo e l'energia immagazzinata in L_out viene dissipata nella maglia di uscita; l'induttanza L_in produce una sovratensione sull'IGBT1 che viene soppressa dal condensatore Cx.
2. turn-OFF IGBT2: quando L_out è scarica, si apre anche l'IGBT2 e si ottiene la separazione dei potenziali sui MOSFET in prova
3. turn-OFF MOSFET
Da un punto di vista della componentistica, una soluzione di questo tipo è di più semplice reperibilità.
Secondo voi può funzionare?
I miei dubbi sono:
1. l'energia immagazzinata nel condensatore Cx viene scaricata al turn-ON su tutti i componenti a valle?
2. il tempo necessario a scaricare tutta L_out...
Grazie
riapro questa discussione in quanto sto avendo delle difficoltà a trovare i componenti per realizzare uno snubber RCD per 1000A.
Avrei pensato a una soluzione alternativa, pensate possa funzionare?
Di seguito il circuito:
La parte nel riquadro blu rappresenta l'interruttore di alta corrente.
Tendenzialmente proverei a mantenere L_in < L_out (L_in circa 2uH, L_out circa 8uH).
Al turn-OFF la procedura sarebbe quindi:
1. turn-OFF IGBT1: il diodo3 va in ricircolo e l'energia immagazzinata in L_out viene dissipata nella maglia di uscita; l'induttanza L_in produce una sovratensione sull'IGBT1 che viene soppressa dal condensatore Cx.
2. turn-OFF IGBT2: quando L_out è scarica, si apre anche l'IGBT2 e si ottiene la separazione dei potenziali sui MOSFET in prova
3. turn-OFF MOSFET
Da un punto di vista della componentistica, una soluzione di questo tipo è di più semplice reperibilità.
Secondo voi può funzionare?
I miei dubbi sono:
1. l'energia immagazzinata nel condensatore Cx viene scaricata al turn-ON su tutti i componenti a valle?
2. il tempo necessario a scaricare tutta L_out...
Grazie
0
voti
Ciao,
il mio unico requisito è che dall'annullamento della corrente tramite circuiteria intermedia tutti i transitori di tensione/sovratensioni si estinguano entro 200us.
C'è quindi tanto margine sul tempo di spegnimento dei dispositivi.
Il "problema" dello snubber RCD è che non riesco a trovare soluzioni integrate per la corrente di applicazione, quindi si dovrebbe costruire qualcosa con componenti discreti e il rischio è di ottenere un'alta induttanza parassita...
il mio unico requisito è che dall'annullamento della corrente tramite circuiteria intermedia tutti i transitori di tensione/sovratensioni si estinguano entro 200us.
C'è quindi tanto margine sul tempo di spegnimento dei dispositivi.
Il "problema" dello snubber RCD è che non riesco a trovare soluzioni integrate per la corrente di applicazione, quindi si dovrebbe costruire qualcosa con componenti discreti e il rischio è di ottenere un'alta induttanza parassita...
0
voti
Anche se la tua commutazione è veloce, con queste correnti, e la piccola induttanza in gioco, le potenze sono di 22W ogni apertura!
Con un periodo di 10 secondi sono trascurabili nel tempo medio, ma notevoli come valore istantaneo, inoltre è comunque un grosso problema la elevata corrente da limitare, di base si userebbe un RC, ma una R con 1500A la trovo inutile, ed anche il condensatore in queste condizioni, si lo trovo tirato, appunto le basse induttanze distribuite annullano il filtro.
Io valuterei un filtro anche esso ad IGBT, perché passando a mosfet, le correnti sono tutt'altro che trascurabili, e la potenza istantanea rimane elevata, (c'è da vedere se qualche mosfet ce la fa), con un filtro attivo, la vedrei più facile, anche se in queste condizioni critiche è tutto da provare.
saluti.
Con un periodo di 10 secondi sono trascurabili nel tempo medio, ma notevoli come valore istantaneo, inoltre è comunque un grosso problema la elevata corrente da limitare, di base si userebbe un RC, ma una R con 1500A la trovo inutile, ed anche il condensatore in queste condizioni, si lo trovo tirato, appunto le basse induttanze distribuite annullano il filtro.
Io valuterei un filtro anche esso ad IGBT, perché passando a mosfet, le correnti sono tutt'altro che trascurabili, e la potenza istantanea rimane elevata, (c'è da vedere se qualche mosfet ce la fa), con un filtro attivo, la vedrei più facile, anche se in queste condizioni critiche è tutto da provare.
saluti.
-

lelerelele
4.899 3 7 9 - Master

- Messaggi: 5505
- Iscritto il: 8 giu 2011, 8:57
- Località: Reggio Emilia
13 messaggi
• Pagina 1 di 2 • 1, 2
Torna a Elettrotecnica generale
Chi c’è in linea
Visitano il forum: Nessuno e 41 ospiti

Elettrotecnica e non solo (admin)
Un gatto tra gli elettroni (IsidoroKZ)
Esperienza e simulazioni (g.schgor)
Moleskine di un idraulico (RenzoDF)
Il Blog di ElectroYou (webmaster)
Idee microcontrollate (TardoFreak)
PICcoli grandi PICMicro (Paolino)
Il blog elettrico di carloc (carloc)
DirtEYblooog (dirtydeeds)
Di tutto... un po' (jordan20)
AK47 (lillo)
Esperienze elettroniche (marco438)
Telecomunicazioni musicali (clavicordo)
Automazione ed Elettronica (gustavo)
Direttive per la sicurezza (ErnestoCappelletti)
EYnfo dall'Alaska (mir)
Apriamo il quadro! (attilio)
H7-25 (asdf)
Passione Elettrica (massimob)
Elettroni a spasso (guidob)
Bloguerra (guerra)




