Mi faresti un esempio di filtro attivo a IGBT? Hai qualche riferimento da consultare?
Grazie
Utilizzare un power IGBT come relay
Moderatori:
g.schgor,
IsidoroKZ
13 messaggi
• Pagina 2 di 2 • 1, 2
0
voti
edomar ha scritto:Mi faresti un esempio di filtro attivo a IGBT? Hai qualche riferimento da consultare?
Grazie
Ora mi dispiace ma non ho tempo, mi hanno appena richiesto un lavoro urgente....
-

lelerelele
4.899 3 7 9 - Master

- Messaggi: 5505
- Iscritto il: 8 giu 2011, 8:57
- Località: Reggio Emilia
0
voti
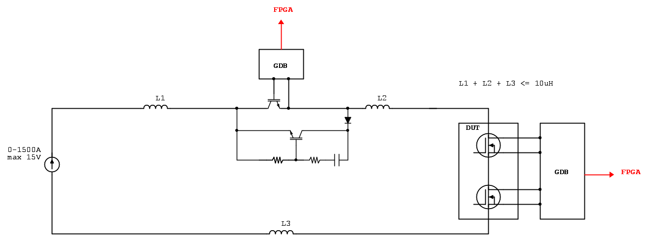
pensavo ad una soluzione come questa.
avresti da fare delle misure in queste condizioni? anche lo snubber, andrà a dare dei risultati di cui tenere conto.
saluti.
avresti da fare delle misure in queste condizioni? anche lo snubber, andrà a dare dei risultati di cui tenere conto.
saluti.
-

lelerelele
4.899 3 7 9 - Master

- Messaggi: 5505
- Iscritto il: 8 giu 2011, 8:57
- Località: Reggio Emilia
13 messaggi
• Pagina 2 di 2 • 1, 2
Torna a Elettrotecnica generale
Chi c’è in linea
Visitano il forum: Nessuno e 17 ospiti

Elettrotecnica e non solo (admin)
Un gatto tra gli elettroni (IsidoroKZ)
Esperienza e simulazioni (g.schgor)
Moleskine di un idraulico (RenzoDF)
Il Blog di ElectroYou (webmaster)
Idee microcontrollate (TardoFreak)
PICcoli grandi PICMicro (Paolino)
Il blog elettrico di carloc (carloc)
DirtEYblooog (dirtydeeds)
Di tutto... un po' (jordan20)
AK47 (lillo)
Esperienze elettroniche (marco438)
Telecomunicazioni musicali (clavicordo)
Automazione ed Elettronica (gustavo)
Direttive per la sicurezza (ErnestoCappelletti)
EYnfo dall'Alaska (mir)
Apriamo il quadro! (attilio)
H7-25 (asdf)
Passione Elettrica (massimob)
Elettroni a spasso (guidob)
Bloguerra (guerra)

