Salve a tutti,
mi trovo nella necessita' di dovere stabilire la capacita' di un condensatore piano , costituito da una lamina di 45 mm. x 15 mm. contrapposta frontalmente con un telaio in ferro e da questo mantenuto isolato tramite l' interposizione di una lamina di polietilene o mica dello spessore di 0,13 mm. circa.
Questo condensatore siffatto e' andato in corto per evidente "bucatura" del dielettrico (e il valore non e' riportato sullo schema).
La posizione di tale condensatore non consente di verificare eattamente se trattasi di polietilene o mica.
So bene che tale fattore e' importante nel calcolo ma a me basta calcolare un valore anche approssimato.
Da alcune formule trovate su questo sito e su: https://www.youmath.it/lezioni/fisica/e ... atore.html , ho calcolato una capacita' di 1,19 ( assumendo che la lamina di dielettrico fosse di polietilene con Coefficente 2,3 ).
Quello comunque che non ho capito e' se il risultato sia da intendere in Farad o microFarad o picoFarad.
Qualcuno piu' esperto potrebbe confermarmi se ho fatto i calcoli esatti e sopratutto chiarirmi quale ordine di grandezza restituisce la formula C (Capacita') = Coefficente dielettrico * ( S /d ).
Grazie.
Calcolo capacita' condensatori
Moderatori:
carloc,
g.schgor,
BrunoValente,
IsidoroKZ
13 messaggi
• Pagina 1 di 2 • 1, 2
0
voti
Ultima modifica di
Antony3000 il 29 mag 2023, 16:57, modificato 4 volte in totale.
-

Antony3000
5 2 - Messaggi: 27
- Iscritto il: 28 gen 2021, 14:35
0
voti
Non sono andato a vedere il link, strano che non venga detto. Ma senz'altro la capacità è in pF.
Alex
https://www.facebook.com/Elettronicaeelettrotecnica
<< vedi di pigliare arditamente in mano, il dizionario che ti suona in bocca,
se non altro è schietto e paesano.
(Giuseppe Giusti) <<
https://www.facebook.com/Elettronicaeelettrotecnica
<< vedi di pigliare arditamente in mano, il dizionario che ti suona in bocca,
se non altro è schietto e paesano.
(Giuseppe Giusti) <<
1
voti
Costante dielettrica assoluta
Costante dielettrica relativahttps://www.youmath.it/domande-a-rispos ... vuoto.html
S superficie delle facce del condensatore
d distanza delle facce

(Farad)Vedi l'esmpio numerico in fondo alla pagina del link che hai postato.
1
voti
Ciao
Antony3000.
La capacità di un condensatore ad armature piane e parallele si calcola con la seguente formula:

Dove C è la capacità espressa in Farad,
è la costante dielettrica del vuoto che vale
,
è la costante dielettrica relativa del materiale isolante frapposto tra le armature, S è la superficie delle armature espressa in metri quadrati e d è la distanza tra le armature espressa in metri.
La formula è approssimata perché non tiene conto dell'effetto ai bordi ed è tanto più precisa quanto più è grande il rapporto S/d.
La mica ha una costante dielettrica relativa compresa tra 6 e 8, dipende dal tipo di mica, il polietilene invece ha una costante dielettrica di 2.3.
Nel tuo caso, se ho capito bene, le due armature hanno dimensioni diverse, quindi va considerata la superficie di quella più piccola e, se non ho sbagliato i conti, con il polietilene il valore della capacità è di 106pF, mentre con la mica è compreso tra 276pF e 368pF
La capacità di un condensatore ad armature piane e parallele si calcola con la seguente formula:

Dove C è la capacità espressa in Farad,
è la costante dielettrica del vuoto che vale
,
è la costante dielettrica relativa del materiale isolante frapposto tra le armature, S è la superficie delle armature espressa in metri quadrati e d è la distanza tra le armature espressa in metri.La formula è approssimata perché non tiene conto dell'effetto ai bordi ed è tanto più precisa quanto più è grande il rapporto S/d.
La mica ha una costante dielettrica relativa compresa tra 6 e 8, dipende dal tipo di mica, il polietilene invece ha una costante dielettrica di 2.3.
Nel tuo caso, se ho capito bene, le due armature hanno dimensioni diverse, quindi va considerata la superficie di quella più piccola e, se non ho sbagliato i conti, con il polietilene il valore della capacità è di 106pF, mentre con la mica è compreso tra 276pF e 368pF
-

BrunoValente
39,6k 7 11 13 - G.Master EY

- Messaggi: 7796
- Iscritto il: 8 mag 2007, 14:48
0
voti
-

BrunoValente
39,6k 7 11 13 - G.Master EY

- Messaggi: 7796
- Iscritto il: 8 mag 2007, 14:48
0
voti
BrunoValente ha scritto:Scusaelfo non avevo visto il tuo messaggio

0
voti
Grazie a tutti per le risposte,
Ciao Bruno
Innanzitutto ti preciso che l'armatura di cui ho dato le misure e' quella piu' piccola.
L' altra (armatura) consiste nel telaio (dell' apparecchiatura in cui si trova il condensatore , e nei miei calcoli ho usato appunto le misure di quella piu' piccola.
Io non sono molto bravo con le formule e mi viene difficile rappresentarle con i caratteri adeguati.
Io ho usato questa formula : Capacita' = Coefficente del dielettrico (2,3) * Superfice della armatura piu' piccola ( 0,000675 Mt. Quadri) / Distanza fra le armature ( 0,0013 Mt.).
Non ho tenuto conto della costante dielettrica del vuoto, perche' non ho saputo interpretare completamente e correttamente la formula.
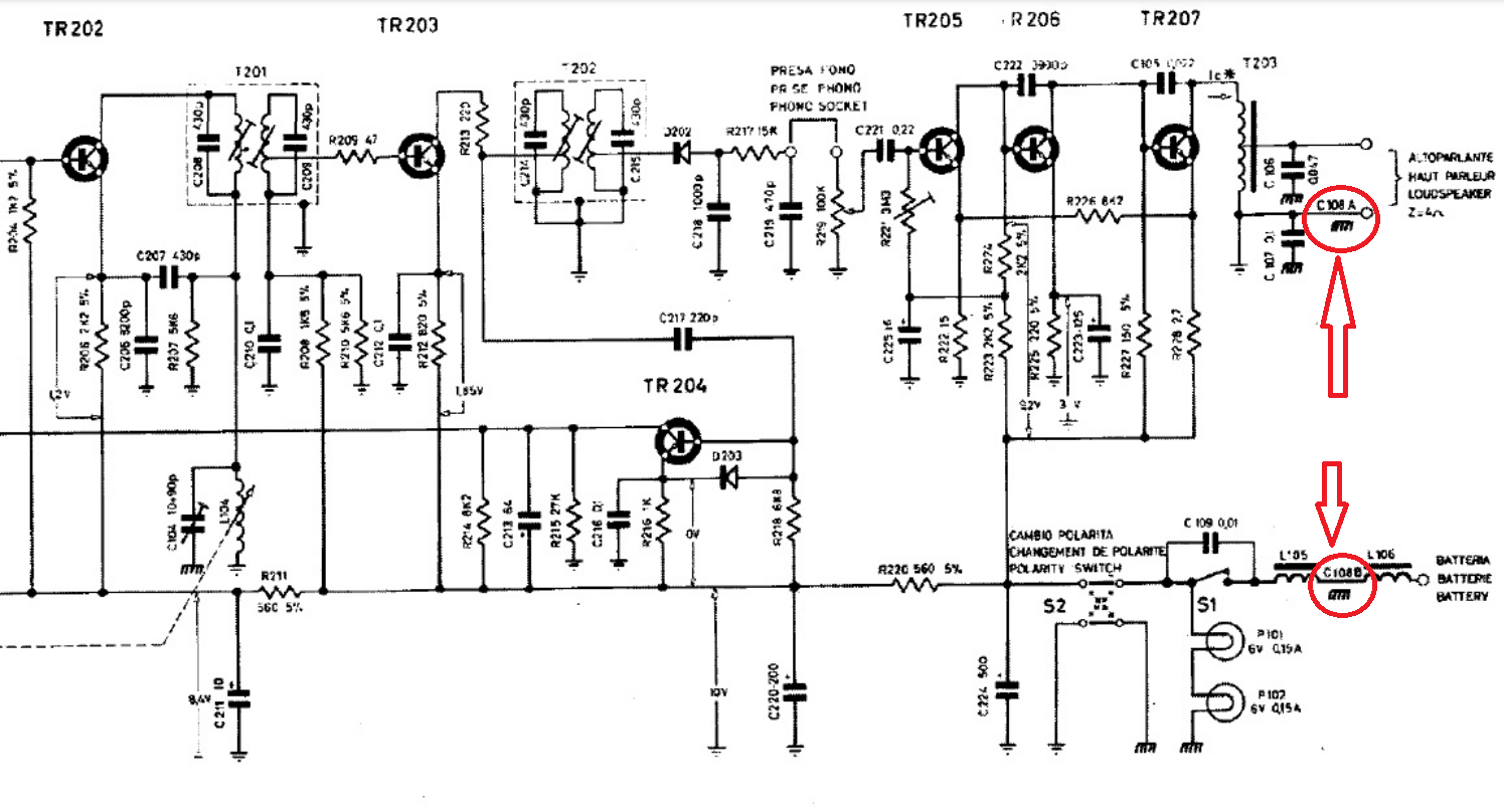
La radio in cui e' montato questo condensatore e' una Voxson Junior 901 il cui schema si trova in:
https://elektrotanya.com/voxson_901_jun ... nload.html
etichettato in alto a destra come C108A nello schema stesso (ma senza il relativo valore).
BrunoValente ha scritto:CiaoAntony3000.
La capacità di un condensatore ad armature piane e parallele si calcola con la seguente formula:
Dove C è la capacità espressa in Farad,è la costante dielettrica del vuoto che vale
,
è la costante dielettrica relativa del materiale isolante frapposto tra le armature, S è la superficie delle armature espressa in metri quadrati e d è la distanza tra le armature espressa in metri.
La formula è approssimata perché non tiene conto dell'effetto ai bordi ed è tanto più precisa quanto più è grande il rapporto S/d.
La mica ha una costante dielettrica relativa compresa tra 6 e 8, dipende dal tipo di mica, il polietilene invece ha una costante dielettrica di 2.3.
Nel tuo caso, se ho capito bene, le due armature hanno dimensioni diverse, quindi va considerata la superficie di quella più piccola e, se non ho sbagliato i conti, con il polietilene il valore della capacità è di 106pF, mentre con la mica è compreso tra 276pF e 368pF
Ciao Bruno
Innanzitutto ti preciso che l'armatura di cui ho dato le misure e' quella piu' piccola.
L' altra (armatura) consiste nel telaio (dell' apparecchiatura in cui si trova il condensatore , e nei miei calcoli ho usato appunto le misure di quella piu' piccola.
Io non sono molto bravo con le formule e mi viene difficile rappresentarle con i caratteri adeguati.
Io ho usato questa formula : Capacita' = Coefficente del dielettrico (2,3) * Superfice della armatura piu' piccola ( 0,000675 Mt. Quadri) / Distanza fra le armature ( 0,0013 Mt.).
Non ho tenuto conto della costante dielettrica del vuoto, perche' non ho saputo interpretare completamente e correttamente la formula.
La radio in cui e' montato questo condensatore e' una Voxson Junior 901 il cui schema si trova in:
https://elektrotanya.com/voxson_901_jun ... nload.html
etichettato in alto a destra come C108A nello schema stesso (ma senza il relativo valore).
-

Antony3000
5 2 - Messaggi: 27
- Iscritto il: 28 gen 2021, 14:35
1
voti
Ho guardato lo schema della radio e credo di aver capito qual è il condensatore che dici.
E' segnato in due punti, in pratica è il filo del negativo della batteria che passa attraver4so un condensatore di by-pass.
Sono condensatori in ceramica, a tubetto od a piastrina che venivano usati per filtrare una tensione continua e di avere un appoggio per usarlo come nodo per più diramazioni o semplicemente come filtroo per la RF.
Ma non credo che ci siano dei problemi per codesta radio. il valore potrà essere dai 1000 pF ai 2200pF, ma puio usare benissimo un condensatore normalissimo, costruirne uno in mica non la vedo utile.
Se non lo hai puoi usare benissimo un condensatore in ceramica SMD così ti sopporta anche qualche diramazione.
E' segnato in due punti, in pratica è il filo del negativo della batteria che passa attraver4so un condensatore di by-pass.
Sono condensatori in ceramica, a tubetto od a piastrina che venivano usati per filtrare una tensione continua e di avere un appoggio per usarlo come nodo per più diramazioni o semplicemente come filtroo per la RF.
Ma non credo che ci siano dei problemi per codesta radio. il valore potrà essere dai 1000 pF ai 2200pF, ma puio usare benissimo un condensatore normalissimo, costruirne uno in mica non la vedo utile.
Se non lo hai puoi usare benissimo un condensatore in ceramica SMD così ti sopporta anche qualche diramazione.
Alex
https://www.facebook.com/Elettronicaeelettrotecnica
<< vedi di pigliare arditamente in mano, il dizionario che ti suona in bocca,
se non altro è schietto e paesano.
(Giuseppe Giusti) <<
https://www.facebook.com/Elettronicaeelettrotecnica
<< vedi di pigliare arditamente in mano, il dizionario che ti suona in bocca,
se non altro è schietto e paesano.
(Giuseppe Giusti) <<
0
voti
Dei due che hai "frecciato" e' esattamente quello in alto (il C108 A).
L' altro e' C108 B e non c' entra niente.
Penso anche io che che questo condensatore non e' molto importante e forse lo scopo era che trattandosi di una Autoradio era necessario scaricare eventuali disturbi tipici degli impianti elettrici delle auto (per esempio i disturbi generati dallo scintillo delle candele e altro del genere).
Ma sto andando per ipotesi....
L' altro e' C108 B e non c' entra niente.
Penso anche io che che questo condensatore non e' molto importante e forse lo scopo era che trattandosi di una Autoradio era necessario scaricare eventuali disturbi tipici degli impianti elettrici delle auto (per esempio i disturbi generati dallo scintillo delle candele e altro del genere).
Ma sto andando per ipotesi....
-

Antony3000
5 2 - Messaggi: 27
- Iscritto il: 28 gen 2021, 14:35
13 messaggi
• Pagina 1 di 2 • 1, 2
Chi c’è in linea
Visitano il forum: Nessuno e 87 ospiti

Elettrotecnica e non solo (admin)
Un gatto tra gli elettroni (IsidoroKZ)
Esperienza e simulazioni (g.schgor)
Moleskine di un idraulico (RenzoDF)
Il Blog di ElectroYou (webmaster)
Idee microcontrollate (TardoFreak)
PICcoli grandi PICMicro (Paolino)
Il blog elettrico di carloc (carloc)
DirtEYblooog (dirtydeeds)
Di tutto... un po' (jordan20)
AK47 (lillo)
Esperienze elettroniche (marco438)
Telecomunicazioni musicali (clavicordo)
Automazione ed Elettronica (gustavo)
Direttive per la sicurezza (ErnestoCappelletti)
EYnfo dall'Alaska (mir)
Apriamo il quadro! (attilio)
H7-25 (asdf)
Passione Elettrica (massimob)
Elettroni a spasso (guidob)
Bloguerra (guerra)


,