problema con calcolo valori su circuito trifase
Moderatori:
g.schgor,
IsidoroKZ
42 messaggi
• Pagina 3 di 5 • 1, 2, 3, 4, 5
0
voti
Benissimo, manca l'ultimo calcolo per ricavare la Si e successivamente la V.
Dobbiamo calcolare la Ql introdotta dalle induttanze. Avendo una L = 10mH = 0.01H, ricavo la XL data da:

e successivamente:

e ancora:

avendo 3 induttanze, moltiplico la Ql * 3 ed ottengo:

E' corretto?
Dobbiamo calcolare la Ql introdotta dalle induttanze. Avendo una L = 10mH = 0.01H, ricavo la XL data da:

e successivamente:

e ancora:

avendo 3 induttanze, moltiplico la Ql * 3 ed ottengo:

E' corretto?
0
voti
Consiglio di calcolare anche:
- cosfi al carico PC, alla sinistra del carico R, alla sinistra delle induttanze.
- R e L del carico PC.
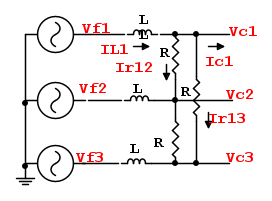
Come suggeriva fra le righe (tratteggiate...) MarcoD poiché il sistema è equilibrato simmetrico si può calcolare tutto anche come monofase (posto opportuna trasformazione delle R, quale?).
- cosfi al carico PC, alla sinistra del carico R, alla sinistra delle induttanze.
- R e L del carico PC.
Come suggeriva fra le righe (tratteggiate...) MarcoD poiché il sistema è equilibrato simmetrico si può calcolare tutto anche come monofase (posto opportuna trasformazione delle R, quale?).
2
voti
Prima di procedere ai calcoli consigliati, completiamo l'opera.
Avendo tutti i valori possiamo calcolare la Si totale in ingresso, data dalla formula:

e possiamo calcolare la V:
![V= \frac{Si}{\sqrt[]{3}*A} = \frac{2686.93}{\sqrt[]{3}*21.76} = 71.37V V= \frac{Si}{\sqrt[]{3}*A} = \frac{2686.93}{\sqrt[]{3}*21.76} = 71.37V](/forum/latexrender/pictures/7ffc84830eabe46cd4a47f3ed601d763.png)
Se mi confermate il calcolo e quindi la conclusione di tutti i quesiti, procederò a calcolare quello che mi avete consigliato.
Vi ringrazio infinitamente sempre
Avendo tutti i valori possiamo calcolare la Si totale in ingresso, data dalla formula:

e possiamo calcolare la V:
![V= \frac{Si}{\sqrt[]{3}*A} = \frac{2686.93}{\sqrt[]{3}*21.76} = 71.37V V= \frac{Si}{\sqrt[]{3}*A} = \frac{2686.93}{\sqrt[]{3}*21.76} = 71.37V](/forum/latexrender/pictures/7ffc84830eabe46cd4a47f3ed601d763.png)
Se mi confermate il calcolo e quindi la conclusione di tutti i quesiti, procederò a calcolare quello che mi avete consigliato.
Vi ringrazio infinitamente sempre
0
voti
beh, in realtà effettuando il calcolo considerando tutte le 15 cifre decimali al deominatore, risulta 71.29V, ma avendo approssimato nei calcoli precedenti quasi tutto alle 2 cifre decimali, per avere il risultato senza approssimazioni si dovrebbe rifare tutto il calcolo, e non penso che sia richiesta tutta questa precisione, almeno credo...
lato carico:



Per il resto non ho capito cosa calcolare
lato carico:



Per il resto non ho capito cosa calcolare
2
voti
Il cosfi man mano mi sposto verso il generatore prima aumenta a causa dell'aumento della P causata dal triangolo resistivo e poi diminuisce a causa dell'aumento dellla potenza reattiva causata dalle bobine
1
voti
Visto che la soluzione completa non arriva
eccone una semplice.
Da PC, Qc e il valore della corrente
di Ac si ricavano Rc e C.
Data l'uguaglia numerica di PC e Qc
la fase di Ic è -45°.
Quindi I=20
-45°
e
°
Essendo il circuito simmetrico ed equilibrato
il calcolo della tensione sul voltmetro è
Vc=|Vc1|
=41V
inoltre
°
°
Con questi possiamo ora calcolare
le correnti degli R a triangolo:
Ir12=
°
Ir13=
°
quindi l'amperometro AR=1.36A
e IL1=Ic+Ir12+Ir13=21.731
°
quindi l'amperometro A=21.7A
Infine Vf1=Vc1+
°
quindi il voltmetro V=!Vf1|
=33V
eccone una semplice.
Da PC, Qc e il valore della corrente
di Ac si ricavano Rc e C.
Data l'uguaglia numerica di PC e Qc
la fase di Ic è -45°.
Quindi I=20
-45°e
°Essendo il circuito simmetrico ed equilibrato
il calcolo della tensione sul voltmetro è
Vc=|Vc1|
=41Vinoltre
°
°Con questi possiamo ora calcolare
le correnti degli R a triangolo:
Ir12=
°Ir13=
°quindi l'amperometro AR=1.36A
e IL1=Ic+Ir12+Ir13=21.731
°quindi l'amperometro A=21.7A
Infine Vf1=Vc1+
°quindi il voltmetro V=!Vf1|
=33V
42 messaggi
• Pagina 3 di 5 • 1, 2, 3, 4, 5
Torna a Elettrotecnica generale
Chi c’è in linea
Visitano il forum: Nessuno e 23 ospiti

Elettrotecnica e non solo (admin)
Un gatto tra gli elettroni (IsidoroKZ)
Esperienza e simulazioni (g.schgor)
Moleskine di un idraulico (RenzoDF)
Il Blog di ElectroYou (webmaster)
Idee microcontrollate (TardoFreak)
PICcoli grandi PICMicro (Paolino)
Il blog elettrico di carloc (carloc)
DirtEYblooog (dirtydeeds)
Di tutto... un po' (jordan20)
AK47 (lillo)
Esperienze elettroniche (marco438)
Telecomunicazioni musicali (clavicordo)
Automazione ed Elettronica (gustavo)
Direttive per la sicurezza (ErnestoCappelletti)
EYnfo dall'Alaska (mir)
Apriamo il quadro! (attilio)
H7-25 (asdf)
Passione Elettrica (massimob)
Elettroni a spasso (guidob)
Bloguerra (guerra)






