per stefanopc:
il kit NE LX1710 (riv, 235) già con un solo tubo discrimina le radiazioni alfa/beta/gamma da beta utilizzando una schermatura.
ho avuto delusioni con la rilevazione con fotodiodo, avendo costruito il circuito appena fu pubblicato sulla rivista (Elektor credo, la sto cercando in soffitta per rinfrescarmi la memoria). Inoltre penso che se i maggiori costruttori di contatori e dosimetri utilizzano ancora i tubi ci sarà un motivo.
saluti
Strumento Rilevatore radioattività
0
voti
0
voti
@stefanopc.
Lo schema non è casuale che non ci sia. L'impressione è che dietro vi sia un intento commerciale o magari una ricerca universitaria, essendo coinvolto il Politecnico di Torino. Tempo perso...
@GiVi.
Per quanto concerne Elektor, bisogna vedere quale versione s'intende, essendone state realizzate tre versioni da parte di Elektor.
I tubi sembrano più adatti per rilevare le radiazioni ambientali a 360 gradi ma se devi puntare la sonda verso un alimento ritengo che la direzionalità e la limitazione dell'area da indagare sia addirittura un vantaggio...
Lo schema non è casuale che non ci sia. L'impressione è che dietro vi sia un intento commerciale o magari una ricerca universitaria, essendo coinvolto il Politecnico di Torino. Tempo perso...
@GiVi.
Per quanto concerne Elektor, bisogna vedere quale versione s'intende, essendone state realizzate tre versioni da parte di Elektor.
I tubi sembrano più adatti per rilevare le radiazioni ambientali a 360 gradi ma se devi puntare la sonda verso un alimento ritengo che la direzionalità e la limitazione dell'area da indagare sia addirittura un vantaggio...
-

gianniniivo
9.010 7 11 13 - No Rank
- Messaggi: 2874
- Iscritto il: 5 feb 2019, 23:50
0
voti
Ho provato a cercare un po ... se si cerca mediante immagini, si trovano delle sezioni di schema (non lo schema completo), che pero' se aperte rimandano sempre tutte alla stessa pagina di sciencedirect senza immagini (probabilmente il bot di google riesce ad entrare anche dove un'utente normale non ha permessi, comunque non servono a nulla, perche' oltre ad essere solo delle parti sono anche privi di valori dei componenti)
"open source" 'n par de ciuffoli, come direbbe qualcuno
"open source" 'n par de ciuffoli, come direbbe qualcuno
"Sopravvivere" e' attualmente l'unico lusso che la maggior parte dei Cittadini italiani,
sia pure a costo di enormi sacrifici, riesce ancora a permettersi.
sia pure a costo di enormi sacrifici, riesce ancora a permettersi.
-

Etemenanki
9.507 3 6 10 - Master

- Messaggi: 5935
- Iscritto il: 2 apr 2021, 23:42
- Località: Dalle parti di un grande lago ... :)
0
voti
Etemenanki ha scritto:
"open source" 'n par de ciuffoli, come direbbe qualcuno
Già. Open sorce...
-

gianniniivo
9.010 7 11 13 - No Rank
- Messaggi: 2874
- Iscritto il: 5 feb 2019, 23:50
1
voti
Dal repository:
Shemetics The schematis are avaiable in MULTISIM format or as Gerber files ready to be printed.
Per quanto l'inglese non sia dei migliori, tradotto significa che uno di quei file probabilmente si apre con multisim, o forse ha dimenticato di includerlo. A quel punto, una persona normale ed interessata chiederebbe gentilmente all'autore se può aggiornare il repository o condividere il diagramma se fosse ancora disponibile.
È incredibile come certe persone siano così suscettibili e sentano il diritto di criticare la qualità di cose per cui non pagano. Al punto da inventare strane retrologie o criticare l'autore del fatto che molta della letteratura scientifica sia a pagamento, non certo per loro scelta.
Se fossi bemxgm questo atteggiamento sarebbe abbastanza per invitare l'op a raccogliere rape.
Shemetics The schematis are avaiable in MULTISIM format or as Gerber files ready to be printed.
Per quanto l'inglese non sia dei migliori, tradotto significa che uno di quei file probabilmente si apre con multisim, o forse ha dimenticato di includerlo. A quel punto, una persona normale ed interessata chiederebbe gentilmente all'autore se può aggiornare il repository o condividere il diagramma se fosse ancora disponibile.
È incredibile come certe persone siano così suscettibili e sentano il diritto di criticare la qualità di cose per cui non pagano. Al punto da inventare strane retrologie o criticare l'autore del fatto che molta della letteratura scientifica sia a pagamento, non certo per loro scelta.
Se fossi bemxgm questo atteggiamento sarebbe abbastanza per invitare l'op a raccogliere rape.
"640K ought to be enough for anybody" Bill Gates (?) 1981
Qualcosa non ha funzionato...
Lo sapete che l'arroganza in informatica si misura in nanodijkstra?
Qualcosa non ha funzionato...
Lo sapete che l'arroganza in informatica si misura in nanodijkstra?
-

fairyvilje
15,0k 4 9 12 - G.Master EY

- Messaggi: 3047
- Iscritto il: 24 gen 2012, 19:23
1
voti
fairyvilje ha scritto:...
Se fossi bemxgm questo atteggiamento sarebbe abbastanza per invitare l'op a raccogliere rape.
Se, da un certo punto di vista, posso essere d'accordo con te' sulla questione, da un altro invece non trovo completamente corretto il comportamento dell'autore.
Mi spiego meglio, se e' vero che e' presente un file con estensione .ms14 (che potrebbe anche contenere lo schema elettrico, lasciami controllare), c'e' da considerare che per consultarlo serve avere installato multisim 14, che fa parte di una suite venduta sui 1150 Euro (o almeno questo era il prezzo l'ultima volta che l'ho visto) ... ora ti chiedo, quanti vogliono (o possono permettersi) di acquistare tale programma solo per consultare uno schema elettrico che l'autore ha dichiarato essere "open source" ?
Ad esempio, anche se io ce l'ho, non me lo potrei permettere se non mi fosse stato dato con la relativa licenza da un cliente che voleva a tutti i costi un lavoro in tempi "impossibili" tempo fa per un'emergenza ... e posso presumere che quasi nessuno potrebbe permettersi di spendere certe ifre solo per consultare uno schema distribuito come "open"
Secondo la mia personale opinione, e' anche una questione di correttezza, nei confronti delle persone che leggono i tuoi articoli ... se io pubblico, o creo, o distribuisco, qualcosa di "open", come minimo uso Eagle 7.7, che e' scaricabile gratuitamente, in piu se serve includo anche le immagini in formato jpg o pdf nel caso qualcuno non potesse o volesse installare un programma sul proprio PC solo per consultare un mio schema, e questo solo per correttezza, se ho dichiarato che quello che ho distribuito e' "open", per quanto mi riguarda deve esserlo anche per chi non dispone degli stessi programmi che uso io.
Mi sembra che non servisse poi cosi tanta fatica a fare un'esporta immagine in formato jpg ed inserirla insieme a tutto il resto a scopo di consultazione (anzi, dammi un secondo che lo faccio direttamente io) ... poi, come ho detto, questo e' quello che faccio io, per come intendo il concetto di "open", ovviamente l'autore puo fare come preferisce lui.
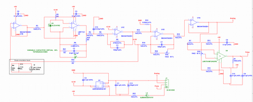
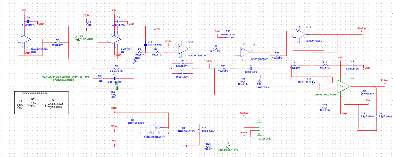
EDIT: eccola, per quanto ci si capisca (e' fatta cosi nel suo file) ... avrei dovuto pensarci prima, ma avevo cercato nella cartella degli schemi e c'erano solo gerber, questa era altrove e l'ho trovata solo per caso.
"Sopravvivere" e' attualmente l'unico lusso che la maggior parte dei Cittadini italiani,
sia pure a costo di enormi sacrifici, riesce ancora a permettersi.
sia pure a costo di enormi sacrifici, riesce ancora a permettersi.
-

Etemenanki
9.507 3 6 10 - Master

- Messaggi: 5935
- Iscritto il: 2 apr 2021, 23:42
- Località: Dalle parti di un grande lago ... :)
1
voti
Ok, e quindi? Non prenderla in senso canzonatorio, ma a livello pratico cosa intendi fare per risolvere questo problema visto che il modo in cui l'autore ha operato non ti soddisfa?
Perché non fai un fork del suo repository, e visto che hai la fortuna di avere il programma necessario non aggiungi l'immagine da te generata? La licenza originale è GPL 3.0, quindi ogni tuo contibuto è sicuramente benvenuto dagli autori.
Accetto la tua opinione in senso generale, ma è chiaro che il mondo non possa e non debba funzionare in questo modo. Essere opensource non significa che ogni persona debba poter replicare qualcosa con zero pre-requisiti, siano essi tecnici, monetari, di skills od infrastrutturali.
Sarebbe come lamentarsi di una persona che rilascia i disegni meccanici di un componente perché non puoi stamparli con la tua ender3 e ti serve un tornio a controllo numerico che non possiedi.
O che non puoi generare immagini con stable diffusion perché la tua GPU ha solo 2GB di ram ed i curatori del progetto non hanno la tua situazione fra le loro priorità.
Concordo colla generica idea di rendere qualcosa il più accessibile possibile, ma è anche vero che lo sforzo o la percezione di cosa sia necessario per raggiungere quel fine non è chiaramente uniforme.
È anche possibile che l'autore non sapesse che il software usato fosse commerciale con una licenza così costosa visto che operava in un contesto universitrario. O che l'esportatore verso il formato open non funzionasse correttamente.
O che avesse altre priorità, e l'ultima cosa che qualcuno vuole sentire è un certo tipo di comunicazione quando rilascia qualcosa pubblicamente, perché la prossima volta ci ripensa due volte.
Perché non fai un fork del suo repository, e visto che hai la fortuna di avere il programma necessario non aggiungi l'immagine da te generata? La licenza originale è GPL 3.0, quindi ogni tuo contibuto è sicuramente benvenuto dagli autori.
Accetto la tua opinione in senso generale, ma è chiaro che il mondo non possa e non debba funzionare in questo modo. Essere opensource non significa che ogni persona debba poter replicare qualcosa con zero pre-requisiti, siano essi tecnici, monetari, di skills od infrastrutturali.
Sarebbe come lamentarsi di una persona che rilascia i disegni meccanici di un componente perché non puoi stamparli con la tua ender3 e ti serve un tornio a controllo numerico che non possiedi.
O che non puoi generare immagini con stable diffusion perché la tua GPU ha solo 2GB di ram ed i curatori del progetto non hanno la tua situazione fra le loro priorità.
Concordo colla generica idea di rendere qualcosa il più accessibile possibile, ma è anche vero che lo sforzo o la percezione di cosa sia necessario per raggiungere quel fine non è chiaramente uniforme.
È anche possibile che l'autore non sapesse che il software usato fosse commerciale con una licenza così costosa visto che operava in un contesto universitrario. O che l'esportatore verso il formato open non funzionasse correttamente.
O che avesse altre priorità, e l'ultima cosa che qualcuno vuole sentire è un certo tipo di comunicazione quando rilascia qualcosa pubblicamente, perché la prossima volta ci ripensa due volte.
"640K ought to be enough for anybody" Bill Gates (?) 1981
Qualcosa non ha funzionato...
Lo sapete che l'arroganza in informatica si misura in nanodijkstra?
Qualcosa non ha funzionato...
Lo sapete che l'arroganza in informatica si misura in nanodijkstra?
-

fairyvilje
15,0k 4 9 12 - G.Master EY

- Messaggi: 3047
- Iscritto il: 24 gen 2012, 19:23
0
voti
Grazie a
Etemenankiper aver cercato e trovato lo schema elettrico.
Io ho installato la versione demo di multisim senza riuscire a combinare granché forse perché cercavo nella directory sbagliata.
Rimane il fatto che secondo me il bom che ha pubblicato non ha nulla in comune con questo schema.
Probabilmente sono versioni differenti.
Peccato sembra un approccio interessante.
Ciao
Io ho installato la versione demo di multisim senza riuscire a combinare granché forse perché cercavo nella directory sbagliata.
Rimane il fatto che secondo me il bom che ha pubblicato non ha nulla in comune con questo schema.
Probabilmente sono versioni differenti.
Peccato sembra un approccio interessante.
Ciao
600 Elettra
0
voti
fairyvilje ha scritto:... Non prenderla in senso canzonatorio ...
Tranquillo, non me la prendo affatto, in fondo siamo sul forum proprio per confrontare le rispettive idee
Fare, non intendo fare nulla, come ho detto, l'autore ha tutti i diritti di fare le cose come vuole lui ... io mi limitavo a rimarcare che per come vedo io la condivisione "open", il suo comportamento non e' stato il massimo dell'open, ma appunto, questo e' solo il come la vedo io personalmente
"Sopravvivere" e' attualmente l'unico lusso che la maggior parte dei Cittadini italiani,
sia pure a costo di enormi sacrifici, riesce ancora a permettersi.
sia pure a costo di enormi sacrifici, riesce ancora a permettersi.
-

Etemenanki
9.507 3 6 10 - Master

- Messaggi: 5935
- Iscritto il: 2 apr 2021, 23:42
- Località: Dalle parti di un grande lago ... :)
Chi c’è in linea
Visitano il forum: Nessuno e 2 ospiti

Elettrotecnica e non solo (admin)
Un gatto tra gli elettroni (IsidoroKZ)
Esperienza e simulazioni (g.schgor)
Moleskine di un idraulico (RenzoDF)
Il Blog di ElectroYou (webmaster)
Idee microcontrollate (TardoFreak)
PICcoli grandi PICMicro (Paolino)
Il blog elettrico di carloc (carloc)
DirtEYblooog (dirtydeeds)
Di tutto... un po' (jordan20)
AK47 (lillo)
Esperienze elettroniche (marco438)
Telecomunicazioni musicali (clavicordo)
Automazione ed Elettronica (gustavo)
Direttive per la sicurezza (ErnestoCappelletti)
EYnfo dall'Alaska (mir)
Apriamo il quadro! (attilio)
H7-25 (asdf)
Passione Elettrica (massimob)
Elettroni a spasso (guidob)
Bloguerra (guerra)


