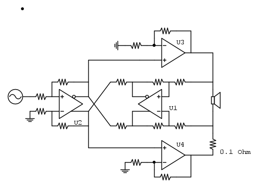
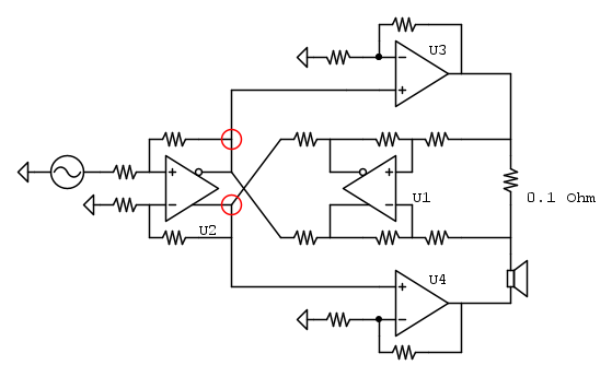
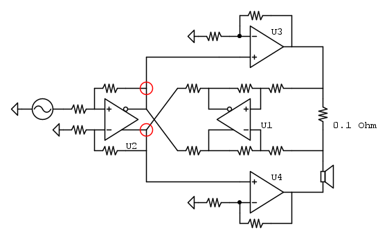
invece di agire sulla retroazione di U3-U4 che ne dite se U1 interferisse direttamente sui segnali di uscita di U2 ? . stesso problema ? .
ampli audio di potenza a ponte e corrente costante
Moderatore:
IsidoroKZ
1
voti
I due nodi che ho segnato sullo schema sono a bassa impedenza, quindi non funziona.
Sai che cosa significa e cosa implica quello che ho detto prima?
Non ci sono i valori, ma ho l'impressione che stia tenendo basso il rapporto di ritorno dell'anello di corrente, in questo modo l'impedenza di uscita non sale molto.
Ho corretto un paio di lapsus grafici: vedi a cosa serve avere gli schemi fatti in fidocad? Si prendono e si modificano senza nessuno sforzo
Sai che cosa significa e cosa implica quello che ho detto prima?
Non ci sono i valori, ma ho l'impressione che stia tenendo basso il rapporto di ritorno dell'anello di corrente, in questo modo l'impedenza di uscita non sale molto.
Ho corretto un paio di lapsus grafici: vedi a cosa serve avere gli schemi fatti in fidocad? Si prendono e si modificano senza nessuno sforzo
Per usare proficuamente un simulatore, bisogna sapere molta più elettronica di lui
Plug it in - it works better!
Il 555 sta all'elettronica come Arduino all'informatica! (entrambi loro malgrado)
Se volete risposte rispondete a tutte le mie domande
Plug it in - it works better!
Il 555 sta all'elettronica come Arduino all'informatica! (entrambi loro malgrado)
Se volete risposte rispondete a tutte le mie domande
0
voti
Ok, non metto in dubbio sia critico, l'ho postato solo perché con inserita la retroazione di corrente sull'emettitore, un punto di stabilità si trova, su stadi di preamplificazione audio l'ho usato spesso, certo su questi stadi si ha nel complesso una retroazione ben piu elevata, qua resta abbastanza ridotta.BrunoValente ha scritto:Il problema è sempre lo stesso: sono due sorgenti di corrente in serie per cui non si riesce a regolare il punto di lavoro a metà tensione di alimentazione... sarebbe come pretendere di far rimanere in equilibrio una sedia su due zampe.
La mia era solo un'indicazione, per testare una sorgente quasi-corrente-costante, per evitare all'utente di impazzire per fare una cosa che poi suona male, ed avere perso tempo per niente, io ho sempre il brutto vizio
saluti.
-

lelerelele
4.899 3 7 9 - Master

- Messaggi: 5505
- Iscritto il: 8 giu 2011, 8:57
- Località: Reggio Emilia
0
voti
pare non ci sia scampo , ameno che si facciano 2 ampli in cascata come gia proposto
1
voti
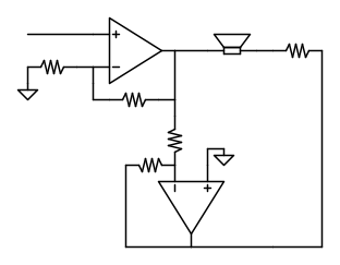
IsidoroKZ ha scritto:...Proverei con una struttura di questo genere: su un lato dell'altoparlante metterei un generatore di corrente pilotato come quello che hai disegnato. Piloterei l'altro lato dell'altoparlante con un amplificatore di tensione con guadagno -1 che prende la tensione d'ingresso sul lato dove c'è il generatore di corrente. In questo modo il carico è pilotato in corrente, e hai dinamica doppia rispetto al singolo amplificatore.
Non capisco perché ti ostini a non considerare la soluzione che ti ha proposto
Comunque se proprio vuoi un'alternativa ho pensato a questa soluzione che mi pare possa funzionate.
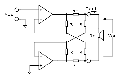
La transconduttanza vale Iout/Vin=1/R1, per cui Il Guadagno In tensione vale Vout/Vin=Rc/R1.
Un valore superiore a qualche kohm per le resistenze R è ragionevole perché non riduce significativamente l'impedenza di uscita.
Ho evitato l'amplificatore di ingresso con uscita bilanciata perché se il guadagno di tensione RC/R1 è superiore a 10 l'asimmetria tra i due segnali di uscita diventa trascurabile ed è inutile metterlo ma se vuoi fare il pignolo puoi sempre aggiungerlo.
-

BrunoValente
39,6k 7 11 13 - G.Master EY

- Messaggi: 7796
- Iscritto il: 8 mag 2007, 14:48
0
voti
BrunoValente ha scritto:IsidoroKZ ha scritto:
Non capisco perché ti ostini a non considerare la soluzione che ti ha propostoIsidoroKZ che la più adatta.
infatti nel mio ultimo post mi riferivo a quella
0
voti
1
voti
No
arivel, non intendeva così.
Voglio darti un consiglio spassionato.
Quando si vuole costruire qualcosa di nuovo in elettronica, per ottenere qualche risultato, si possono percorrere 3 strade:
1) Senza conoscere l'elettronica seguendo pedestremente il progetto fatto da chi se ne intende con il rischio di bloccarsi alla prima difficoltà o al primo errore senza riuscire ad andare oltre.
2) Con una conoscenza quasi buona dell'elettronica seguendo il progetto fatto da chi se ne intende con buone speranze di riuscire ad arrivare in fondo.
3) Con una buona conoscenza dell'elettronica progettando in proprio quello che si vorrebbe realizzare con la certezza di saper aggiustare il tiro strada facendo se necessario e di riuscire nell'intento.
Tu stai progettando in proprio quello che vorresti realizzare, però... a buon intenditor poche parole.
Voglio darti un consiglio spassionato.
Quando si vuole costruire qualcosa di nuovo in elettronica, per ottenere qualche risultato, si possono percorrere 3 strade:
1) Senza conoscere l'elettronica seguendo pedestremente il progetto fatto da chi se ne intende con il rischio di bloccarsi alla prima difficoltà o al primo errore senza riuscire ad andare oltre.
2) Con una conoscenza quasi buona dell'elettronica seguendo il progetto fatto da chi se ne intende con buone speranze di riuscire ad arrivare in fondo.
3) Con una buona conoscenza dell'elettronica progettando in proprio quello che si vorrebbe realizzare con la certezza di saper aggiustare il tiro strada facendo se necessario e di riuscire nell'intento.
Tu stai progettando in proprio quello che vorresti realizzare, però... a buon intenditor poche parole.
-

BrunoValente
39,6k 7 11 13 - G.Master EY

- Messaggi: 7796
- Iscritto il: 8 mag 2007, 14:48
0
voti
non mi reputo certo un genio dell' elettronica altrimenti non avrei fatto domande qui . c'è sempre qualcuno più bravo in qualsiasi cosa e se non esiste ancora ci sarà .
ma quello che conta secondo me è lo spirito , la volontà e la voglia di creare qualcosa anche se potrebbe finire male , questo è la fiamma che alimenta l'entusiasmo di conoscere e imparare , se muore questo , diventa tutto grigio .
ma quello che conta secondo me è lo spirito , la volontà e la voglia di creare qualcosa anche se potrebbe finire male , questo è la fiamma che alimenta l'entusiasmo di conoscere e imparare , se muore questo , diventa tutto grigio .
0
voti
arivel ha scritto:...ma quello che conta secondo me è lo spirito , la volontà e la voglia di creare qualcosa anche se potrebbe finire male , questo è la fiamma che alimenta l'entusiasmo di conoscere e imparare , se muore questo , diventa tutto grigio .
Tutto questo non deve assolutamente morire, ci mancherebbe!... ma a farlo morire spesso sono le delusioni, il non riuscire nell'intento... e magari per riuscire basterebbe solo studiare un pochino e rendersi meglio conto di cosa si sta facendo, come e perché...
-

BrunoValente
39,6k 7 11 13 - G.Master EY

- Messaggi: 7796
- Iscritto il: 8 mag 2007, 14:48
Torna a Elettronica e spettacolo
Chi c’è in linea
Visitano il forum: Nessuno e 28 ospiti

Elettrotecnica e non solo (admin)
Un gatto tra gli elettroni (IsidoroKZ)
Esperienza e simulazioni (g.schgor)
Moleskine di un idraulico (RenzoDF)
Il Blog di ElectroYou (webmaster)
Idee microcontrollate (TardoFreak)
PICcoli grandi PICMicro (Paolino)
Il blog elettrico di carloc (carloc)
DirtEYblooog (dirtydeeds)
Di tutto... un po' (jordan20)
AK47 (lillo)
Esperienze elettroniche (marco438)
Telecomunicazioni musicali (clavicordo)
Automazione ed Elettronica (gustavo)
Direttive per la sicurezza (ErnestoCappelletti)
EYnfo dall'Alaska (mir)
Apriamo il quadro! (attilio)
H7-25 (asdf)
Passione Elettrica (massimob)
Elettroni a spasso (guidob)
Bloguerra (guerra)





