Irrigazione vasi dei fiori
Moderatori:
carloc,
g.schgor,
BrunoValente,
IsidoroKZ
26 messaggi
• Pagina 1 di 3 • 1, 2, 3
0
voti
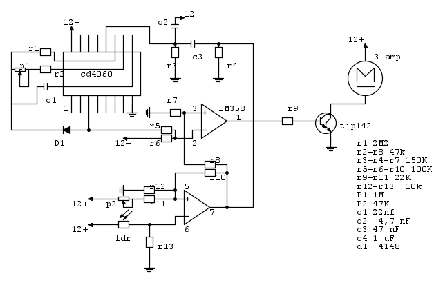
Buon giorno: qualche tempo addietro ho realizzato un progettino per irrigazione automatica dei vasi del balcone, estratto da uno schema trovato in rete, ho aggiunto alcuni particolari funzioni non incisive sul funzionamento originario, diciamo dei gadget,il progetto originale prevede una ldr che tramite un operazionale lm358 pilota un CD _060 che gestisce il tempo di funzionamento della pompetta, eseguito il PCB e collaudato tutto bene per circa un mesetto e poi nulla non temporizza più ho controllato e ricontrollato il tutto ma non riesco a verificare se il CD 4060 funziona essendo l'indagato della situazione, oltretutto non è stato toccato nulla dal primo istante di funzionamento e quindi non capisco cosa può essere successo.Alimentazione ok ldr ok,il CD4060 indagato come posso controllarne il funzionamento? Qualcuno ha dei suggerimenti ? Come può essere che di punto in bianco il circuito non funzioni più? Grazie
0
voti
Con un oscillo sicuramente, ma dato che costa 50 cent/pz lo cambierei di ignoranza
Poi con il circuito su fidocadj vediamo se ci sono altre debolezze o punti in cui effettuare le misure

Poi con il circuito su fidocadj vediamo se ci sono altre debolezze o punti in cui effettuare le misure

0
voti
Ma il CD4060 lo puoi controllare anche con un tester, ti metti su una divisione bassa in modo da vedere gli on/off delle uscite. Comunque uno schema credo sia d'obbligo, se vuoi avere delle risposte mirate.
Alex
https://www.facebook.com/Elettronicaeelettrotecnica
<< vedi di pigliare arditamente in mano, il dizionario che ti suona in bocca,
se non altro è schietto e paesano.
(Giuseppe Giusti) <<
https://www.facebook.com/Elettronicaeelettrotecnica
<< vedi di pigliare arditamente in mano, il dizionario che ti suona in bocca,
se non altro è schietto e paesano.
(Giuseppe Giusti) <<
1
voti
salve, eccomi ho disegnato lo schema che posto, Ho controllato la pompa e ok il problema è proprio che non arriva più il segnale quando è dovuto ovvero alla sera nonostante regolo il trimmer della sensibilità e la cosa ancora molto più strana è che ha funzionato perfettamente per circa una mesata con i suoi cicli di lavoro, poi dalla sera dopo avere fatto il ciclo basta,
specifico nessun componente bruciato visibilmente, alimentazione ok , pompa ok, saldature riviste e ok piste sono a posto, per il resto mistero
specifico nessun componente bruciato visibilmente, alimentazione ok , pompa ok, saldature riviste e ok piste sono a posto, per il resto mistero
3
voti
Ciao
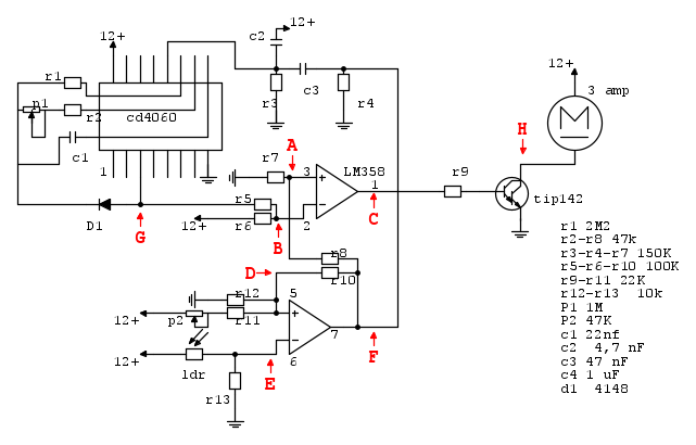
zacarov, ti consiglio di misurare la tensione nei punti che ho evidenziato nel circuito.
Dovresti effettuare le misure nel momento in cui ritieni che la pompa debba accendersi.
Imposta il tester per la misura di tensioni continue con fondo scala 20V, collega stabilmente il puntale nero al meno del circuito e con il puntale rosso effettua le misure in successione sui vari pinti.
Elenca i valori rilevati delle varie tensioni su una tabellina e postala.
Ipotizzo che si sia rotto il transistor perché mi pare non sia pilotato correttamente e che possa scaldare molto.
Quando funzionava hai avuto modo di verificare se il transistor scaldava molto?
Dovresti effettuare le misure nel momento in cui ritieni che la pompa debba accendersi.
Imposta il tester per la misura di tensioni continue con fondo scala 20V, collega stabilmente il puntale nero al meno del circuito e con il puntale rosso effettua le misure in successione sui vari pinti.
Elenca i valori rilevati delle varie tensioni su una tabellina e postala.
Ipotizzo che si sia rotto il transistor perché mi pare non sia pilotato correttamente e che possa scaldare molto.
Quando funzionava hai avuto modo di verificare se il transistor scaldava molto?
-

BrunoValente
39,6k 7 11 13 - G.Master EY

- Messaggi: 7796
- Iscritto il: 8 mag 2007, 14:48
0
voti
Bene @Bruno ti ha segnato i punti strategici per diagnosticare il circuito.
Inoltre mettendo un puntale del tester, in V sul pin 7 dovresti vedere l'andamento dell'oscilatore.
Dopo se ti riesce comandare manualmente il motore, iniettando una tensione con una resistenza nel punto C e sulla base del darlington.
Vedo che è già stato risolto
Aggiungi però un diodo in parallelo al darlington oppure sul motore, con in catodo sul punbto più positivo.
Inoltre mettendo un puntale del tester, in V sul pin 7 dovresti vedere l'andamento dell'oscilatore.
Dopo se ti riesce comandare manualmente il motore, iniettando una tensione con una resistenza nel punto C e sulla base del darlington.
Vedo che è già stato risolto

Aggiungi però un diodo in parallelo al darlington oppure sul motore, con in catodo sul punbto più positivo.
Alex
https://www.facebook.com/Elettronicaeelettrotecnica
<< vedi di pigliare arditamente in mano, il dizionario che ti suona in bocca,
se non altro è schietto e paesano.
(Giuseppe Giusti) <<
https://www.facebook.com/Elettronicaeelettrotecnica
<< vedi di pigliare arditamente in mano, il dizionario che ti suona in bocca,
se non altro è schietto e paesano.
(Giuseppe Giusti) <<
2
voti
djnz ha scritto:TIP142 bruciato causa extratensioni di apertura del carico induttivo? Dai oggi dai domani, a un certo punto salta.
Mi pare sia pilotato con una corrente piuttosto bassa e che non saturi correttamente e che quindi possa scaldare troppo.
In saturazione il guadagno crolla ma anche ammettendo che si mantenga dalle parti di 500 vorrebbe dire che per garantire 3A alla pompa occorrerebbe pilotarlo con almeno 6mA nella base.
Considerando che si perdono un paio di volt in uscita all'operazionale e un altro paio di volt tra B ed E, succede che ai capi di R9, che vale 22k, restano circa 8V e che quindi in base scorrono circa 0,35mA che sono decisamente troppo pochi.
-

BrunoValente
39,6k 7 11 13 - G.Master EY

- Messaggi: 7796
- Iscritto il: 8 mag 2007, 14:48
26 messaggi
• Pagina 1 di 3 • 1, 2, 3
Chi c’è in linea
Visitano il forum: Nessuno e 225 ospiti

Elettrotecnica e non solo (admin)
Un gatto tra gli elettroni (IsidoroKZ)
Esperienza e simulazioni (g.schgor)
Moleskine di un idraulico (RenzoDF)
Il Blog di ElectroYou (webmaster)
Idee microcontrollate (TardoFreak)
PICcoli grandi PICMicro (Paolino)
Il blog elettrico di carloc (carloc)
DirtEYblooog (dirtydeeds)
Di tutto... un po' (jordan20)
AK47 (lillo)
Esperienze elettroniche (marco438)
Telecomunicazioni musicali (clavicordo)
Automazione ed Elettronica (gustavo)
Direttive per la sicurezza (ErnestoCappelletti)
EYnfo dall'Alaska (mir)
Apriamo il quadro! (attilio)
H7-25 (asdf)
Passione Elettrica (massimob)
Elettroni a spasso (guidob)
Bloguerra (guerra)








