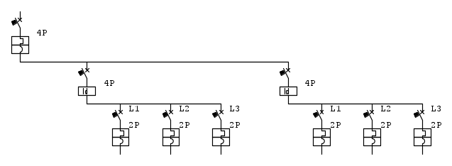
In una fornitura trifase vi sono differenziali tipo A da 30mA che sotto hanno 3 interruttori monofase che proteggono altrettanti utilizzatori monofase.
Che ne pensate?
Differenziale trifase con utilizzatori monofase
Moderatori:
sebago,
MASSIMO-G,
lillo,
Mike
0
voti
[2] Re: Differenziale trifase con utilizzatori monofase
Non vedo grandi problemi, se non complessità ai fini del sezionamento. Sempre che non sia richiesta selettività. In caso di guasto VS terra, una persona con un minimo di formazione individua il circuito in guasto.
Ultima modifica di
ferri il 20 lug 2023, 15:18, modificato 1 volta in totale.
0
voti
[3] Re: Differenziale trifase con utilizzatori monofase
Il o i differenziale/i sono trifase ? E gli "interruttori sotto" di che tipo sono ?
Io ho letto, non ricordo di preciso dove (magari qui), che a parità' di corrente differenziale di soglia un differenziale trifase e' potenzialmente più' tollerante verso le dispersioni (e quindi protegge di meno) rispetto a tre monofase, perche' rischia di non vedere dispersioni che si compensano (vettorialmente) da una fase all'altra.
Quindi io ho optato per tre differenziali monofase, che seguono un MT trifase (che funge anche da generale) e sono seguiti ognuno da una paio di MT monofase (uno per linea).
Io ho letto, non ricordo di preciso dove (magari qui), che a parità' di corrente differenziale di soglia un differenziale trifase e' potenzialmente più' tollerante verso le dispersioni (e quindi protegge di meno) rispetto a tre monofase, perche' rischia di non vedere dispersioni che si compensano (vettorialmente) da una fase all'altra.
Quindi io ho optato per tre differenziali monofase, che seguono un MT trifase (che funge anche da generale) e sono seguiti ognuno da una paio di MT monofase (uno per linea).
-
Mike
55,6k 7 10 12 - G.Master EY

- Messaggi: 17011
- Iscritto il: 1 ott 2004, 18:25
- Località: Conegliano (TV)
- Contatta:
0
voti
[4] Re: Differenziale trifase con utilizzatori monofase
GioArca67 ha scritto:In una fornitura trifase vi sono differenziali tipo A da 30mA che sotto hanno 3 interruttori monofase che proteggono altrettanti utilizzatori monofase.
Che ne pensate?
Male se a monte dei differenziali non c'è un interruttore magnetotermico che li protegge dal cortocircuito e dalle sovracorrenti, oppure solo per le sovracorrenti la somma della corrente nominale dei 3 interruttori MT a valle non supera la In dei differenziali.
--
Michele Lysander Guetta
--
"Non pensare mai al dolore, al pericolo o ai nemici un momento più lungo del necessario per combatterli." — Ayn Rand
Michele Lysander Guetta
--
"Non pensare mai al dolore, al pericolo o ai nemici un momento più lungo del necessario per combatterli." — Ayn Rand
0
voti
[5] Re: Differenziale trifase con utilizzatori monofase
sisu70 ha scritto:Il o i differenziale/i sono trifase ? E gli "interruttori sotto" di che tipo sono ?
Tutti Monofase con somma delle correnti per fase entro la corrente nominale del differenziale puro che hanno sopra.
0
voti
[6] Re: Differenziale trifase con utilizzatori monofase
Mike ha scritto:Male se a monte dei differenziali non c'è un interruttore magnetotermico che li protegge dal cortocircuito
C'è l'interruttore, che in alcuni casi però non li proteggerebbe dal sovraccarico, ma le correnti nominali degli interruttori magnetotermici sotto per ogni fase non superano la corrente nominale del differenziale.
0
voti
[7] Re: Differenziale trifase con utilizzatori monofase
GioArca67 ha scritto:sisu70 ha scritto:Il o i differenziale/i sono trifase ? E gli "interruttori sotto" di che tipo sono ?
Tutti Monofase con somma delle correnti per fase entro la corrente nominale del differenziale puro che hanno sopra.
Quindi ogni fase ha il proprio differenziale puro e il proprio magnetotermico e non c'e' un interruttore generale, magari MT, trifase/quadripolare a monte di tutto ? Ed e' tutto nello stesso quadro ?
-
Mike
55,6k 7 10 12 - G.Master EY

- Messaggi: 17011
- Iscritto il: 1 ott 2004, 18:25
- Località: Conegliano (TV)
- Contatta:
0
voti
[10] Re: Differenziale trifase con utilizzatori monofase
Se a monte i differenziali sono protetti dal corto e a monte o a valle dalle sovracorrenti non vedo problemi.
--
Michele Lysander Guetta
--
"Non pensare mai al dolore, al pericolo o ai nemici un momento più lungo del necessario per combatterli." — Ayn Rand
Michele Lysander Guetta
--
"Non pensare mai al dolore, al pericolo o ai nemici un momento più lungo del necessario per combatterli." — Ayn Rand

Elettrotecnica e non solo (admin)
Un gatto tra gli elettroni (IsidoroKZ)
Esperienza e simulazioni (g.schgor)
Moleskine di un idraulico (RenzoDF)
Il Blog di ElectroYou (webmaster)
Idee microcontrollate (TardoFreak)
PICcoli grandi PICMicro (Paolino)
Il blog elettrico di carloc (carloc)
DirtEYblooog (dirtydeeds)
Di tutto... un po' (jordan20)
AK47 (lillo)
Esperienze elettroniche (marco438)
Telecomunicazioni musicali (clavicordo)
Automazione ed Elettronica (gustavo)
Direttive per la sicurezza (ErnestoCappelletti)
EYnfo dall'Alaska (mir)
Apriamo il quadro! (attilio)
H7-25 (asdf)
Passione Elettrica (massimob)
Elettroni a spasso (guidob)
Bloguerra (guerra)







