Varistore per presa protetta
Moderatori:
g.schgor,
IsidoroKZ
16 messaggi
• Pagina 1 di 2 • 1, 2
0
voti
Salve a tutti dovrei costruire una presa protetta contro gli sbalzi di sovratensione, nel mio negozio di componenti ho chiesto dei varistori 20d241k che dovrebbero andare in protezione al raggiungimento di 275 volt se non sto sbagliando, mi hanno dato dei varistori più piccoli di diametro con la seguente sigla 2304 0529 di cui non ho trovato informazioni a riguardo su internet, mi dite a cosa si riferisce e se possono andare bene, vi ringrazio in anticipo per il supporto.
-

GiuseppeCe
5 2 - Messaggi: 7
- Iscritto il: 28 lug 2023, 16:38
0
voti
GiuseppeCe ha scritto: varistori 20d241k che dovrebbero andare in protezione al raggiungimento di 275 volt se non sto sbagliando
Attenzione ! La Tensione di Lavoro è 240V DC !
il Varistore in oggetto corrisponde a queste Caratteristiche :
Tensione nominale CA: 150 VAC
Tensione nominale CC: 240 VDC
-
Casomai dovresti cercare : 20D431K oppure S20K275
Tensione nominale CA: 275 VAC
Tensione nominale CC: 430 VDC
Quello che ti hanno dato è sicuramente sbagliato .
-
Buona Domenica !
Ultima modifica di
Franco012 il 30 lug 2023, 18:44, modificato 1 volta in totale.
Motivazione: Corretto l'inserimento della citazione.
Motivazione: Corretto l'inserimento della citazione.
0
voti
Si grazie hai ragione, infatti li ho ordinati su internet le sigle che mi hai consigliato, gentilissimo.
-

GiuseppeCe
5 2 - Messaggi: 7
- Iscritto il: 28 lug 2023, 16:38
0
voti
Consiglio di acquistare una presa protetta già pronta, tipo questa:
Le prese Dehn sono in genere piuttosto costose, ma se ne trovano anche altre, di marche affidabili, meno costose:
In casa le utilizzo entrambe.
Le prese Dehn sono in genere piuttosto costose, ma se ne trovano anche altre, di marche affidabili, meno costose:
In casa le utilizzo entrambe.
Big fan of ⋮ƎlectroYou
1
voti
Praticamente ho avuto degli attacchi e stacchi improvvisi di corrente che mi hanno fatto saltare la scheda inverter di un frigorifero, il tecnico che è venuto per l'intervento mi ha detto di mettere una presa protetta dalle sovratensioni. Io quindi avevo pensato di farne più di una anche per altri elettrodomestici o TV.
-

GiuseppeCe
5 2 - Messaggi: 7
- Iscritto il: 28 lug 2023, 16:38
1
voti
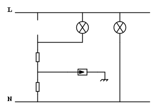
Prendiamo lo schema della presa DPRO postato da
Franco012, offre un paio di spunti di discussione per approfondire il discorso che volevo fare.
L'ho ridisegnato in maniera semplificata, ma funzionalmente è lo stesso:
In teoria funziona: i due varistori (dimensionati ciascuno per metà della tensione nominale) limitano la tensione tra fase e neutro a -diciamo- 250 V. Questa struttura elimina i disturbi di tipo single-ended, per esempio la sovratensione di un grosso carico induttivo che viene disinserito.
C'è poi lo scaricatore a gas verso terra che si occupa di limitare i disturbi in modo comune (per esempio scariche atmosferiche).
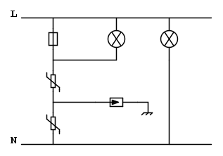
Perché c'è quel fusibile? E soprattutto, perché è messo così?
Qui ci vuole un po' di teoria sui varistori. Ogni volta che un varistore interviene (anche per una sovratensione molto leggera), nascono difetti nella sua struttura, che ne abbassano la tensione di intervento. Questo processo è un circolo vizioso: quando la tensione di intervento inizia a scendere, ci saranno piú interventi, che a loro volta causeranno altri difetti e così via, fino a quando la tensione di intervento è così vicina alla tensione nominale d'utilizzo che il componente va in cortocircuito e viene distrutto termicamente.
Il produttore di questa presa protetta lo sa e ci ha messo il fusibile. È già un fatto positivo. Molti prodotti economici non lo fanno e puoi solo sperare che quando inevitabilmente il varistore arriva a fin di vita non scateni un incendio.
Tutto bene quindi? No, per niente. Se in una notte tempestosa un fulmine causa l'intervento del fusibile, la lampada rossa si accenderà per indicarti che il tuo apparecchio non è piú protetto. Saremo in questa situazione:
Se tu non ti alzi alle 2 del mattino per controllare che la presa sia ancora operativa, il prossimo fulmine che cadrà alle 3, friggerà l'apparecchio a valle.
Inoltre il fusibile limita giocoforza la potenza che la presa può scaricare.
Quindi i varistori non servono a nulla?
Non servono a nulla nel loro utilizzo classico (che purtroppo è questo), ma sono utili in combinazione con uno scaricatore a gas. Come si è fatto (per metà) qui. Lo scaricatore a gas è un componente che una volta innescato rischia di mantenere attivo l'arco anche alla tensione di esercizio normale della linea, autodistruggendosi nel giro di secondi. Se messo in serie ad un varistore, il varistore durante l'esercizio normale non vede tensione e non si deteriora, ma quando lo scaricatore innesca ne riduce la tensione ai capi in modo da spegnerlo. Una buona protezione dai disturbi a modo comune si può realizzare così:
In questo circuito i varistori non sono sottoposti al continuo degrado che hanno in un circuito "normale".
Per la protezione differenziale si può usare un approccio simile a quello dei varistori tra neutro e fase, ma con un componente migliore: il TVS bidirezionale.
Immaginalo come un diodo zener molto robusto e bidirezionale. Per esempio un SMDJ300CA va in breakdown tra i 335 V e 371 V ( che corrispondono al valore di picco di una sinusoide di 236 V e 262 V, rispettivamente). Quando vanno in breakdown, sono in grado di scaricare impulsi fino a 4 kW, limitando la tensione a 486 V con una corrente di 8 A.
Si guastano se si supera la corrente massima, che però è di 300 A per 8 ms. Il guasto è sempre un cortocircuito, quindi continua a limitare la potenza che arriva a valle.
Siamo al punto che non serve il fusibile per proteggere il varistore dal resto del mondo, ma serve un fusibile per proteggere il resto del mondo dal TVS
Lo mettiamo quindi "per il lungo":
In questo circuito, se vogliamo protegger per esempio un frigorifero con un assorbimento massimo di 2 A, possiamo prendere un fusibile rapido da 3 A (bisogna provare un po' per vedere quant'è lo spunto di accensione del compressore). Dato che la curva V-I di un TVS è esponenziale, a 3 A avremo una tensione di clamping molto molto minore dei 486 V a 8 A.
Ah, se 486 V sembrano tanti, dai un'occhiata alla tensione di clamping di un MOV. Il citato 20D431K, a 10A è tra i 600 V e 700 V.
Possiamo sostituire anche gli scaricatori di modo comune con dei TVS? Sì, in effetti il circuito può essere ulteriormente semplificato:
Qui però stiamo introducendo una corrente di fuga verso terra, che potrebbe contribuire a far intervenire un differenziale. Il modello che ho citato sopra ha 2 uA a 300 V, che probabilmente non causeranno nessun problema. Ma altri modelli e se usati in grande numero potrebbero costituire un problema.
Proprio perché stiamo parlando di frigoriferi e congelatori, va messo in evidenza anche il grande difetto che questo circuito ha: se interviene il fusibile, l'elettrodomestico non è piú alimentato. È l'altro lato della medaglia. Si può però dimensionare il circuito in modo che l'intervento del fusibile sia molto improbabile. Si potrebbe anche omettere il fusibile e lasciar intervenire il magnetotermico, cosa che renderebbe l'intervento evidente, però è anche una protezione molto piú grezza. Ci si può mettere una lampadina rossa a cavallo del fusibile, ma siamo sinceri... quanto spesso la controlleresti?
La sicurezza assoluta non c'è, si tratta sempre di trovare il compromesso adatto.
Disclaimer: questo post è a titolo informativo. Non costituisce una ricetta per costruirsi la presa protetta. Farlo significa capire le implicazioni di ogni scelta e l'ambiente in cui la si fa (per esempio riguardo alla tolleranza della tensione nominale di rete nel luogo dove si abita). L'autocostruzione è una via che va seguita solo se si hanno le competenze necessarie.
Boiler
L'ho ridisegnato in maniera semplificata, ma funzionalmente è lo stesso:
In teoria funziona: i due varistori (dimensionati ciascuno per metà della tensione nominale) limitano la tensione tra fase e neutro a -diciamo- 250 V. Questa struttura elimina i disturbi di tipo single-ended, per esempio la sovratensione di un grosso carico induttivo che viene disinserito.
C'è poi lo scaricatore a gas verso terra che si occupa di limitare i disturbi in modo comune (per esempio scariche atmosferiche).
Perché c'è quel fusibile? E soprattutto, perché è messo così?
Qui ci vuole un po' di teoria sui varistori. Ogni volta che un varistore interviene (anche per una sovratensione molto leggera), nascono difetti nella sua struttura, che ne abbassano la tensione di intervento. Questo processo è un circolo vizioso: quando la tensione di intervento inizia a scendere, ci saranno piú interventi, che a loro volta causeranno altri difetti e così via, fino a quando la tensione di intervento è così vicina alla tensione nominale d'utilizzo che il componente va in cortocircuito e viene distrutto termicamente.
Il produttore di questa presa protetta lo sa e ci ha messo il fusibile. È già un fatto positivo. Molti prodotti economici non lo fanno e puoi solo sperare che quando inevitabilmente il varistore arriva a fin di vita non scateni un incendio.
Tutto bene quindi? No, per niente. Se in una notte tempestosa un fulmine causa l'intervento del fusibile, la lampada rossa si accenderà per indicarti che il tuo apparecchio non è piú protetto. Saremo in questa situazione:
Se tu non ti alzi alle 2 del mattino per controllare che la presa sia ancora operativa, il prossimo fulmine che cadrà alle 3, friggerà l'apparecchio a valle.
Inoltre il fusibile limita giocoforza la potenza che la presa può scaricare.
Quindi i varistori non servono a nulla?
Non servono a nulla nel loro utilizzo classico (che purtroppo è questo), ma sono utili in combinazione con uno scaricatore a gas. Come si è fatto (per metà) qui. Lo scaricatore a gas è un componente che una volta innescato rischia di mantenere attivo l'arco anche alla tensione di esercizio normale della linea, autodistruggendosi nel giro di secondi. Se messo in serie ad un varistore, il varistore durante l'esercizio normale non vede tensione e non si deteriora, ma quando lo scaricatore innesca ne riduce la tensione ai capi in modo da spegnerlo. Una buona protezione dai disturbi a modo comune si può realizzare così:
In questo circuito i varistori non sono sottoposti al continuo degrado che hanno in un circuito "normale".
Per la protezione differenziale si può usare un approccio simile a quello dei varistori tra neutro e fase, ma con un componente migliore: il TVS bidirezionale.
Immaginalo come un diodo zener molto robusto e bidirezionale. Per esempio un SMDJ300CA va in breakdown tra i 335 V e 371 V ( che corrispondono al valore di picco di una sinusoide di 236 V e 262 V, rispettivamente). Quando vanno in breakdown, sono in grado di scaricare impulsi fino a 4 kW, limitando la tensione a 486 V con una corrente di 8 A.
Si guastano se si supera la corrente massima, che però è di 300 A per 8 ms. Il guasto è sempre un cortocircuito, quindi continua a limitare la potenza che arriva a valle.
Siamo al punto che non serve il fusibile per proteggere il varistore dal resto del mondo, ma serve un fusibile per proteggere il resto del mondo dal TVS
In questo circuito, se vogliamo protegger per esempio un frigorifero con un assorbimento massimo di 2 A, possiamo prendere un fusibile rapido da 3 A (bisogna provare un po' per vedere quant'è lo spunto di accensione del compressore). Dato che la curva V-I di un TVS è esponenziale, a 3 A avremo una tensione di clamping molto molto minore dei 486 V a 8 A.
Ah, se 486 V sembrano tanti, dai un'occhiata alla tensione di clamping di un MOV. Il citato 20D431K, a 10A è tra i 600 V e 700 V.
Possiamo sostituire anche gli scaricatori di modo comune con dei TVS? Sì, in effetti il circuito può essere ulteriormente semplificato:
Qui però stiamo introducendo una corrente di fuga verso terra, che potrebbe contribuire a far intervenire un differenziale. Il modello che ho citato sopra ha 2 uA a 300 V, che probabilmente non causeranno nessun problema. Ma altri modelli e se usati in grande numero potrebbero costituire un problema.
Proprio perché stiamo parlando di frigoriferi e congelatori, va messo in evidenza anche il grande difetto che questo circuito ha: se interviene il fusibile, l'elettrodomestico non è piú alimentato. È l'altro lato della medaglia. Si può però dimensionare il circuito in modo che l'intervento del fusibile sia molto improbabile. Si potrebbe anche omettere il fusibile e lasciar intervenire il magnetotermico, cosa che renderebbe l'intervento evidente, però è anche una protezione molto piú grezza. Ci si può mettere una lampadina rossa a cavallo del fusibile, ma siamo sinceri... quanto spesso la controlleresti?
La sicurezza assoluta non c'è, si tratta sempre di trovare il compromesso adatto.
Disclaimer: questo post è a titolo informativo. Non costituisce una ricetta per costruirsi la presa protetta. Farlo significa capire le implicazioni di ogni scelta e l'ambiente in cui la si fa (per esempio riguardo alla tolleranza della tensione nominale di rete nel luogo dove si abita). L'autocostruzione è una via che va seguita solo se si hanno le competenze necessarie.
Boiler
0
voti
Boiler sei stato gentilissimo e molto esaustivo, mi volevo agganciare ad una tua affermazione se mi permetti in questo testo
Praticamente sul terrazzo di casa sulla stessa ciabatta ho una zanzariera elettrica e il televisore, succede che quando spengo la zanzariera il televisore va via il quadro per qualche secondo e poi riappare, quindi con lo schema presentato risolvo anche questo problema oppure c'è bisogno di qualche altro tipo di filtro di rete? Grazie in anticipo.
In teoria funziona: i due varistori (dimensionati ciascuno per metà della tensione nominale) limitano la tensione tra fase e neutro a -diciamo- 250 V. Questa struttura elimina i disturbi di tipo single-ended, per esempio la sovratensione di un grosso carico induttivo che viene disinserito.
Praticamente sul terrazzo di casa sulla stessa ciabatta ho una zanzariera elettrica e il televisore, succede che quando spengo la zanzariera il televisore va via il quadro per qualche secondo e poi riappare, quindi con lo schema presentato risolvo anche questo problema oppure c'è bisogno di qualche altro tipo di filtro di rete? Grazie in anticipo.
-

GiuseppeCe
5 2 - Messaggi: 7
- Iscritto il: 28 lug 2023, 16:38
0
voti
Io a livello professionale vedo utilizzati in campo tlc varistori ma accompagnati da scaricatori da filtri emi e fusibili rapidi.
Vedi questa discussione.
viewtopic.php?f=3&t=88497&p=945559#p945559
Bisogna valutare attentamente se vale la pena oppure no.
In città con linee bt mt in trincea (non aeree) il problema è molto limitato.
In frazioni isolate in alta montagna la cosa è ben diversa.
Riguardo al problema di interferenze tra elettrodomestici vari basta un buon filtro emi senza arrivare ai varistori di solito.
Ciao
Vedi questa discussione.
viewtopic.php?f=3&t=88497&p=945559#p945559
Bisogna valutare attentamente se vale la pena oppure no.
In città con linee bt mt in trincea (non aeree) il problema è molto limitato.
In frazioni isolate in alta montagna la cosa è ben diversa.
Riguardo al problema di interferenze tra elettrodomestici vari basta un buon filtro emi senza arrivare ai varistori di solito.
Ciao
600 Elettra
0
voti
Trova il cinese ?
Io più che al varistore affiderei la pratica a un filtro emi.
Magari risolvi banalmente separando le prese su due diverse ciabatte so è una seccatura
Io più che al varistore affiderei la pratica a un filtro emi.
Magari risolvi banalmente separando le prese su due diverse ciabatte so è una seccatura
-

luxinterior
4.311 3 4 9 - Master EY

- Messaggi: 2690
- Iscritto il: 6 gen 2016, 17:48
16 messaggi
• Pagina 1 di 2 • 1, 2
Torna a Elettrotecnica generale
Chi c’è in linea
Visitano il forum: Nessuno e 123 ospiti

Elettrotecnica e non solo (admin)
Un gatto tra gli elettroni (IsidoroKZ)
Esperienza e simulazioni (g.schgor)
Moleskine di un idraulico (RenzoDF)
Il Blog di ElectroYou (webmaster)
Idee microcontrollate (TardoFreak)
PICcoli grandi PICMicro (Paolino)
Il blog elettrico di carloc (carloc)
DirtEYblooog (dirtydeeds)
Di tutto... un po' (jordan20)
AK47 (lillo)
Esperienze elettroniche (marco438)
Telecomunicazioni musicali (clavicordo)
Automazione ed Elettronica (gustavo)
Direttive per la sicurezza (ErnestoCappelletti)
EYnfo dall'Alaska (mir)
Apriamo il quadro! (attilio)
H7-25 (asdf)
Passione Elettrica (massimob)
Elettroni a spasso (guidob)
Bloguerra (guerra)









