Ciao a tutti . Ho una Citroen AMI senza luce di retromarcia.
Le marcie sono innestate tramite tre interruttori momentanei che permettono la selezione di Marcia avanti Neutral o Retromarcia .
Io avrei bisogno che alla pressione del pulsante R si accenda la luce e alla pressione del pulsante N oppure D si spenga.
Su internet qualcuno lo ha già fatto utilizzando un modulo trasmittente RF e da collegare ai pulsanti e una ricevente al faro posteriore
Penso si possa fare con dei relè bistabile a 12v ma faccio confusione a immaginarmi i collegamenti .
La lampada omologata che ho scelto assorbe 3 ampere a 12 volt
C'è qualcuno in grado di darmi una mano?
Andrea
Aggiungere luce retromarcia a quadriciclo leggero.
Moderatore:
6367
7 messaggi
• Pagina 1 di 1
0
voti
Dimenticavo , in particolare non se se sia possible far si che la luce si spenga solo con la pressione dei tasti N e D e non con una seconda pressione del tato R e che non si accenda premendo i tasti N e D. Fattibile ? Devo passare da qualcosa da programmare con arduino?
0
voti
Mi rispondo da solo .
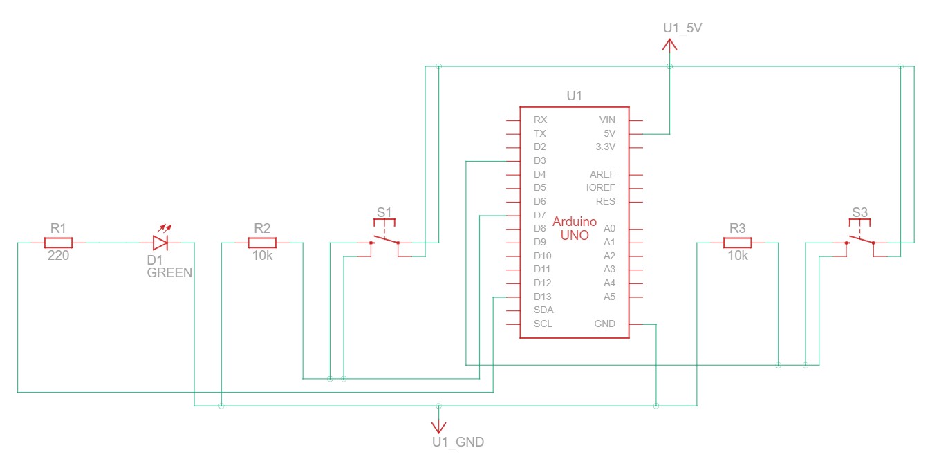
Con arduino posso controllare il led separatamente con due pulsanti . I pulsanti che devo interfacciare io sono pero' connesis a 12 volt quindi devo capire ocme metteri sotto un transistor NPN.
Codice
Con arduino posso controllare il led separatamente con due pulsanti . I pulsanti che devo interfacciare io sono pero' connesis a 12 volt quindi devo capire ocme metteri sotto un transistor NPN.
Codice
- Codice: Seleziona tutto
// Dichiarazione delle costanti per i pin dei pulsanti e del LED
const int buttonNPin = 7; // Collega il pulsante N al pin 2 di Arduino
const int buttonRPin = 3; // Collega il pulsante R al pin 3 di Arduino
const int ledPin = 13; // Collega il LED al pin 13 di Arduino
// Variabili per memorizzare lo stato dei pulsanti e del LED
int buttonNState = 0; // Stato del pulsante N (LOW o HIGH)
int buttonRState = 0; // Stato del pulsante R (LOW o HIGH)
int ledState = LOW; // Stato del LED (LOW o HIGH)
// Variabili per gestire il debounce dei pulsanti
unsigned long lastDebounceTimeN = 0;
unsigned long lastDebounceTimeR = 0;
unsigned long debounceDelay = 50;
// Metodo per inizializzare il programma
void setup() {
// Configuriamo i pin dei pulsanti come INPUT
pinMode(buttonNPin, INPUT);
pinMode(buttonRPin, INPUT);
// Configuriamo il pin del LED come OUTPUT
pinMode(ledPin, OUTPUT);
// Inizializziamo lo stato del LED a spento
digitalWrite(ledPin, ledState);
}
// Metodo di esecuzione ciclica
void loop() {
// Leggiamo lo stato dei pulsanti e applichiamo il debounce
int readingN = digitalRead(buttonNPin);
int readingR = digitalRead(buttonRPin);
// Verifichiamo se il pulsante N è premuto con il debounce
if (readingN != buttonNState) {
lastDebounceTimeN = millis();
}
if ((millis() - lastDebounceTimeN) > debounceDelay) {
if (readingN != LOW) {
// Il pulsante N è stato premuto
ledState = HIGH; // Accendiamo il LED
}
}
// Verifichiamo se il pulsante R è premuto con il debounce
if (readingR != buttonRState) {
lastDebounceTimeR = millis();
}
if ((millis() - lastDebounceTimeR) > debounceDelay) {
if (readingR != LOW) {
// Il pulsante R è stato premuto
ledState = LOW; // Spegniamo il LED
}
}
// Aggiorniamo lo stato del LED
digitalWrite(ledPin, ledState);
// Salviamo lo stato attuale dei pulsanti per il prossimo ciclo
buttonNState = readingN;
buttonRState = readingR;
1
voti
Scomodiamo arduino dove un bistabile a transistor può fare il lavoro ?
Tutto nel retro insieme alla lampada e porti solo i due fili (il meno è sul telaio, solitamente)

Tutto nel retro insieme alla lampada e porti solo i due fili (il meno è sul telaio, solitamente)

1
voti
0
voti
GRAZIE TANTISSSIMO
Scusami per la risposta ritardata ma ero in ferie e mi sono scordato della "faccenda"
Domai provo subito il tuo circuito
sei stato gentilissimo!!
Scusami per la risposta ritardata ma ero in ferie e mi sono scordato della "faccenda"
Domai provo subito il tuo circuito
sei stato gentilissimo!!
7 messaggi
• Pagina 1 di 1
Chi c’è in linea
Visitano il forum: Nessuno e 4 ospiti

Elettrotecnica e non solo (admin)
Un gatto tra gli elettroni (IsidoroKZ)
Esperienza e simulazioni (g.schgor)
Moleskine di un idraulico (RenzoDF)
Il Blog di ElectroYou (webmaster)
Idee microcontrollate (TardoFreak)
PICcoli grandi PICMicro (Paolino)
Il blog elettrico di carloc (carloc)
DirtEYblooog (dirtydeeds)
Di tutto... un po' (jordan20)
AK47 (lillo)
Esperienze elettroniche (marco438)
Telecomunicazioni musicali (clavicordo)
Automazione ed Elettronica (gustavo)
Direttive per la sicurezza (ErnestoCappelletti)
EYnfo dall'Alaska (mir)
Apriamo il quadro! (attilio)
H7-25 (asdf)
Passione Elettrica (massimob)
Elettroni a spasso (guidob)
Bloguerra (guerra)




