Salve a tutti ragazzi, apro questo post per chiedere un grosso aiuto, vorrei tentare di realizzare un semplice indicatore da installare sulla mia auto che mi indichi quando devo ricaricare la batteria in pratica, ma voglio proprio che sia visibile da fuori anche con macchina chiusa.
Siccome e' spesso ferma in garage per mantenere in buono stato la batteria e' necessario che ci faccia delle ricariche, e se ho un indicatore visibile da fuori vedo subito senza dover aprire il cofano e usare un tester quando devo attaccare il caricabatterie.
L' idea e' questa vorrei installare due led rossi e farli accendere che lampeggino solo quando il tensione della batteria scende sotto i 12,6 volt . Quando e' sopra al tensione indicato niente tutto deve stare spento.
Mi serve un circuito piu semplice possibile e che importante assorba meno corrente possibile.
Quindi diciamo due led rossi abbastanza luminosi che anche da fuori si vedano bene anche di giorno pensavo di inserirli dentro i due fanali anteriori questi due led devono accendersi e lampeggiare con una frequenza di lampeggio rapida solo quando la tensione della batteria scende sotto i 12,6 volt.
Quindi diciamo a 12,5 volt lampeggiano i led a 12,6 volt tutto spento.
Ovviamente il circuito deve sopportare range di tensione dai 10 volt ai 15 volt senza bruciarsi e con il minor assorbimento possibile.
Chi mi puo' dare una mano ?
Pensavo di utilizzare un diodo tipo zener o qualcosa del genere ma purtroppo non sono preparato e ho paura di sbagliare e fare danni..
Sarei veramente grato se qualche esperto di elettronica potesse darmi una mano.
Attendo cordiali risposte.
Grazie mille
Saluti
Led lampeggiante stato batteria AIUTO.
Moderatore:
Franco012
27 messaggi
• Pagina 1 di 3 • 1, 2, 3
0
voti
Se sei convinto poi mettiamo giù anche i led, che comunque non si tratta che di un comparatore e un NE555
Ma io ho fatto così:
1 pulsante NA (Opzionale)
1 Volmetro a pannello Link
1 Spina accendisigari Link
1 Scatola elettrica.
Infili nell'accendisigari (giri la chiave se sotto quadro) premi il pulsante e vedi la tensione della batteria. Tutto senza circuiti troppo complessi. Compatto a sufficenza da mettere nel bagagliaio
E con elettronica al minimo che ne riduce gli errori.
Tieni conto che i led (lentamente) scaricano la batteria, il volmetro no

Ma io ho fatto così:
1 pulsante NA (Opzionale)
1 Volmetro a pannello Link
1 Spina accendisigari Link
1 Scatola elettrica.
Infili nell'accendisigari (giri la chiave se sotto quadro) premi il pulsante e vedi la tensione della batteria. Tutto senza circuiti troppo complessi. Compatto a sufficenza da mettere nel bagagliaio
E con elettronica al minimo che ne riduce gli errori.
Tieni conto che i led (lentamente) scaricano la batteria, il volmetro no

0
voti
Misurare una batteria senza assorbimento di corrente non è mai la cosa giusta...
potresti usare dei semplici volmetri anche analogici (bisognerebbe verificare se si vedono nella posizione che intendi tu) oppure un modulino tipo:
<https://it.aliexpress.com/item/1005005377867884.html>
se ti servono più led per un valore (vendono anche led lampeggianti) , puoi metterli in serie modificando la resistenza (quella che vedi prima del led), da verificare non ho visto il circuito.
poi di circuiti sul web ne trovi a iosa.
potresti usare dei semplici volmetri anche analogici (bisognerebbe verificare se si vedono nella posizione che intendi tu) oppure un modulino tipo:
<https://it.aliexpress.com/item/1005005377867884.html>
se ti servono più led per un valore (vendono anche led lampeggianti) , puoi metterli in serie modificando la resistenza (quella che vedi prima del led), da verificare non ho visto il circuito.
poi di circuiti sul web ne trovi a iosa.
0
voti
ThEnGi ha scritto:Se sei convinto poi mettiamo giù anche i led, che comunque non si tratta che di un comparatore e un NE555
Ma io ho fatto così:
1 pulsante NA (Opzionale)
1 Volmetro a pannello Link
1 Spina accendisigari Link
1 Scatola elettrica.
Infili nell'accendisigari (giri la chiave se sotto quadro) premi il pulsante e vedi la tensione della batteria. Tutto senza circuiti troppo complessi. Compatto a sufficenza da mettere nel bagagliaio![]()
E con elettronica al minimo che ne riduce gli errori.
Tieni conto che i led (lentamente) scaricano la batteria, il volmetro no
Hey ciao ti ringrazio molto della risposta, diciamo che in abitacolo ho gia' il voltmetro installato solo che devo comunque prendere le chiavi aprire l' auto per vedere il valore. Il mio obiettivo sarebbe proprio che entro in garage e se vedo due lucette rosse lampeggiare dai fanali attacco il caricabatterie. Non devo aprire l' auto ed entrare per controllare. Considera che entro in garage ogni giorno quindi mi accorgo subito se i led lampeggiano .
L' idea sarebbe di utilizzare due diodi led alta luminosita' rossi magari da scegliere quelli che consumano meno.
Ovviamente il consumo scatta da quando i led si accendono e lampeggiano. Quando sono spenti avremo solo un minimo di assorbimento del componente NE555 presumo ? Mi interessa che l' assorbimento sia basso quando sono spenti i led perche' quando si accendono e lampeggiano lo stesso giorno ci attacco il caricabatterie.
Magari fammi sapere cosa mi consigli per i vari componenti saresti veramente molto gentile.
Grazie
0
voti
Sammuele ha scritto:Misurare una batteria senza assorbimento di corrente non è mai la cosa giusta...
potresti usare dei semplici volmetri anche analogici (bisognerebbe verificare se si vedono nella posizione che intendi tu) oppure un modulino tipo:
<https://it.aliexpress.com/item/1005005377867884.html>
se ti servono più led per un valore (vendono anche led lampeggianti) , puoi metterli in serie modificando la resistenza (quella che vedi prima del led), da verificare non ho visto il circuito.
poi di circuiti sul web ne trovi a iosa.
Ciao, avevo visto anche io quel modulino in vendita e' che a me basta qualcosa di piu semplice non mi servono tutti quei segnali, non mi serve il led verde acceso, poi ho provato a verificare ma il venditore che ho sentito io non sapeva dire i range di tensione precisi inoltre non sapeva nemmeno fornire il dato sull' assorbimento quando collegato.
Se potessi costruirmelo io piu semplificato con solo 2 led rossi che lampeggiano sotto i 12,6 volt e che magari assorba meno possibile sarebbe ottimo.
Il voltmetro analogico sarebbe ottimo solo che fai fatica ad installarlo esternamente all' auto lo potrei mettere vicino alla batteria ma comunque bisogna aprire il cofano... dovrei pensarci un po' ...
0
voti
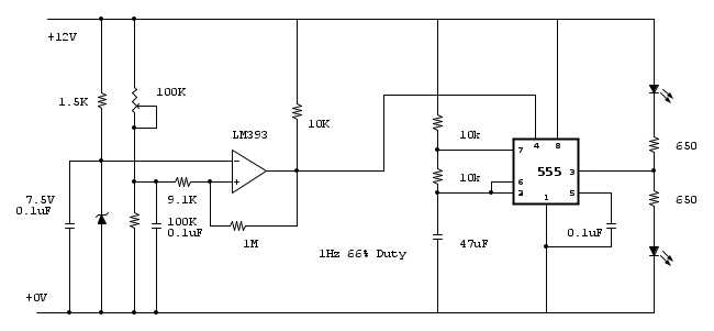
Un primo esempio potrebbe essere questo:
Per orientarsi sulla difficoltà
Lo zener e relativa resistenza è un problema, il consumo è elevato
Non fidarti dei miei calcoli, sicuramente ho sbagliato qualcosa !
Invece di usare il pin reset si potrebbe gestire tutta l'alimentazione lato NE tramite transistor pilotato dal comparatore
Per ridurre ulteriormente i consumi si potrebbe pensare di impiegare un microprocessore
Nota: Non citare l'intermo messaggio, grazie !

Per orientarsi sulla difficoltà
Lo zener e relativa resistenza è un problema, il consumo è elevato
Non fidarti dei miei calcoli, sicuramente ho sbagliato qualcosa !
Invece di usare il pin reset si potrebbe gestire tutta l'alimentazione lato NE tramite transistor pilotato dal comparatore
Per ridurre ulteriormente i consumi si potrebbe pensare di impiegare un microprocessore
Nota: Non citare l'intermo messaggio, grazie !

0
voti
samu_83 ha scritto:Se potessi costruirmelo io piu semplificato con solo 2 led rossi che lampeggiano sotto i 12,6 volt e che magari assorba meno possibile sarebbe ottimo.
...
ma usa un circuito del genere :
<http://electronic.altervista.org/circuiti/battery.php>
togli la parte con r3 r4 r8 e il led verde (segnala batteria carica sopra i 12v).
Potresti sostituire il led con quello lampeggiante (Se proprio lo vuoi che lampeggi ), altrimenti cambiando r7 ne puoi mettere 2 in serie (lampeggianti no, potrebebro accendersi in momenti diversi ). Aggiungendo un trimmer in serie a r5 è possibile tarare la tensione
0
voti
ThEnGi ha scritto:Un primo esempio potrebbe
Ciao se dici che con un processore l' assorbimento e' inferiore sarebbe ottimo, mi sapresti indicare i componenti ? Non saprei da dove cominciare se dovessi cercarli da solo.
Grazie mille
2
voti
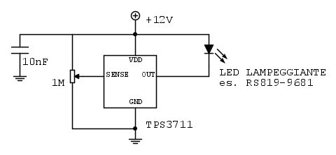
Una soluzione minimale :
dovrebbe assorbire a led spento pochi microampere.
saluti
dovrebbe assorbire a led spento pochi microampere.
saluti
27 messaggi
• Pagina 1 di 3 • 1, 2, 3
Torna a Autovetture, motori endotermici ed elettronica relativa
Chi c’è in linea
Visitano il forum: Nessuno e 18 ospiti

Elettrotecnica e non solo (admin)
Un gatto tra gli elettroni (IsidoroKZ)
Esperienza e simulazioni (g.schgor)
Moleskine di un idraulico (RenzoDF)
Il Blog di ElectroYou (webmaster)
Idee microcontrollate (TardoFreak)
PICcoli grandi PICMicro (Paolino)
Il blog elettrico di carloc (carloc)
DirtEYblooog (dirtydeeds)
Di tutto... un po' (jordan20)
AK47 (lillo)
Esperienze elettroniche (marco438)
Telecomunicazioni musicali (clavicordo)
Automazione ed Elettronica (gustavo)
Direttive per la sicurezza (ErnestoCappelletti)
EYnfo dall'Alaska (mir)
Apriamo il quadro! (attilio)
H7-25 (asdf)
Passione Elettrica (massimob)
Elettroni a spasso (guidob)
Bloguerra (guerra)








