Buongiorno, se ho un circuito come quello riportato in figura
esiste una tecnica veloce per capire quale reazione prevale, cioè se prevale quella negativa o positiva?Nel caso in cui la rete di reazione fosse anche reattiva si potrebbe ,eventualmente, applicare la stessa metodologia?
Grazie a quanti collaboreranno.
Operazionale con feedback negativa e positiva
Moderatori:
carloc,
g.schgor,
BrunoValente,
IsidoroKZ
16 messaggi
• Pagina 1 di 2 • 1, 2
2
voti
Quel circuito è la versione semplificata di un NIC (Negative Impedance Converter). Il circuito non è completo così come disegnato in quanto la sua stabilità dipende dall'impedenza di sorgente. Aggiunta l'impedenza di sorgente, se tutte le impedenze sono resistive direi basti vedere quale dei due fattori beta è più grande per capire se il circuito è stabile. Altrimenti farei lo studio del guadagno d'anello e verifica del margine di fase.
mark
0
voti
Prova ad esaminare il seguente generico circuito:
supponendo di essere ancora in zona di linearità, quindi l'operazionale ancora non ha saturato e possiamo supporre V+ circa uguale V-, troverai che:

Il tuo caso si ottiene mettendo R1=0 ed R4=R3 e quindi vedi che l'amplificazione a ciclo chiuso vale Acl=2, ed infatti hai Vout=2Vin.
Se consideri R1 come la resistenza interna del generatore sorgente Vin, hai la formula scritta sopra e ti accorgi che c'è un problema quando

infatti ottieni amplificazione a ciclo chiuso infinita, quindi una minima perturbazione dell'ingresso ti porta in saturazione dall'una o dall'altra parte.
supponendo di essere ancora in zona di linearità, quindi l'operazionale ancora non ha saturato e possiamo supporre V+ circa uguale V-, troverai che:

Il tuo caso si ottiene mettendo R1=0 ed R4=R3 e quindi vedi che l'amplificazione a ciclo chiuso vale Acl=2, ed infatti hai Vout=2Vin.
Se consideri R1 come la resistenza interna del generatore sorgente Vin, hai la formula scritta sopra e ti accorgi che c'è un problema quando

infatti ottieni amplificazione a ciclo chiuso infinita, quindi una minima perturbazione dell'ingresso ti porta in saturazione dall'una o dall'altra parte.
0
voti
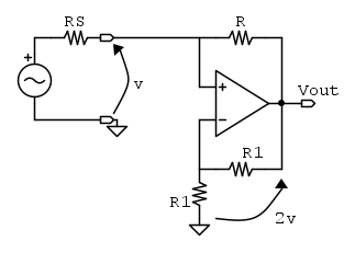
No, l'uscita dice "2v" quando l'ingresso è "v", il che significa che l'ingresso ha impedenza nulla e pertanto la reazione positiva è zero. Il circuito è quindi stabile.
Il circuito è un amplificatore invertente.
Si potrebbe però approfondire il discorso sulla corrente di ingresso, chiamata "i" nel circuito.
EDIT: ho dimenticato un “non”
Il circuito è un amplificatore non invertente.
grazie
IsidoroKZ!
Il circuito è un amplificatore invertente.
Si potrebbe però approfondire il discorso sulla corrente di ingresso, chiamata "i" nel circuito.
EDIT: ho dimenticato un “non”
Il circuito è un amplificatore non invertente.
grazie
-

PietroBaima
90,7k 7 12 13 - G.Master EY

- Messaggi: 12206
- Iscritto il: 12 ago 2012, 1:20
- Località: Londra
0
voti
GioArca67 ha scritto:Il tuo caso si ottiene mettendo R1=0 ed R4=R3 e quindi vedi che l'amplificazione a ciclo chiuso vale Acl=2, ed infatti hai Vout=2Vin.
Perché non va bene scritta così??
0
voti
0
voti
Quindi un metodo potrebbe essere quello di supporre il circuito reazionato negativamente e poi controllare se l'uscita risulta conforme all'ipotesi iniziale?
-

Roswell1947
89 1 3 8 - Stabilizzato

- Messaggi: 438
- Iscritto il: 10 feb 2020, 16:39
1
voti
Ai morsetti del bipolo del primo post si può collegare una sorgente indicata con l'equivalente Thévenin (usare il Norton non cambia nulla).
La relazione per cui l'uscita è
vale solo se il circuito è stabile, cioè se la porzione del segnale di uscita riportata all'ingresso non invertente è minore di quella riportata all'ingresso invertente. In formule

Per elfo: anche la formula della resistenza di ingresso è valida solo se il circuito è stabile, cioè per sorgenti a bassa impedenza XD. Questa variante si chiama Short-Circuit Stable (SCS), c'è anche la duale che è stabile per sorgenti ad alta impedenza (OCS).
Per rispondere a Roswell1947: quando hai postato il circuito avevi in mente qualche considerazione sull'impedenza di sorgente? Che cosa ci attacchi ai due morsetti?
La relazione per cui l'uscita è
vale solo se il circuito è stabile, cioè se la porzione del segnale di uscita riportata all'ingresso non invertente è minore di quella riportata all'ingresso invertente. In formule
Per elfo: anche la formula della resistenza di ingresso è valida solo se il circuito è stabile, cioè per sorgenti a bassa impedenza XD. Questa variante si chiama Short-Circuit Stable (SCS), c'è anche la duale che è stabile per sorgenti ad alta impedenza (OCS).
Per rispondere a Roswell1947: quando hai postato il circuito avevi in mente qualche considerazione sull'impedenza di sorgente? Che cosa ci attacchi ai due morsetti?
mark
0
voti
GioArca67 ha scritto:Perché non va bene scritta così??
Va troppo bene, così è incomprensibile all'OP, temo.
-

PietroBaima
90,7k 7 12 13 - G.Master EY

- Messaggi: 12206
- Iscritto il: 12 ago 2012, 1:20
- Località: Londra
0
voti
MarkyMark ha scritto:
Per rispondere a Roswell1947: quando hai postato il circuito avevi in mente qualche considerazione sull'impedenza di sorgente? Che cosa ci attacchi ai due morsetti?
Ho trovato questo esercizio ma non diceva nulla sulla resistenza di sorgente.
Comunque ,volevo sapere se un metodo veloce per controllare il tipo di reazione prevalente è quello di fare l'assunzione di reazione negativa e poi controllare che l'uscita sia conforme all'assunzione fatta
-

Roswell1947
89 1 3 8 - Stabilizzato

- Messaggi: 438
- Iscritto il: 10 feb 2020, 16:39
16 messaggi
• Pagina 1 di 2 • 1, 2
Chi c’è in linea
Visitano il forum: Nessuno e 85 ospiti

Elettrotecnica e non solo (admin)
Un gatto tra gli elettroni (IsidoroKZ)
Esperienza e simulazioni (g.schgor)
Moleskine di un idraulico (RenzoDF)
Il Blog di ElectroYou (webmaster)
Idee microcontrollate (TardoFreak)
PICcoli grandi PICMicro (Paolino)
Il blog elettrico di carloc (carloc)
DirtEYblooog (dirtydeeds)
Di tutto... un po' (jordan20)
AK47 (lillo)
Esperienze elettroniche (marco438)
Telecomunicazioni musicali (clavicordo)
Automazione ed Elettronica (gustavo)
Direttive per la sicurezza (ErnestoCappelletti)
EYnfo dall'Alaska (mir)
Apriamo il quadro! (attilio)
H7-25 (asdf)
Passione Elettrica (massimob)
Elettroni a spasso (guidob)
Bloguerra (guerra)



pigreco]=π

