Cos'è ElectroYou | Login Iscriviti

ElectroYou - la comunità dei professionisti del mondo elettrico

Diminuire la velocità di un motore asincrono monofase

Elettronica lineare e digitale: didattica ed applicazioni

Moderatori: Foto Utentecarloc, Foto Utenteg.schgor, Foto UtenteBrunoValente, Foto UtenteIsidoroKZ

0
voti

[31] Re: Diminuire la velocità di un motore asincrono monofase

Messaggioda Foto UtenteOpi57 » 22 set 2023, 11:06

Opi57 ha scritto:Io una prova con un variac la farei. Io lo sto usando con un motore asincrono di una ventola per i fumi di una caldaia (riutilizzato per il caminetto) e funziona perfettamente, stando acceso a bassa velocità anche molte ore. Si tratta però di un motore senza condensatore ma con la spira in corto


Intendevo variac a triac da pochi euro
Avatar utente
Foto UtenteOpi57
0 3
 
Messaggi: 18
Iscritto il: 1 lug 2023, 12:32

0
voti

[32] Re: Diminuire la velocità di un motore asincrono monofase

Messaggioda Foto Utenteallbera » 25 set 2023, 17:03

Opi57 ha scritto:Intendevo variac a triac da pochi euro


Ciao intendi qualcosa del genere? https://www.amazon.it/BOJACK-Regolatore-Tensione-Elettronico-Termostato/dp/B0B6PJJHQZ/ref=sr_1_4_sspa?adgrpid=56280325327&hvadid=591582410049&hvdev=c&hvlocphy=20591&hvnetw=g&hvqmt=e&hvrand=2381517661819688956&hvtargid=kwd-300372410389&hydadcr=4933_2166891&keywords=variac&qid=1695652549&sr=8-4-spons&sp_csd=d2lkZ2V0TmFtZT1zcF9hdGY&psc=1

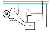
Però ne andrebbero 2 avendo la marcia e la retromarcia? e Avendo anche un fibaro per fare il comando a distanza non saprei come collegarlo

ora è collegato così Immagine
Avatar utente
Foto Utenteallbera
0 1
 
Messaggi: 12
Iscritto il: 10 mar 2023, 12:45

0
voti

[33] Re: Diminuire la velocità di un motore asincrono monofase

Messaggioda Foto UtenteBrunoValente » 25 set 2023, 20:03

Cosa c'è nello scatolotto "FIBARO"?
Se non è complicato ti consiglio di aprirlo e di postare qualche foto.
Avatar utente
Foto UtenteBrunoValente
39,6k 7 11 13
G.Master EY
G.Master EY
 
Messaggi: 7796
Iscritto il: 8 mag 2007, 14:48

0
voti

[34] Re: Diminuire la velocità di un motore asincrono monofase

Messaggioda Foto Utenteallbera » 26 set 2023, 9:27

dentro purtroppo non riesco ad aprirlo ma questa è la scheda tecnica
https://manuals.fibaro.com/roller-shutter-3/
Avatar utente
Foto Utenteallbera
0 1
 
Messaggi: 12
Iscritto il: 10 mar 2023, 12:45

0
voti

[35] Re: Diminuire la velocità di un motore asincrono monofase

Messaggioda Foto UtenteBrunoValente » 26 set 2023, 18:03

Se vuoi provare a mettere un condensatore in serie devi interrompere il conduttore centrale del motore, quello che nel tuo disegno si collega al conduttore azzurro.

Immagine.png
Avatar utente
Foto UtenteBrunoValente
39,6k 7 11 13
G.Master EY
G.Master EY
 
Messaggi: 7796
Iscritto il: 8 mag 2007, 14:48

0
voti

[36] Re: Diminuire la velocità di un motore asincrono monofase

Messaggioda Foto UtenteKagliostro » 26 set 2023, 22:12

Dove c'è la crocetta, invece di lasciare il circuito aperto, mettici un interruttore, ti potrai rendere conto in modo facile della variazione dovuta all' inserimento del condensatore

K
Avatar utente
Foto UtenteKagliostro
6.396 4 5 7
Master
Master
 
Messaggi: 4830
Iscritto il: 19 set 2012, 11:32

0
voti

[37] Re: Diminuire la velocità di un motore asincrono monofase

Messaggioda Foto Utenteallbera » 27 set 2023, 12:30

Grazie mille

Foto UtenteKagliostro ottima idea :ok:

Appena recupero il condensatore corretto vi faccio sapere :D grazie ancora per la disponibilità
Avatar utente
Foto Utenteallbera
0 1
 
Messaggi: 12
Iscritto il: 10 mar 2023, 12:45


0
voti

[39] Re: Diminuire la velocità di un motore asincrono monofase

Messaggioda Foto UtenteBrunoValente » 28 set 2023, 20:07

Avatar utente
Foto UtenteBrunoValente
39,6k 7 11 13
G.Master EY
G.Master EY
 
Messaggi: 7796
Iscritto il: 8 mag 2007, 14:48

0
voti

[40] Re: Diminuire la velocità di un motore asincrono monofase

Messaggioda Foto Utenteallbera » 6 ott 2023, 9:45

Ciao sono riuscito a collegare il condensatore facendo così

Immagine

purtroppo però così facendo non mi fa partire il controllore fibaro ma non saprei esattamente come collegarlo differentemente :(
Avatar utente
Foto Utenteallbera
0 1
 
Messaggi: 12
Iscritto il: 10 mar 2023, 12:45

PrecedenteProssimo

Torna a Elettronica generale

Chi c’è in linea

Visitano il forum: Nessuno e 126 ospiti