Salve a tutti. Sto costruendo un pedale delay per chitarra elettrica (Modello Deep Blue della Mad Professor).
Mi sono attenuto ad un primo schema, però ho un problema sia sulla quantità di ripetizioni che resta sempre bassa (nel senso che le ripetizioni della nota suonata sono sempre due nonostante ruoti il potenziometro al massimo), e il volume delle ripetizioni nonostante alzi il potenziometro al massimo risulta sempre molto basso (appena lo abbasso, partendo quindi dal valore massimo, le ripetizioni scompaiono).
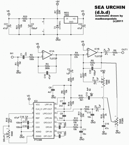
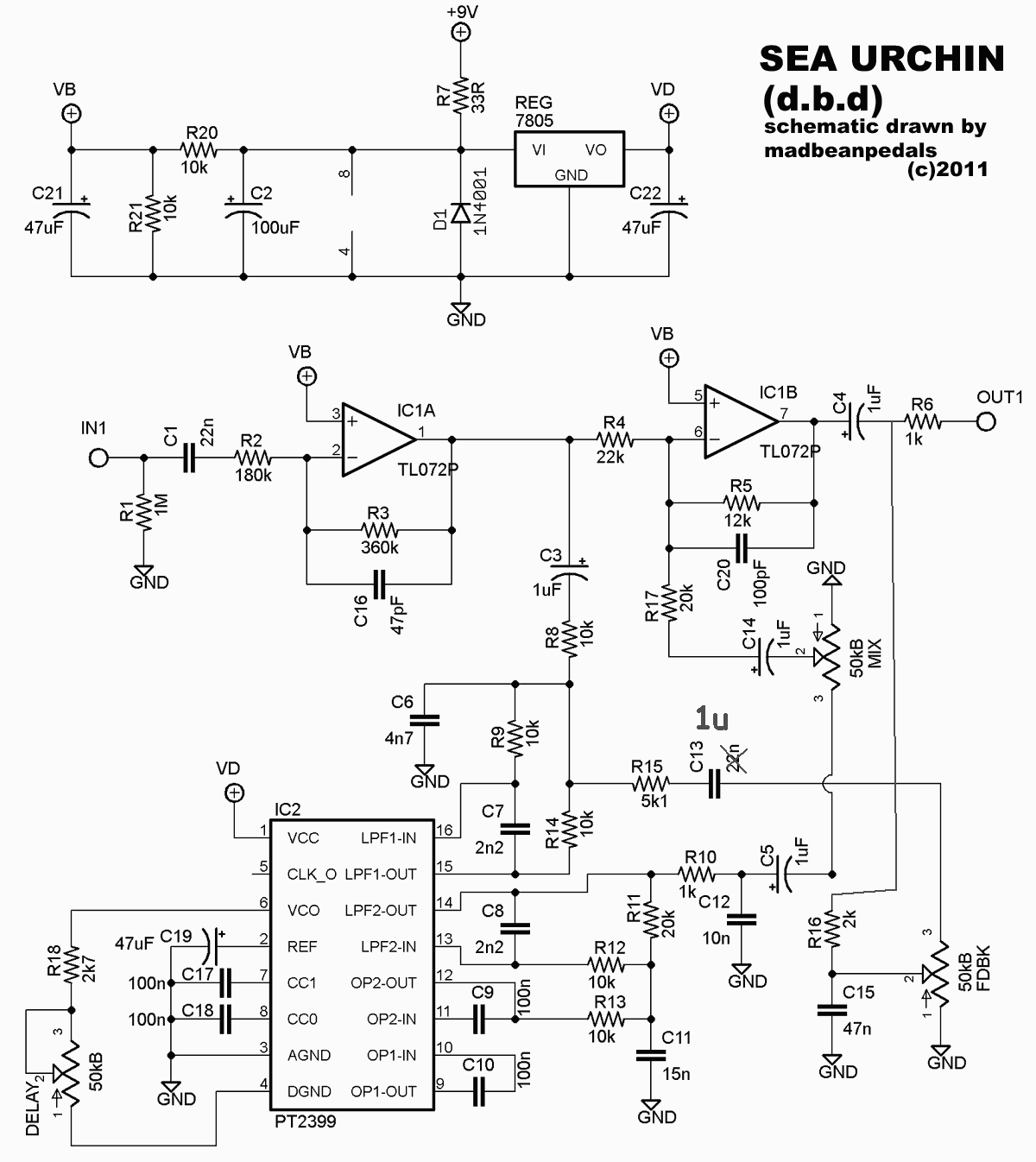
Ho notato consultando altri schemi tipo questo: https://revolutiondeux.blogspot.com/2012/01/mad-professor-deep-blue-delay.html che all’uscita del pin 6 dell’integrato TL072 è collegata in serie dapprima una resistenza da 20k che va al + di un condensatore polarizzato, e il polo negativo di questo va al pin centrale del potenziometro del Volume (detto anche Level, o Mix).
Mentre lo schema iniziale che sto utilizzando io, ossia questo: https://image.easyeda.com/histories/e96b7894516140e1a03cca6a5e88f929.png prevede all’uscita del pin 6 del TL702 dapprima un condensatore non polarizzato, nello specifico si dice di utilizzare un WIMA MKP10 (specifico per applicazioni audio) e all’altro polo di questo si va alla resistenza da 20k che in serie è collegata al centrale del Volume.
Potrebbe essere questo forse il problema a tutto? E’ l’unica cosa che mi fa sorgere il dubbio anche perché, ho controllato uno ad uno i componenti e tra valori e capacità, è tutto ok. Tengo a precisare solo che io condensatori WIMA MKP10 non ne ho a disposizione quindi nel caso ho utilizzato un semplice a film di poliestere da 1uF.
Grazie per eventuali risposte.
Problema pedale delay chitarra
Moderatori:
carloc,
g.schgor,
BrunoValente,
IsidoroKZ
12 messaggi
• Pagina 1 di 2 • 1, 2
0
voti
0
voti
I due componenti sono in serie, è indifferente se ci sia prima il condensatore o prima la resistenza.
La differenza che vedo nei due schemi è nel collegamento dell'altra resistenza da 20 kΩ: nello schema "Mad Professor" la resistenza da 1kΩ è collegata sul polo connesso al pin 14 del'integrato, mentre sullo schema "EasyEda" è collegata all'altro polo (quello connesso al condensatore da 15nF). Un errore in questo punto potrebbe causare il malfunzionamento da te descritto.
Hai fatto benissimo: è del tutto inutile usare un condensatore con ESR estremamente bassa se tanto c'è una resistenza da 20kΩ in serie, un elettrolitico avrebbe avuto caratteristiche peggiori, soprattutto nel lungo termine e non credo che esistano neanche più così piccoli; un ceramico avrebbe potuto avere effetti microfonici, probabilmente non udibili in questa applicazione ma meglio non rischiare: poliestere perfetto
La differenza che vedo nei due schemi è nel collegamento dell'altra resistenza da 20 kΩ: nello schema "Mad Professor" la resistenza da 1kΩ è collegata sul polo connesso al pin 14 del'integrato, mentre sullo schema "EasyEda" è collegata all'altro polo (quello connesso al condensatore da 15nF). Un errore in questo punto potrebbe causare il malfunzionamento da te descritto.
antodima ha scritto: io condensatori WIMA MKP10 non ne ho a disposizione quindi nel caso ho utilizzato un semplice a film di poliestere da 1uF
Hai fatto benissimo: è del tutto inutile usare un condensatore con ESR estremamente bassa se tanto c'è una resistenza da 20kΩ in serie, un elettrolitico avrebbe avuto caratteristiche peggiori, soprattutto nel lungo termine e non credo che esistano neanche più così piccoli; un ceramico avrebbe potuto avere effetti microfonici, probabilmente non udibili in questa applicazione ma meglio non rischiare: poliestere perfetto
-

SediciAmpere
4.187 5 5 8 - Master

- Messaggi: 4846
- Iscritto il: 31 ott 2013, 15:00
1
voti
Il problema - come lo poni - e' di difficile soluzione a distanza.
L'unica cosa che posso ipotizzare e' che la parte di circuito "critica" sia il pt2399.
Qui trovi - ma sicuramente lo conosci gia' - una analisi molto dettagliata del funzionamento del circuito integrato.
https://www.electrosmash.com/pt2399-analysis
L'unica cosa che posso ipotizzare e' che la parte di circuito "critica" sia il pt2399.
Qui trovi - ma sicuramente lo conosci gia' - una analisi molto dettagliata del funzionamento del circuito integrato.
https://www.electrosmash.com/pt2399-analysis
0
voti
Così su due piedi mi sembra che la resistenza R14 dovrebbe essere collegata direttamente al pin 14 invece che passare per la resistenza da 20k, altrimenti l’opamp non che fa da filtro non riesce a pilotare direttamente l’uscita con impedenza bassa (e reimmettere il segnale di uscita nella rete di feedback in ingresso).
Forse questo è sufficiente, ma occorrerebbe studiare nel dettaglio tutto il circuito e prendere qualche misura per capire dove sbattere la testa.
Forse questo è sufficiente, ma occorrerebbe studiare nel dettaglio tutto il circuito e prendere qualche misura per capire dove sbattere la testa.
0
voti
Grazie a tutti per le risposte esaustive. Per quanto concerne la situazione della 1k R14 è vero, dovrebbe andare diretta al pin 14. Magari se provo a togliere la 20k R13 e ponticellare i fori dove essa è attualmente alloggiata e successivamente questa saldarla "volante" collegata all'uscita della 1k R14 e saldando l'altro polo della 20k R13 a quello del C13 da 15nF?
0
voti
Hai pensato di usare i BBD ?
Molti anni fa, mi divertivo con i pedali e gli effetti per strumenti (tutto rigorosamente analogico, i DSP ancora non c'erano), ed avevo realizzato un "coso assurdo" con tre MN3011, che potevano essere combinati in diverse configurazioni (sia indipendenti, ognuno col suo MN3101 come clock, sia in cascata con i clock in comune) ... ci potevi tirare fuori quasi ogni tipo di ritardo, sia semplice che in combinazioni con tempi differenti.
A volte, ne uscivano perfino delle note
Molti anni fa, mi divertivo con i pedali e gli effetti per strumenti (tutto rigorosamente analogico, i DSP ancora non c'erano), ed avevo realizzato un "coso assurdo" con tre MN3011, che potevano essere combinati in diverse configurazioni (sia indipendenti, ognuno col suo MN3101 come clock, sia in cascata con i clock in comune) ... ci potevi tirare fuori quasi ogni tipo di ritardo, sia semplice che in combinazioni con tempi differenti.
A volte, ne uscivano perfino delle note
"Sopravvivere" e' attualmente l'unico lusso che la maggior parte dei Cittadini italiani,
sia pure a costo di enormi sacrifici, riesce ancora a permettersi.
sia pure a costo di enormi sacrifici, riesce ancora a permettersi.
-

Etemenanki
9.507 3 6 10 - Master

- Messaggi: 5935
- Iscritto il: 2 apr 2021, 23:42
- Località: Dalle parti di un grande lago ... :)
0
voti
0
voti
Purtroppo nulla da fare. Ancora troppo poche le ripetizioni e volume di queste basso. Ho provato a modificare così come detto per la resistenza da 20k ma nulla. Giusto per farvi capire l'effetto come si comporta, vi posto un veloce video. Qua il video: https://youtu.be/4trE6xBGlmg . Considerate che i pot di Ripetizioni e volume delle ripetizioni sono al massimo.
Potrebbe essere magari l'integrato TL072? perché continuano ad essere sia il volume e che la quantità di ripetizioni molto bassi, quando poi i pot sono al massimo e se abbasso fino a metà quello del volume non succede nulla, se lo abbasso meno della metà mi fa zero ripetizioni, mentre per le ripetizioni se abbasso si abbassa di un nulla la quantità di ripetizioni che sono già scarse come detto finora. Invece il pot che regola il delay ossia se la ripetizione deve essere più breve o più lunga, funziona bene.
Potrebbe essere magari l'integrato TL072? perché continuano ad essere sia il volume e che la quantità di ripetizioni molto bassi, quando poi i pot sono al massimo e se abbasso fino a metà quello del volume non succede nulla, se lo abbasso meno della metà mi fa zero ripetizioni, mentre per le ripetizioni se abbasso si abbassa di un nulla la quantità di ripetizioni che sono già scarse come detto finora. Invece il pot che regola il delay ossia se la ripetizione deve essere più breve o più lunga, funziona bene.
0
voti
Ovviamente potrei sbagliarmi, ma secondo me' con quel tipo di schema non ci tirerai mai fuori piu di una ripetizione, a meno che non lo nodifichi, perche' come "eco", e' concettualmente sbagliato.
Voglio dire, se lo analizzi (parlo del "blue orchin", ma il concetto e' identico per il secondo), ti rendi conto che manca una parte indispensabile del percorso del segnale se si vuole realizzare un'eco con piu di una ripetizione, e cioe' la parte che prende il segnale dall'uscita e lo riporta, attenuato, di nuovo all'ingresso del chip di delay, per rendere possibile piu di una ripetizione "a scalare" (o per essere piu precisi, c'e' "una specie" di controreazione, che pero' sembra essere totalmente insufficente, quella che in teoria dovrebbe essere fatta dal gruppo R16-C15-potenziometro FDBK-C13-R15, che dovrebbe prendere una parte del segnale in uscita dal chip e rimandarla all'ingresso dello stesso, ma che evidentemente non ci riesce per piu di una singola ripetizione, forse perche' attenua troppo) ... cosi com'e' il tuo segnale di uscita ha solo l'originale all'ingresso, piu quello in uscita dal chip, ritardato, e basta, perche' evidentemente il "feedback" cosi come e' messo non riesce a fornire al chip un livello sufficente di segnale per ulteriori ripetizioni.
Se il circuito lo hai realizzato tu, e quindi puoi fare delle modifiche, cosi per fare degli esperimenti, scollegando il terminale di R16 che e' connesso al negativo di C5 e collegandolo all'uscita, fra C4 ed R6, e sostituire C13 con uno da 1u, cosi:
Potrebbe essere insufficente e richiedere di aggiungere anche un'operazionale, ma almeno questa e' una modifica semplice e veloce da fare, giusto per vedere se cosi si riesce ad ottenere un numero maggiore di ripetizioni.
Io continuo a preferire i vecchi BBD, comunque
EDIT: oppure in questo modo:
Voglio dire, se lo analizzi (parlo del "blue orchin", ma il concetto e' identico per il secondo), ti rendi conto che manca una parte indispensabile del percorso del segnale se si vuole realizzare un'eco con piu di una ripetizione, e cioe' la parte che prende il segnale dall'uscita e lo riporta, attenuato, di nuovo all'ingresso del chip di delay, per rendere possibile piu di una ripetizione "a scalare" (o per essere piu precisi, c'e' "una specie" di controreazione, che pero' sembra essere totalmente insufficente, quella che in teoria dovrebbe essere fatta dal gruppo R16-C15-potenziometro FDBK-C13-R15, che dovrebbe prendere una parte del segnale in uscita dal chip e rimandarla all'ingresso dello stesso, ma che evidentemente non ci riesce per piu di una singola ripetizione, forse perche' attenua troppo) ... cosi com'e' il tuo segnale di uscita ha solo l'originale all'ingresso, piu quello in uscita dal chip, ritardato, e basta, perche' evidentemente il "feedback" cosi come e' messo non riesce a fornire al chip un livello sufficente di segnale per ulteriori ripetizioni.
Se il circuito lo hai realizzato tu, e quindi puoi fare delle modifiche, cosi per fare degli esperimenti, scollegando il terminale di R16 che e' connesso al negativo di C5 e collegandolo all'uscita, fra C4 ed R6, e sostituire C13 con uno da 1u, cosi:
Potrebbe essere insufficente e richiedere di aggiungere anche un'operazionale, ma almeno questa e' una modifica semplice e veloce da fare, giusto per vedere se cosi si riesce ad ottenere un numero maggiore di ripetizioni.
Io continuo a preferire i vecchi BBD, comunque
EDIT: oppure in questo modo:
"Sopravvivere" e' attualmente l'unico lusso che la maggior parte dei Cittadini italiani,
sia pure a costo di enormi sacrifici, riesce ancora a permettersi.
sia pure a costo di enormi sacrifici, riesce ancora a permettersi.
-

Etemenanki
9.507 3 6 10 - Master

- Messaggi: 5935
- Iscritto il: 2 apr 2021, 23:42
- Località: Dalle parti di un grande lago ... :)
1
voti
RISOLTO!
Devo ringraziare
gill90
Il problema era proprio la resistenza da 20k in serie alla 1k che andava poi nel pin LPF2-OUT (pin 14 del PT2399). Facendo un po' di modifiche sulla PCB (un po' na schifezza devo dire in quanto sono andato a finire con il saldatore anche sui condensatori e li ho bruciacchiati...penso che rifarò da capo). Quindi il polo della 20k che sullo schema errato andava sul pin 14 del PT, l'ho saldato direttamente ai due 10k collegati uno al 13, e l'altro al 12 del PT, e la resistenza da 1k l'ho mandata direttamente al pin 14.
Tutto perfettamente funzionante! Grazie a tutti coloro che hanno contribuito!
PS. Un giorno mi cimenterò anche sui BBD
Etemenanki grazie anche a te!
Devo ringraziare
gill90 ha scritto:Così su due piedi mi sembra che la resistenza R14 dovrebbe essere collegata direttamente al pin 14 invece che passare per la resistenza da 20k, altrimenti l’opamp non che fa da filtro non riesce a pilotare direttamente l’uscita con impedenza bassa (e reimmettere il segnale di uscita nella rete di feedback in ingresso).
Il problema era proprio la resistenza da 20k in serie alla 1k che andava poi nel pin LPF2-OUT (pin 14 del PT2399). Facendo un po' di modifiche sulla PCB (un po' na schifezza devo dire in quanto sono andato a finire con il saldatore anche sui condensatori e li ho bruciacchiati...penso che rifarò da capo). Quindi il polo della 20k che sullo schema errato andava sul pin 14 del PT, l'ho saldato direttamente ai due 10k collegati uno al 13, e l'altro al 12 del PT, e la resistenza da 1k l'ho mandata direttamente al pin 14.
Tutto perfettamente funzionante! Grazie a tutti coloro che hanno contribuito!
PS. Un giorno mi cimenterò anche sui BBD
12 messaggi
• Pagina 1 di 2 • 1, 2
Chi c’è in linea
Visitano il forum: Nessuno e 33 ospiti

Elettrotecnica e non solo (admin)
Un gatto tra gli elettroni (IsidoroKZ)
Esperienza e simulazioni (g.schgor)
Moleskine di un idraulico (RenzoDF)
Il Blog di ElectroYou (webmaster)
Idee microcontrollate (TardoFreak)
PICcoli grandi PICMicro (Paolino)
Il blog elettrico di carloc (carloc)
DirtEYblooog (dirtydeeds)
Di tutto... un po' (jordan20)
AK47 (lillo)
Esperienze elettroniche (marco438)
Telecomunicazioni musicali (clavicordo)
Automazione ed Elettronica (gustavo)
Direttive per la sicurezza (ErnestoCappelletti)
EYnfo dall'Alaska (mir)
Apriamo il quadro! (attilio)
H7-25 (asdf)
Passione Elettrica (massimob)
Elettroni a spasso (guidob)
Bloguerra (guerra)




