Cos'è ElectroYou | Login Iscriviti

ElectroYou - la comunità dei professionisti del mondo elettrico

Zero crossing detector con fotoaccoppiatore

Elettronica lineare e digitale: didattica ed applicazioni

Moderatori: Foto Utentecarloc, Foto Utenteg.schgor, Foto UtenteBrunoValente, Foto UtenteIsidoroKZ

0
voti

[11] Re: Zero crossing detector con fotoaccoppiatore

Messaggioda Foto Utentespud » 29 set 2023, 9:07

Grazie mille per il suggerimento.

GuidoB ha scritto:Con un buon lavoro di firmware, potrebbe essere il micro stesso a generare i passaggi per zero ogni 10 ms, utilizzando il segnale del fotoaccoppiatore solo per agganciarsi alla frequenza di rete ogni due semionde (20 ms).


Intendi che dovrei rimanere in attesa del segnale reale e poi da quello contare 10ms per simulare il prossimo passaggio, successivamente attendere di nuovo quello reale e così via?
Atlant.

Behind every great man is a woman rolling her eyes.
Avatar utente
Foto Utentespud
3.767 3 10 12
free expert
 
Messaggi: 1601
Iscritto il: 1 feb 2012, 14:26
Località: Udine

2
voti

[12] Re: Zero crossing detector con fotoaccoppiatore

Messaggioda Foto UtenteThEnGi » 29 set 2023, 17:38

Link TI seguito da fotoaccopiatore per l'isolamento ?

Puoi usare un alimentatore capacitivo per generare i 5V, il BOM aumenta però

O_/
Avatar utente
Foto UtenteThEnGi
2.230 3 6 9
Expert EY
Expert EY
 
Messaggi: 2228
Iscritto il: 6 ott 2022, 18:43

0
voti

[13] Re: Zero crossing detector con fotoaccoppiatore

Messaggioda Foto UtenteGiVi » 29 set 2023, 19:56

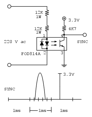
Ho montato questi quattro componenti ed ho rilevato il segnale in figura.




Purtroppo non posso allegare foto.
le resistenze riscaldano un po' ma (almeno per le prove che ho fatto) la temperatura rimane accettabile.
Per il numero di componenti utilizzato non so se si può fare meglio.
Se ho tempo faccio qualche altra prova.
saluti
Avatar utente
Foto UtenteGiVi
325 4
Frequentatore
Frequentatore
 
Messaggi: 185
Iscritto il: 20 mar 2020, 21:27

0
voti

[14] Re: Zero crossing detector con fotoaccoppiatore

Messaggioda Foto UtenteSediciAmpere » 29 set 2023, 20:58

Oltre alla potenza massima delle resistenze (¼W), controlla anche la loro tensione massima
Avatar utente
Foto UtenteSediciAmpere
4.187 5 5 8
Master
Master
 
Messaggi: 4847
Iscritto il: 31 ott 2013, 15:00

1
voti

[15] Re: Zero crossing detector con fotoaccoppiatore

Messaggioda Foto UtenteGuidoB » 30 set 2023, 1:34

spud ha scritto:Intendi che dovrei rimanere in attesa del segnale reale e poi da quello contare 10ms per simulare il prossimo passaggio, successivamente attendere di nuovo quello reale e così via?


A grandi linee, si tratterebbe di:
- calcolare il tempo trascorso tra gli ultimi due passaggi "reali" per zero (deve essere di circa 20 ms, se no non è valido);
- far partire un temporizzatore che conti la metà di questo tempo;
- quando scade, sarà un passaggio per zero "calcolato";
- far ripartire il temporizzatore con un tempo leggermente minore del precedente;
- quando scade, attendere il prossimo passaggio per zero (reale) fino a un certo tempo massimo;
- ripetere.

In pratica si attende il passaggio per zero in una finestra di tempo ristretta, trascurando tutti i passaggi spuri che potrebbero avvenire fuori da questa finestra.

In alternativa, se il micro ha un'uscita PWM, si potrebbe impostare un duty-cycle del 50% e aggiustare il periodo totale, aumentandolo o riducendolo leggermente, a seconda che il segnale PWM anticipi o ritardi i passaggi per zero "reali". Se il micro non ha un'uscita PWM adatta, si potrebbe simulare con un timer HW più interrupt.
Big fan of ƎlectroYou!       Ausili per disabili e anziani su ƎlectroYou
Caratteri utili: À È É Ì Ò Ó Ù α β γ δ ε η θ λ μ π ρ σ τ φ ω Ω º ª ² ³ √ ∛ ∜ ₀ ₁ ₂ ₃ ₄ ₅ ₆ ∃ ∄ ∆ ∈ ∉ ± ∓ ∾ ≃ ≈ ≠ ≤ ≥
Avatar utente
Foto UtenteGuidoB
17,8k 7 12 13
G.Master EY
G.Master EY
 
Messaggi: 2809
Iscritto il: 3 mar 2011, 16:48
Località: Madrid

1
voti

[16] Re: Zero crossing detector con fotoaccoppiatore

Messaggioda Foto UtenteGiVi » 30 set 2023, 7:31

Rifatte prove con quello che avevo.




le resistenze dopo 30 minuti di funzionamento sono un po' calde, ma nei limiti.
La tensione di lavoro massima di ogni resistenza è superiore a 220 V. (400V da datasheet)
A quanto misuro più aumenta la corrente nel diodo del fotoaccoppiatore più è stretto l'impulso di uscita, quindi credo più preciso.
Per quanto riguarda la corrente massima ammessa dal fotodiodo posso dirvi che stamattina ho montato per errore resistenze da 1200 ohm al posto di quelle da 12.000, si sono carbonizzate immediatamente ma il fotoaccoppiatore continua a lavorare (forse un po' acciaccato).

Credo che il circuito proposto nel primo post sia abbastanza valido per l'uso richiesto.

saluti
Avatar utente
Foto UtenteGiVi
325 4
Frequentatore
Frequentatore
 
Messaggi: 185
Iscritto il: 20 mar 2020, 21:27

0
voti

[17] Re: Zero crossing detector con fotoaccoppiatore

Messaggioda Foto UtenteEtemenanki » 30 set 2023, 9:27

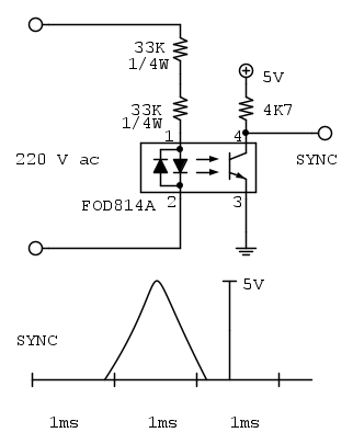
Se quei valori di impulso ti vanno bene, nulla vieta (spazio e circolazione di aria permettendo) di mettere anche tre o quattro resistenze in serie, sempre da 1W, riducendone la dissipazione pro capite e rendendo il tutto piu sicuro (4 resistenze, oltre a scaldare di meno ognuna, raddoppiano anche la superfice di scambio termico, e lasciandole da 1W si aumenta anche la soglia di sicurezza del sistema)

Ovviamente dovrai garantire anche un'adeguata circolazione d'aria, se le chiudessi in uno scatolino senza che l'aria possa circolare e portare via il calore, si friggerebbero comunque dopo un po per accumulo termico.
"Sopravvivere" e' attualmente l'unico lusso che la maggior parte dei Cittadini italiani,
sia pure a costo di enormi sacrifici, riesce ancora a permettersi.
Avatar utente
Foto UtenteEtemenanki
9.517 3 6 10
Master
Master
 
Messaggi: 5940
Iscritto il: 2 apr 2021, 23:42
Località: Dalle parti di un grande lago ... :)

0
voti

[18] Re: Zero crossing detector con fotoaccoppiatore

Messaggioda Foto UtenteGioArca67 » 30 set 2023, 9:36

230*230/24000=2,2W
Se poi aumenta la tensione va anche peggio.
Mi sembrano troppo al limite.
Avatar utente
Foto UtenteGioArca67
4.580 4 6 9
Master EY
Master EY
 
Messaggi: 4591
Iscritto il: 12 mar 2021, 9:36

0
voti

[19] Re: Zero crossing detector con fotoaccoppiatore

Messaggioda Foto UtenteGiVi » 30 set 2023, 10:22

Avevo fatto anche io quei calcoli, ma ho usato quello che avevo, e a dispetto della teoria il tutto al momento regge.
Potrei provare con il variac per vedere come va a tensioni superiori e volendo strafare potrei farmi prestare una fotocamera termica (FLIR) così le valutazioni non saranno "ad c...m".
Ma questo lunedì prossimo.
Saluti
Avatar utente
Foto UtenteGiVi
325 4
Frequentatore
Frequentatore
 
Messaggi: 185
Iscritto il: 20 mar 2020, 21:27

0
voti

[20] Re: Zero crossing detector con fotoaccoppiatore

Messaggioda Foto UtenteGioArca67 » 30 set 2023, 15:11

Mettici altre 2 resistenze.
Avatar utente
Foto UtenteGioArca67
4.580 4 6 9
Master EY
Master EY
 
Messaggi: 4591
Iscritto il: 12 mar 2021, 9:36

PrecedenteProssimo

Torna a Elettronica generale

Chi c’è in linea

Visitano il forum: Nessuno e 236 ospiti