Stamani mi hanno portato a riparare un piano cottura ad induzione portatile, si può appoggiare su qualsiasi piano.
E' leggero, compatto e completo di tutti i suoi servizi, si può regolare la temperatura , il tempo e credo anche la potenza. Aggiungendo anche il fatto di non correre il rischio di bruciarsi toccando il piano. Sembra che sia perfetto e non per ultimo senz'altro la resa è maggiore, sia in consumi che in tempo.
Questo mi ha convinto, non mi avevano convinto i precedenti di 10 anni fa, in particolar modo per l'elettronica, questa di oggi è nella sua complessità, molto intuitiva e semplice .
Questo post, vuole far notare ed anche spiegare, se qualche utente con maggiori cognizioni di elettrotecnica/elettronica, lo vuol fare, la semplicità e la soluzione che hanno adottato per questo scopo.
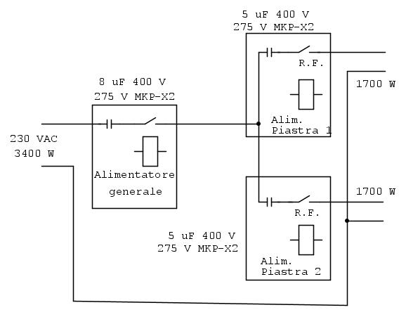
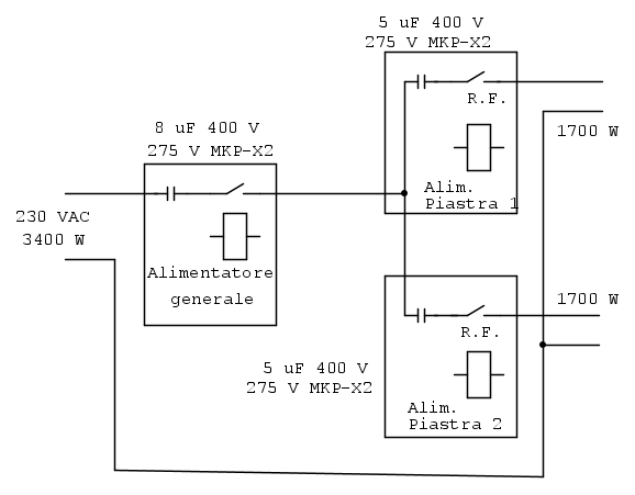
Cioè, il piano cottura è da 3400 W 230 VAC ed ha due settori per l'utilizzo, quindi sono circa 1700 W per ogni fornello e fin qui niente di strano, ma guardando lo schema a blocchi che ho rilevato, la potenza fornita di 3400W passa attraverso un condensatore da 8 uF X2 che poi si divide attraversoun altro condensatore da 5 uF X2 per ogni fornello.
Non lo avrei creduto possibile. Mea culpa.
Piano cottura ad induzione, innovazione.
Moderatori:
g.schgor,
IsidoroKZ
12 messaggi
• Pagina 1 di 2 • 1, 2
1
voti
Alex
https://www.facebook.com/Elettronicaeelettrotecnica
<< vedi di pigliare arditamente in mano, il dizionario che ti suona in bocca,
se non altro è schietto e paesano.
(Giuseppe Giusti) <<
https://www.facebook.com/Elettronicaeelettrotecnica
<< vedi di pigliare arditamente in mano, il dizionario che ti suona in bocca,
se non altro è schietto e paesano.
(Giuseppe Giusti) <<
0
voti
Ma che funzione hanno i condensatori ?
Forse quella di elevare/abbassare il modulo della tensione?
Forse quella di elevare/abbassare il modulo della tensione?
Scopo principale della nostra vita , è dare prosieguo alla vita , come tutti gli esseri viventi fanno.
0
voti
Penso che lo scopo sia quello di non avere un collegamento diretto con la rete che avverrebbe con un trasformatore, non so se ci sono e quali sono i vantaggi, ma qualche vantaggio ci deve essere ed è proprio questa incognita che mi ha incuriosito.
Alex
https://www.facebook.com/Elettronicaeelettrotecnica
<< vedi di pigliare arditamente in mano, il dizionario che ti suona in bocca,
se non altro è schietto e paesano.
(Giuseppe Giusti) <<
https://www.facebook.com/Elettronicaeelettrotecnica
<< vedi di pigliare arditamente in mano, il dizionario che ti suona in bocca,
se non altro è schietto e paesano.
(Giuseppe Giusti) <<
0
voti
ThEnGi ha scritto:Ma a 50Hz, il condensatore messo così ha una reattanza NON trascurabile (400 ohm), sbaglio ?
Lo usa per limitare la corrente ?
L'ho notato anch'io, può darsi che formi un circuito risonante con l'induttanza del fornello, in modo da limitare l'assorbimento a 100VAr quando non c'è la pentola sopra? (nucleo dell'induttore)
-

SediciAmpere
4.187 5 5 8 - Master

- Messaggi: 4847
- Iscritto il: 31 ott 2013, 15:00
0
voti
SediciAmpere ha scritto:ThEnGi ha scritto:Ma a 50Hz, il condensatore messo così ha una reattanza NON trascurabile (400 ohm), sbaglio ?
Lo usa per limitare la corrente ?
L'ho notato anch'io, può darsi che formi un circuito risonante con l'induttanza del fornello, in modo da limitare l'assorbimento a 100VAr quando non c'è la pentola sopra? (nucleo dell'induttore)
3400W... che spina ha? Spero almeno una industriale 16A 6h
-

SediciAmpere
4.187 5 5 8 - Master

- Messaggi: 4847
- Iscritto il: 31 ott 2013, 15:00
0
voti
E' probabile che le capacità C , unitamente all'induttanza della piastra L del circuito di potenza risuonino a 50Hz.
Frequenza di risonanza si ha quando
,
per cui la corrente I è limitata solo dalla resistenza del circuito di potenza , (cavi + resistenza induttore).
Essendoci in serie per ogni piastra 2 condensatori C1=8uF e C2=4uF per una C totale x piastra di
.
Si puo calcolare l'induttanza della piastra con
-->
e x cui il circuito resistivo per ogni piastra nota la potenza delle stesse
varrà 
Frequenza di risonanza si ha quando
, per cui la corrente I è limitata solo dalla resistenza del circuito di potenza , (cavi + resistenza induttore).
Essendoci in serie per ogni piastra 2 condensatori C1=8uF e C2=4uF per una C totale x piastra di
.Si puo calcolare l'induttanza della piastra con
-->
e x cui il circuito resistivo per ogni piastra nota la potenza delle stesse
varrà 
Scopo principale della nostra vita , è dare prosieguo alla vita , come tutti gli esseri viventi fanno.
0
voti
A dire la verità avevo risposto con la sola supposizione, prima parte, togliendo i calcoli, quando ho visto il valore che avrebbe dovuto avere l'induttanza L=3 Henry, per risuonare con le capacità serie a 50hz, troppo elevata per una bobina piana in aria, a meno che non sia contenuta in un circuito ferromagnetico !!!
Ho messo del tempo per indagare con un calcolatore sul valore che doveva assumere L x la bobina piana, ma in aria vengo pachi mH. Quando ho modificato , e inviato, mi sono trovato la mia risposta iniziale, non quella modificata.
Risposta modificata
E' probabile che le capacità C , unitamente all'induttanza della piastra L del circuito di potenza risuonino a 50Hz.
Frequenza di risonanza si ha quando w=1/sqrt(L*C),
per cui la corrente I è limitata solo dalla resistenza del circuito di potenza , (cavi + resistenza induttore).
Ho messo del tempo per indagare con un calcolatore sul valore che doveva assumere L x la bobina piana, ma in aria vengo pachi mH. Quando ho modificato , e inviato, mi sono trovato la mia risposta iniziale, non quella modificata.
Risposta modificata
E' probabile che le capacità C , unitamente all'induttanza della piastra L del circuito di potenza risuonino a 50Hz.
Frequenza di risonanza si ha quando w=1/sqrt(L*C),
per cui la corrente I è limitata solo dalla resistenza del circuito di potenza , (cavi + resistenza induttore).
Scopo principale della nostra vita , è dare prosieguo alla vita , come tutti gli esseri viventi fanno.
0
voti
adert ha scritto:E' probabile che le capacità C , unitamente all'induttanza della piastra L del circuito di potenza risuonino a 50Hz.
Frequenza di risonanza si ha quando,
per cui la corrente I è limitata solo dalla resistenza del circuito di potenza , (cavi + resistenza induttore).
Essendoci in serie per ogni piastra 2 condensatori C1=8uF e C2=4uF per una C totale x piastra di.
Si puo calcolare l'induttanza della piastra con-->
![]()
e x cui il circuito resistivo per ogni piastra nota la potenza delle stessevarrà
Azz. Tanta roba. Ma da piccoli vi hanno tirato su a latte di Volpe ?
12 messaggi
• Pagina 1 di 2 • 1, 2
Torna a Elettrotecnica generale
Chi c’è in linea
Visitano il forum: Nessuno e 53 ospiti

Elettrotecnica e non solo (admin)
Un gatto tra gli elettroni (IsidoroKZ)
Esperienza e simulazioni (g.schgor)
Moleskine di un idraulico (RenzoDF)
Il Blog di ElectroYou (webmaster)
Idee microcontrollate (TardoFreak)
PICcoli grandi PICMicro (Paolino)
Il blog elettrico di carloc (carloc)
DirtEYblooog (dirtydeeds)
Di tutto... un po' (jordan20)
AK47 (lillo)
Esperienze elettroniche (marco438)
Telecomunicazioni musicali (clavicordo)
Automazione ed Elettronica (gustavo)
Direttive per la sicurezza (ErnestoCappelletti)
EYnfo dall'Alaska (mir)
Apriamo il quadro! (attilio)
H7-25 (asdf)
Passione Elettrica (massimob)
Elettroni a spasso (guidob)
Bloguerra (guerra)









