Riporto il testo in originale:
Lo smart trick al quale fanno riferimento è quello di considerare solo il primo degli elementi (quello più a sinistra) e di immaginarlo connesso a una sola resistenza dello stesso valore della resistenza equivalente.
Svolgendo


Da cui l'unica soluzione positiva

Svolgendo per la seconda domanda si ottiene

Con soluzione

La parte furba del trucco è quella di considerare che con un numero infinito di elementi, la differenza di resistenza equivalente a monte e a valle di un singolo elemento è nulla. Ovviamente il trucco funziona, ma volevo esporre un metodo differente, che non implica trucchi.
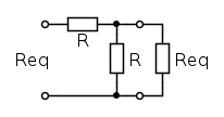
Iniziamo con il considerare un solo elemento, che sarà formato solamente dalle due resistenze in serie
e calcoliamo la resistenza equivalente come funzione della resistenza di riferimento. Nominiamo questa resistenza
, come prima della serie che andremo a ottenere. Nominiamo con lo stesso indice anche il fattore di proporzionalità
.

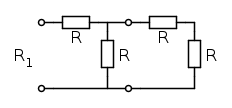
Aggiungiamo ora (a sinistra), un secondo elemento, e calcoliamo la nuova resistenza equivalente.
Abbiamo ottenuto un nuovo fattore di proporzionalità
.

L’aggiunta di un ulteriore elemento non modificherà nulla rispetto a quanto visto ora, quindi possiamo generalizzare la successione dei fattori
scrivendo.
Facciamo ora alcune considerazioni sul valore assunto da
nella successione appena definita:1) dato che la resistenza equivalente è certamente compresa tra R e 2R,
è compreso tra 1 e 2;2) dato che l’aggiunta di elementi alla serie comporta la riduzione della resistenza in parallelo al primo, la successione
è strettamente decrescente.Le due considerazioni qui sopra non sono sufficienti a assicurare la convergenza della successione, dobbiamo analizzare l’andamento della distanza tra due elementi consecutivi. Nominando
questa distanza si ottiene.

La funzione in
è una parabola con il vertice in alto e nell’intervallo [1, 2] di nostro interesse è strettamente decrescente.Il primo degli elementi della successione (
) fornisce per
un valore negativo (-1/3), come già sapevamo. La successione può progredire solo verso sinistra e non può superare il punto di ordinata zero perché
deve essere sempre decrescente. Oltre a questo, la successione è destinata a raggiungere quel punto, in quanto strettamente decrescente.Pertanto, il limite della successione per n tendente a infinito coincide con la soluzione compresa nell’intervallo [1, 2] dell’equazione


In modo del tutto equivalente si giunge al risultato
se si considerano le due resistenze una di valore R e l'altra di valore 2R.Nota: La soluzione al primo dei due quesiti è il numero
.
Elettrotecnica e non solo (admin)
Un gatto tra gli elettroni (IsidoroKZ)
Esperienza e simulazioni (g.schgor)
Moleskine di un idraulico (RenzoDF)
Il Blog di ElectroYou (webmaster)
Idee microcontrollate (TardoFreak)
PICcoli grandi PICMicro (Paolino)
Il blog elettrico di carloc (carloc)
DirtEYblooog (dirtydeeds)
Di tutto... un po' (jordan20)
AK47 (lillo)
Esperienze elettroniche (marco438)
Telecomunicazioni musicali (clavicordo)
Automazione ed Elettronica (gustavo)
Direttive per la sicurezza (ErnestoCappelletti)
EYnfo dall'Alaska (mir)
Apriamo il quadro! (attilio)
H7-25 (asdf)
Passione Elettrica (massimob)
Elettroni a spasso (guidob)
Bloguerra (guerra)



