Ciao a tutti ho recentemente acquistato uno shield per arduino AD9850, il quale è in grado di generare un segnale sinusoidale e uno rettangolare, l'idea era quella di costruirmi uno strumentino da laboratorio per i miei esperimenti.
Pensavo di utilizzare degli opamp per permettermi facilmente di manipolare ampiezza e valore medio del segnale di uscita in questo modo:
In questo modo potrei tranquillamente raggiungere dei valori di picco di +12/-12
Volendo però aggiungere al circuito un po' di potenza es max 1A mi consigliare come modificare il circuito?
Generatore di segnale AD9850
Moderatori:
carloc,
g.schgor,
BrunoValente,
IsidoroKZ
34 messaggi
• Pagina 1 di 4 • 1, 2, 3, 4
1
voti
1A per cosa ?
Il DAC dell'AD950 ha l'uscita in corrente ed una tensione di compliance di 1.5V quindi la R di uscita deve essere dimensionata opportunamente.
Se usi OPamps devi tenere in conto slew rare e banda. Evita potenziometri nella rete di retroazione..
Secondo me meglio se stai su 3V3 o 5V..
Il DAC dell'AD950 ha l'uscita in corrente ed una tensione di compliance di 1.5V quindi la R di uscita deve essere dimensionata opportunamente.
Se usi OPamps devi tenere in conto slew rare e banda. Evita potenziometri nella rete di retroazione..
Secondo me meglio se stai su 3V3 o 5V..
0
voti
L'intento è creare un circuito che prenda un segnale e lo "replichi" potendo generare un po di potenza così che gli posso attaccare in ingresso un qualsiasi segnale di riferimento e farlo diventare un alimentatore
0
voti
Generare un segnale di potenza che riproduca i vari segnali le varie forme (Quadra, Sinusoide e triangolo) non è così semplice, anzi per ognuna di esse bisogna attuare considerazioni ed implementazioni.
Ma poi cosa te ne fai per esempio di un segnale Sinusoidale/Triangolare con corrente 1A ?
Puoi usare un OPAMP di potenza, ma la banda è limitata....
Mi aggrego a
gvee, Cosa vorresti farci ?
Non sono esperto in materia, ma come si comporta lo stadio finale del DAC quanto gli inietti in ingresso +-12V ?

Ma poi cosa te ne fai per esempio di un segnale Sinusoidale/Triangolare con corrente 1A ?
Puoi usare un OPAMP di potenza, ma la banda è limitata....
Mi aggrego a
Non sono esperto in materia, ma come si comporta lo stadio finale del DAC quanto gli inietti in ingresso +-12V ?

0
voti
Provo a spiegarmi meglio...
Io ho attrezzato il mio piccolo laboratorio con tester oscilloscopio e alimentatore 0-30V 0-5A
Mi sono autocostruito un alimentatore duale +/-15V 5A.
L'intanto era quello di usare il dds per poter generare un onda sinusoidale o quadra a frequenza e dutycycle impostabile fargli appunto uno "stadio finale" che potesse trasformare il segnale di riferimento in un segnale di potenza per fare tutte le varie prove a banco ed esperimenti
Io ho attrezzato il mio piccolo laboratorio con tester oscilloscopio e alimentatore 0-30V 0-5A
Mi sono autocostruito un alimentatore duale +/-15V 5A.
L'intanto era quello di usare il dds per poter generare un onda sinusoidale o quadra a frequenza e dutycycle impostabile fargli appunto uno "stadio finale" che potesse trasformare il segnale di riferimento in un segnale di potenza per fare tutte le varie prove a banco ed esperimenti
0
voti
wimatech ha scritto:L'intanto era quello di usare il dds per poter generare un onda sinusoidale o quadra a frequenza e dutycycle impostabile
Occhio perché il clock out dell'AD9850 ha duty cycle 50% fisso.
0
voti
ok per il duty cycle non è un problema.
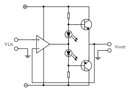
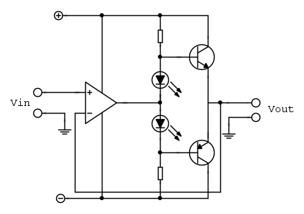
stavo anche valutando un circuito "finale" di questo tipo:
che ne dite?
stavo anche valutando un circuito "finale" di questo tipo:
che ne dite?
0
voti
finché lo schema è di principio e senza valori, e senza requisiti di carico e frequenza max va sicuramente bene.
Sostituirei i diodi LED con diodi 1N4148 o 1N4004 per limitare la corrente a riposo nelle basi (metterei anche un trimmer da 470 ohm in serie ai diodi).
Sostituirei i diodi LED con diodi 1N4148 o 1N4004 per limitare la corrente a riposo nelle basi (metterei anche un trimmer da 470 ohm in serie ai diodi).
34 messaggi
• Pagina 1 di 4 • 1, 2, 3, 4
Chi c’è in linea
Visitano il forum: Nessuno e 243 ospiti

Elettrotecnica e non solo (admin)
Un gatto tra gli elettroni (IsidoroKZ)
Esperienza e simulazioni (g.schgor)
Moleskine di un idraulico (RenzoDF)
Il Blog di ElectroYou (webmaster)
Idee microcontrollate (TardoFreak)
PICcoli grandi PICMicro (Paolino)
Il blog elettrico di carloc (carloc)
DirtEYblooog (dirtydeeds)
Di tutto... un po' (jordan20)
AK47 (lillo)
Esperienze elettroniche (marco438)
Telecomunicazioni musicali (clavicordo)
Automazione ed Elettronica (gustavo)
Direttive per la sicurezza (ErnestoCappelletti)
EYnfo dall'Alaska (mir)
Apriamo il quadro! (attilio)
H7-25 (asdf)
Passione Elettrica (massimob)
Elettroni a spasso (guidob)
Bloguerra (guerra)










